Maxim Integrated MAX7032EVKIT-315EVAL KIT MAX7032-315
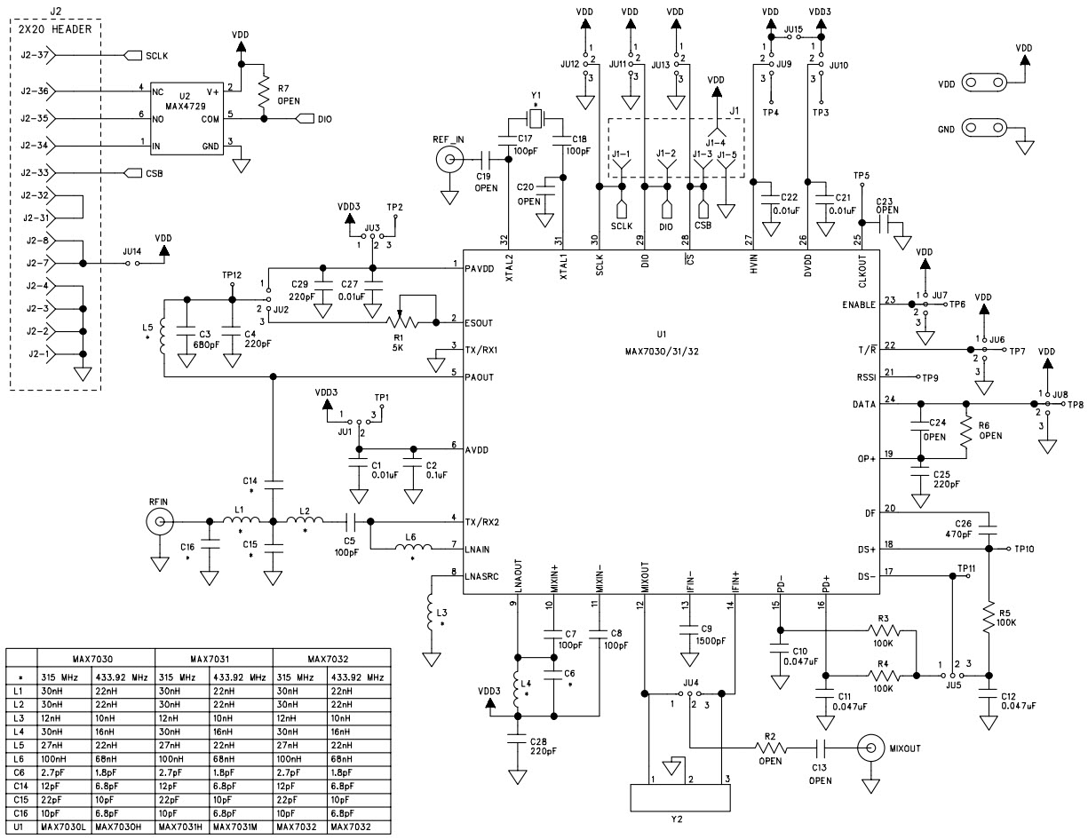
The Maxim Integrated MAX7032EVKIT-315 is an evaluation kit for the MAX7032 low-cost, crystal-based, programmable, ASK/FSK transceiver with fractional-N PLL. This kit is designed for consumer electronics applications and provides a complete platform for evaluating the performance of the MAX7032 transceiver. The kit includes a MAX7032 evaluation board, a USB-to-serial adapter, and a USB cable. The evaluation board features a crystal oscillator, a fractional-N PLL, and a power amplifier, allowing users to quickly and easily evaluate the performance of the MAX7032 transceiver. The kit also includes a comprehensive set of software tools for configuring and testing the MAX7032 transceiver. The MAX7032EVKIT-315 is an ideal solution for evaluating the performance of the MAX7032 transceiver in consumer electronics applications.
- TypeParameter
- Package / Case315
- PackagingBulk
- Published2011
- Part StatusActive
- Moisture Sensitivity Level (MSL)1 (Unlimited)
- TypeTransceiver
- Frequency315MHz
- Max Supply Voltage5.5V
- Min Supply Voltage2.1V
- Min Input Voltage2.1V
- Max Input Voltage5.5V
- Supplied ContentsBoard(s)
- Evaluation KitYes
- Height30mm
- Length297mm
- Width210mm
- RoHS StatusROHS3 Compliant


Product
Brand
Articles
Tools







