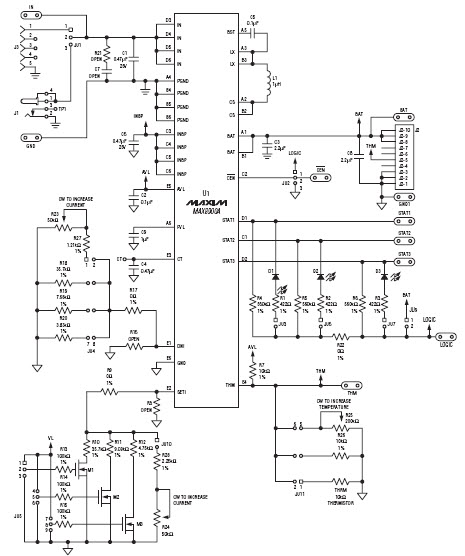
Maxim Integrated MAX8900AEVKIT+EVAL KIT FOR MAX8900
The MAX8900AEVKIT+ Evaluation Kit for MAX8900 1-Cell, Lithium-Ion/Lithium-Polymer Battery Charger for Digital Camera, Video and Imaging Applications from Maxim Integrated is a comprehensive evaluation platform for testing and evaluating the MAX8900 1-Cell, Lithium-Ion/Lithium-Polymer Battery Charger. The kit includes a MAX8900AEVKIT+ board, a USB cable, a power supply, and a set of jumpers and connectors. The board features a MAX8900A 1-Cell, Lithium-Ion/Lithium-Polymer Battery Charger, a MAX8900A-EVKIT+ board, and a MAX8900A-EVKIT+ board. The board also includes a USB port, a power supply, and a set of jumpers and connectors. The board is designed to provide a complete evaluation platform for testing and evaluating the MAX8900 1-Cell, Lithium-Ion/Lithium-Polymer Battery Charger. The board is also designed to provide a convenient platform for developing and testing applications for digital cameras, video and imaging applications.
- TypeParameter
- Factory Lead Time6 Weeks
- Published2014
- Part StatusActive
- Moisture Sensitivity Level (MSL)1 (Unlimited)
- TypePower Management
- Base Part NumberMAX8900
- FunctionBattery Charger
- Utilized IC / PartMAX8900A, MAX8900B
- Supplied ContentsBoard(s)
- Evaluation KitYes
- Secondary AttributesOn-Board LEDs
- RoHS StatusROHS3 Compliant


Product
Brand
Articles
Tools









