Maxim Integrated MAX97220AEVKIT+Audio IC Development Tools MAX97220 Eval Kit
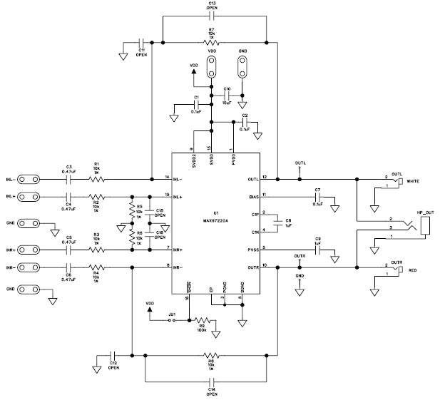
The Maxim Integrated MAX97220AEVKIT+ is an evaluation kit for the MAX97220A 0.125W, 2-Channel Audio Power Amplifier for DVD Player, Consumer Electronics. This kit includes the MAX97220A amplifier, a power supply, and a set of evaluation boards. The MAX97220A is a low-power, high-efficiency amplifier that is designed to provide superior audio performance in DVD players and other consumer electronics. The amplifier features a low-noise, low-distortion design that is optimized for high-fidelity audio reproduction. The evaluation boards provide a convenient platform for testing and evaluating the performance of the MAX97220A amplifier. The kit also includes a comprehensive set of documentation and software tools to help users quickly and easily evaluate the performance of the amplifier.
- TypeParameter
- Factory Lead Time6 Weeks
- PackagingBox
- SeriesDirectDrive®
- Published2010
- Part StatusActive
- Moisture Sensitivity Level (MSL)1 (Unlimited)
- Voltage - Supply2.5V~5.5V
- Base Part NumberMAX97220
- Output TypeHeadphones, 2-Channel (Stereo)
- Min Input Voltage2.5V
- Amplifier TypeClass AB
- Max Input Voltage5.5V
- Utilized IC / PartMAX97220A
- Supplied ContentsBoard(s)
- Evaluation KitYes
- Max Output Power125mW
- Board TypeFully Populated
- Max Output Power x Channels @ Load125mW x 2 @ 32 Ω
- Height30mm
- Length297mm
- Width210mm
- REACH SVHCUnknown
- RoHS StatusROHS3 Compliant


Product
Brand
Articles
Tools













