Maxim Integrated MAX98374FEVSYS#EVAL MAX98374 CLASS D AMP
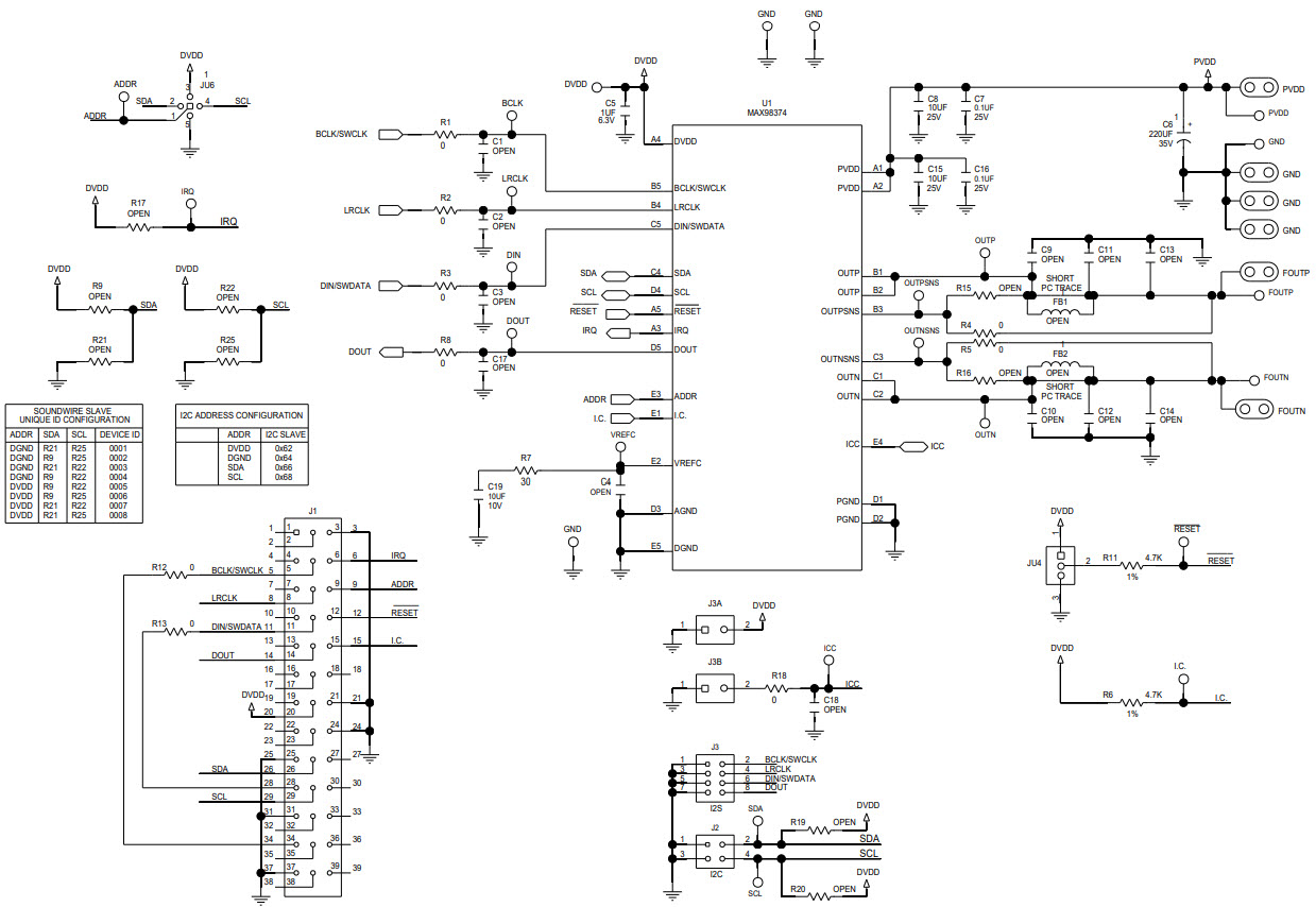
The MAX98374FEVSYS-FEVSYS# WLP Evaluation System for the MAX98374 Digital Input Class-D Speaker Amplifier with DHT is a comprehensive evaluation system designed to help users evaluate the performance of the MAX98374 amplifier. This system includes a MAX98374FEVSYS# evaluation board, a MAX98374FEVSYS# Daughter Board, a MAX98374FEVSYS# Daughter Board with DHT, and a MAX98374FEVSYS# Daughter Board with Computers and Peripherals. The evaluation board provides a complete platform for testing the MAX98374 amplifier, allowing users to quickly and easily evaluate the performance of the amplifier. The Daughter Board with DHT provides a convenient way to connect the amplifier to a digital audio source, while the Daughter Board with Computers and Peripherals allows users to connect the amplifier to a computer or other peripheral device. The MAX98374FEVSYS-FEVSYS# WLP Evaluation System for the MAX98374 Digital Input Class-D Speaker Amplifier with DHT is an ideal solution for users who need to quickly and easily evaluate the performance of the MAX98374 amplifier.
- TypeParameter
- Factory Lead Time6 Weeks
- PackagingBox
- Part StatusActive
- Moisture Sensitivity Level (MSL)1 (Unlimited)
- Voltage - Supply5.5V~16V
- Output Type1-Channel (Mono)
- Amplifier TypeClass D
- Utilized IC / PartMAX98374
- Supplied ContentsBoard(s), Cable(s)
- Board TypeFully Populated
- Max Output Power x Channels @ Load16W x 1 @ 8 Ω
- RoHS StatusROHS3 Compliant


Product
Brand
Articles
Tools













