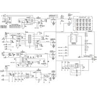
MaxLinear, Inc. SP6132EBEVAL BOARD FOR SP6132
Description
The MaxLinear SP6132EB-EB is a 3.3V DC to DC single output power supply designed for wireless base station, automotive, and transportation applications. It features a wide input voltage range of 4.5V to 36V, and a high efficiency of up to 95%. The power supply is protected against over-voltage, over-current, and short-circuit conditions, and is designed to meet the stringent requirements of automotive and transportation applications. It also features a low quiescent current of only 10µA, and a low profile of only 1.2mm. The SP6132EB-EB is RoHS compliant and is ideal for applications requiring a reliable, high-efficiency power supply.
Specifications
MaxLinear, Inc. technical specifications, attributes, parameters and parts with similar specifications to MaxLinear, Inc. .
- TypeParameter
- Factory Lead Time8 Weeks
- Part StatusActive
- Moisture Sensitivity Level (MSL)1 (Unlimited)
- Voltage - Output3.3V
- Frequency - Switching300kHz
- Utilized IC / PartSP6132
- Supplied ContentsBoard(s)
- Board TypeFully Populated
- Main PurposeDC/DC, Step Down
- Outputs and Type1, Non-Isolated
- Regulator TopologyBuck
- RoHS StatusRoHS Compliant
0 Similar Products Remaining


Product
Brand
Articles
Tools




