Microchip Technology DM330021KIT DEMO DSPIC33 MCLV
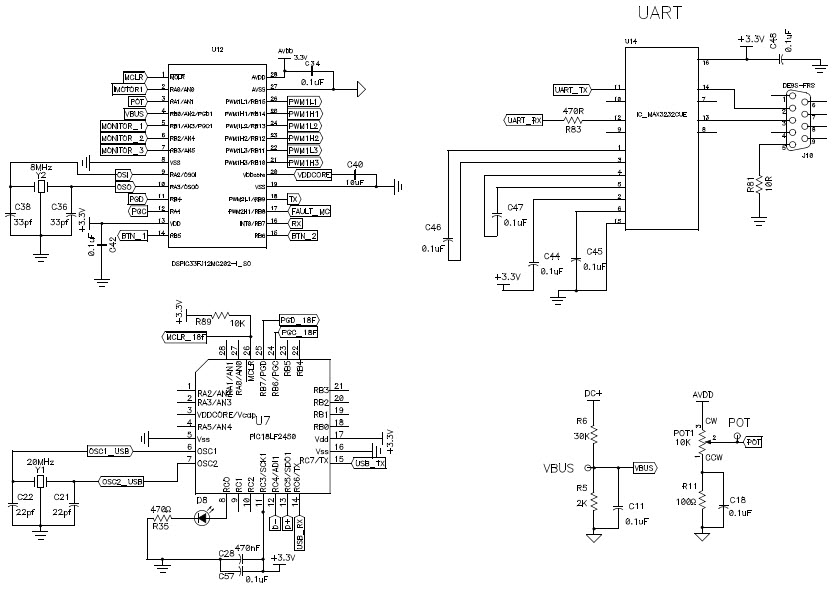
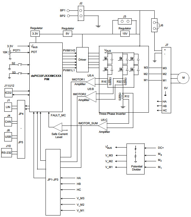
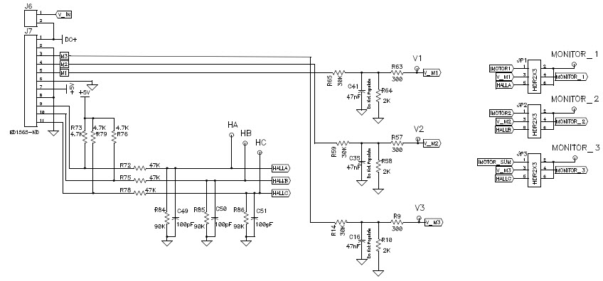
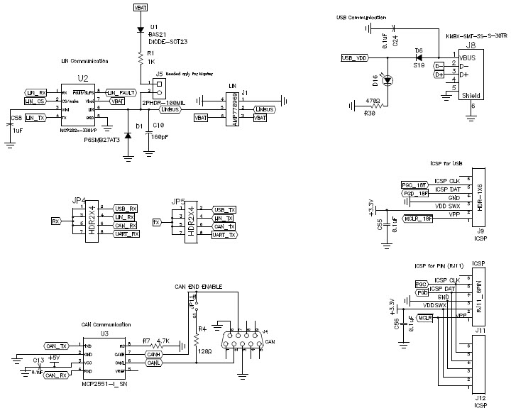
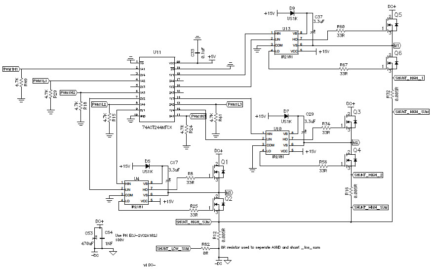
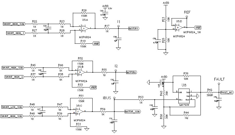
The Microchip Technology DM330021-DM330021 dsPICDEM MCLV Development Board is a powerful tool for motor control applications. It is designed to control a Brushless DC (BLDC) motor or Permanent Magnet Synchronous Motor (PMSM) in either sensor or sensorless operation. The board includes the Motor Control Library (MCLV) and dsPIC Digital Signal Controller (DSC) to provide a comprehensive development platform for motor control applications. The board also includes a variety of peripherals, such as a USB interface, a CAN interface, and a LIN interface, to enable easy connection to other devices. The board also includes a graphical user interface (GUI) to allow for easy configuration and monitoring of the motor control system. The board is ideal for prototyping and development of motor control applications.
- TypeParameter
- Factory Lead Time25 Weeks
- SeriesdsPIC®
- Published2005
- Part StatusObsolete
- Moisture Sensitivity Level (MSL)1 (Unlimited)
- TypePower Management
- FunctionMotor Controller/Driver
- Operating Supply Voltage24V
- InterfaceCAN, LIN, RS-232, USB
- Number of Bits16
- Data Bus Width16b
- Utilized IC / PartdsPIC33F
- Supplied ContentsBoard(s), Cable(s), Accessories
- Evaluation KitYes
- Core ArchitecturePIC
- EmbeddedYes, MCU, 16-Bit
- REACH SVHCNo SVHC
- Radiation HardeningNo
- RoHS StatusROHS3 Compliant
- Lead FreeLead Free
| Part Number | Manufacturer | Description | Stock | RFQ |
|---|---|---|---|---|
| Texas Instruments | TEXAS INSTRUMENTS LMV7239M5/NOPB. LOW POWER COMPARATOR, SINGLE, 45NS SOT23-5, FULL REEL | 10 | BUY | |
| Texas Instruments | TEXAS INSTRUMENTS LMV7239M7/NOPB COMPARATOR, LP RRI, 45NS, POWERWISE,REEL | 383 | BUY | |
| Microchip Technology | IC MCU 8BIT 16KB FLASH 28SOIC | 24 | RFQ | |
| Microchip Technology | IC MCU 8BIT 16KB FLASH 28SDIP | 30 | RFQ | |
| Infineon Technologies | IC GATE DRVR HALF-BRIDGE 14SOIC | 15863 | RFQ | |
| Microchip Technology | IC OPAMP GP 4 CIRCUIT 14SOIC | 3554 | RFQ | |
| Microchip Technology | PIC18 Series 16 kB Flash 768 B RAM SMT 8-Bit Microcontroller - QFN-28 | 41 | BUY | |
| Infineon Technologies | IC GATE DRVR HALF-BRIDGE 8SOIC | 6000 | RFQ | |
| Infineon Technologies | Driver 600V 2.3A 2-OUT High and Low Side Non-Inv 14-Pin SOIC N T/R | 0 | RFQ |


Product
Brand
Articles
Tools




































