STMicroelectronics STM32F411E-DISCOSTMICROELECTRONICS STM32F411E-DISCO Development Board, STM32F411VE STM32 Discovery, MEMS Sensors, USB OTG, Extension Header
Description
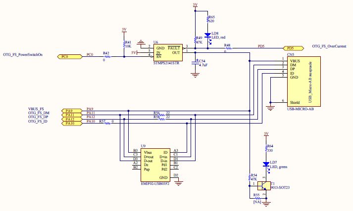
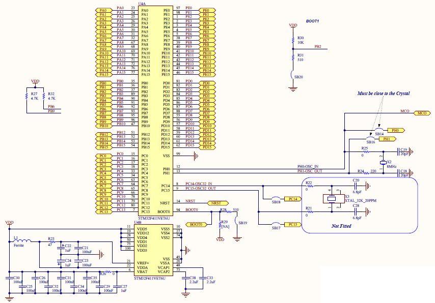
The STMicroelectronics STM32F411E-DISCO Discovery Kit is a comprehensive development platform for the STM32F411VET6 microcontroller. It features a wide range of security features, including secure boot, secure firmware update, and secure debug. The kit also includes the STM32CubeF4 firmware package, which provides a comprehensive set of middleware components for developing applications with the STM32F411VET6. The kit includes an ST-LINK/V2-A debugger/programmer, a USB cable, and a set of expansion boards for easy prototyping. The STM32F411E-DISCO Discovery Kit is an ideal platform for developing applications in the industrial, medical, and consumer markets.
Specifications
STMicroelectronics technical specifications, attributes, parameters and parts with similar specifications to STMicroelectronics .
- TypeParameter
- Mounting TypeFixed
- Memory TypesRAM
- SeriesSTM32F4
- Part StatusActive
- Moisture Sensitivity Level (MSL)1 (Unlimited)
- TypeMCU 32-Bit
- Operating Supply Voltage5V
- InterfaceI2C, I2S, SDIO, SPI, USART
- Memory Size128kB
- Number of Bits32
- Core ProcessorARM® Cortex®-M4
- Data Bus Width32b
- Utilized IC / PartSTM32F411VE
- Evaluation KitYes
- Core ArchitectureARM
- ContentsBoard(s)
- Board TypeEvaluation Platform
- REACH SVHCNo SVHC
- RoHS StatusROHS3 Compliant
- Lead FreeLead Free
0 Similar Products Remaining
Technical Documents
Associated Products
| Part Number | Manufacturer | Description | Stock | RFQ |
|---|---|---|---|---|
| STMicroelectronics | EMI Filter 2-Line Flat Style SMD T/R | 9 | RFQ | |
| STMicroelectronics | MCU 32-bit ARM Cortex M3 RISC 64KB Flash 2.5V/3.3V 48-Pin LQFP Tray | 24810 | RFQ | |
| STMicroelectronics | IC REG LINEAR 3.3V 150MA SOT23-5 | 6000 | RFQ | |
| STMicroelectronics | IC REG LINEAR 2.5V 150MA SOT23-5 | 6000 | RFQ | |
| STMicroelectronics | MCU 32-Bit STM32F ARM Cortex M4 RISC 512KB Flash 3.3V 100-Pin LQFP Tray | 0 | RFQ | |
| STMicroelectronics | IC MCU 32BIT 512KB FLASH 100LQFP | 5492 | RFQ | |
| STMicroelectronics | IC PWR SWITCH 1CH 500MA SOT23-5 | 18000 | RFQ | |
| STMicroelectronics | 16/32-BITS MICROS | 4200 | RFQ |


Product
Brand
Articles
Tools






























