Microchip Technology DM330021-2Power Management IC Development Tools 64KB Flash, 8KB RAM 16MIPS USBOTG Crypto
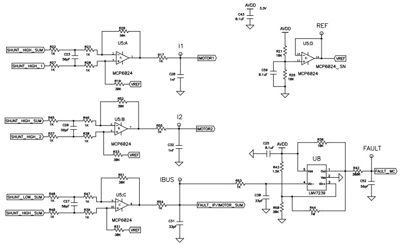
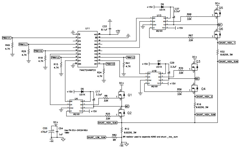
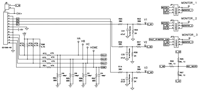
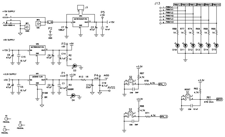
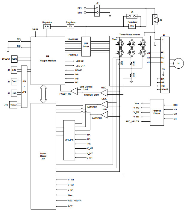
The Microchip Technology DM330021-2, dsPICDEM MCLV-2 Development Board is a powerful tool for motor control applications. It is designed to control a Brushless DC (BLDC) motor or Permanent Magnet Synchronous Motor (PMSM) in either sensor or sensorless operation. The board is equipped with a Motor Control Library (MCL) and a dsPIC Digital Signal Controller (DSC). The MCL provides a comprehensive set of functions for motor control, including speed control, current control, and position control. The dsPIC DSC provides a powerful 32-bit processor for executing motor control algorithms. The board also includes a USB interface for programming and debugging, as well as a graphical user interface for monitoring and controlling the motor. The DM330021-2 is an ideal platform for developing and testing motor control applications.
- TypeParameter
- Factory Lead Time14 Weeks
- SeriesdsPICDEM™
- Published2008
- Part StatusActive
- Moisture Sensitivity Level (MSL)1 (Unlimited)
- TypePower Management
- FunctionMotor Controller/Driver
- Operating Supply Voltage24V
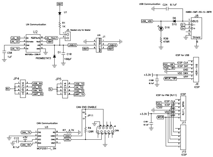
- InterfaceCAN, LIN, RS-232, USB
- Number of Bits16
- Utilized IC / PartdsPIC33EP256MC506
- Supplied ContentsBoard(s)
- Evaluation KitYes
- Core ArchitecturedsPIC
- EmbeddedYes, MCU, 16-Bit
- REACH SVHCNo SVHC
- RoHS StatusROHS3 Compliant
- Lead FreeLead Free
| Part Number | Manufacturer | Description | Stock | RFQ |
|---|---|---|---|---|
| Texas Instruments | TEXAS INSTRUMENTS LMV7239M5/NOPB. LOW POWER COMPARATOR, SINGLE, 45NS SOT23-5, FULL REEL | 0 | RFQ | |
| Texas Instruments | TEXAS INSTRUMENTS LMV7239M7/NOPB COMPARATOR, LP RRI, 45NS, POWERWISE,REEL | 0 | RFQ | |
| Infineon Technologies | Driver 600V 2.3A 2-OUT High and Low Side Non-Inv 8-Pin SOIC N T/R | 2500 | RFQ | |
| Microchip Technology | IC MCU 8BIT 16KB FLASH 28SDIP | 0 | RFQ | |
| Infineon Technologies | IC GATE DRVR HALF-BRIDGE 14SOIC | 15863 | RFQ | |
| Microchip Technology | IC OPAMP GP 4 CIRCUIT 14SOIC | 0 | RFQ | |
| Microchip Technology | PIC18 Series 16 kB Flash 768 B RAM SMT 8-Bit Microcontroller - QFN-28 | 0 | RFQ | |
| Infineon Technologies | IC GATE DRVR HALF-BRIDGE 8SOIC | 0 | RFQ | |
| Infineon Technologies | Driver 600V 2.3A 2-OUT High and Low Side Non-Inv 14-Pin SOIC N T/R | 0 | RFQ |


Product
Brand
Articles
Tools









































