Microchip Technology DV16402716-BIT 28-PIN PIC24/DSPIC30F/33F
Description
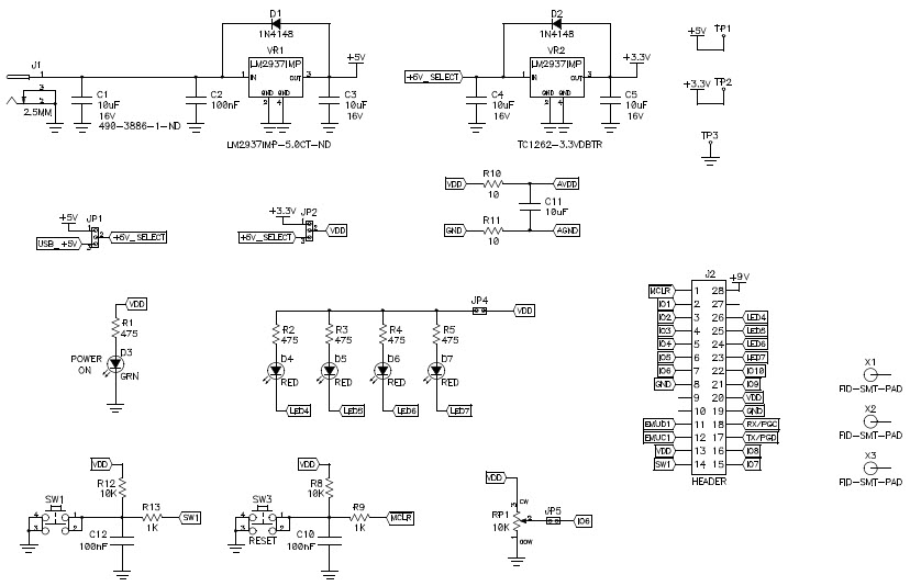
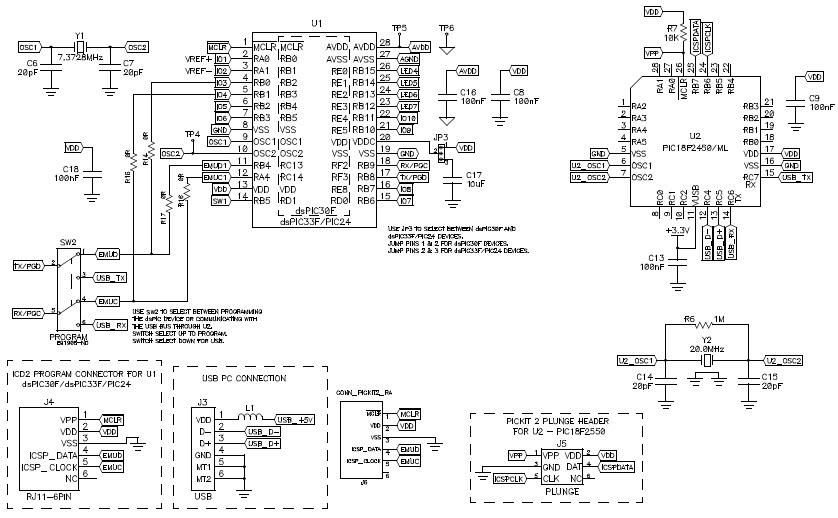
The Microchip Technology DV164027 Starter Development Board is a comprehensive development platform for 28-pin PIC24 Microcontrollers or dsPIC Digital Signal Controllers (DSC) devices. It is designed to help engineers quickly and easily develop and debug their applications. The board features a USB interface for programming and debugging, as well as a motor control interface for controlling motors. It also includes a variety of on-board peripherals, such as an LCD display, LEDs, push buttons, and a potentiometer. The board is compatible with the MPLAB X Integrated Development Environment (IDE) and the MPLAB Code Configurator (MCC) for easy programming and debugging.
Specifications
Microchip Technology technical specifications, attributes, parameters and parts with similar specifications to Microchip Technology .
- TypeParameter
- MountSocket
- Mounting TypeSocket
- Package / CaseModule
- Number of Pins28
- SeriesdsPIC®, PIC®
- Published2003
- Part StatusObsolete
- Moisture Sensitivity Level (MSL)1 (Unlimited)
- TypeMCU 16-Bit
- Operating Supply Voltage5V
- InterfaceUSB
- Number of Bits8
- Core ProcessorPIC, dsPIC
- Utilized IC / PartPIC24, dsPIC30F, dsPIC33F
- Evaluation KitYes
- ContentsBoard(s), Cable(s), Accessories, MPLAB® ICD 2 Programmer
- Board TypeEvaluation Platform
- Platform16-Bit 28-Pin
- REACH SVHCNo SVHC
- Radiation HardeningNo
- RoHS StatusROHS3 Compliant
- Lead FreeLead Free
0 Similar Products Remaining
Technical Documents
Associated Products
| Part Number | Manufacturer | Description | Stock | RFQ |
|---|---|---|---|---|
| Microchip Technology | IC CONTROLLER LI-ION 4.5V 10DFN | 15 | RFQ |


Product
Brand
Articles
Tools





















