Microchip Technology MCP1640EV-SBCBOARD EVAL FOR MCP1640
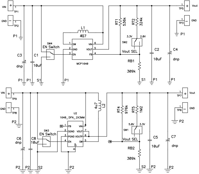
The Microchip Technology MCP1640EV-SBC, MCP1640 Synchronous Boost Converter Evaluation Board, Communications and Telecom Board is a powerful and versatile evaluation board designed to evaluate the performance of the MCP1640 Synchronous Boost Converter. It features a wide range of features and capabilities, including a wide input voltage range, adjustable output voltage, adjustable switching frequency, and a wide range of protection features. The board also includes a USB interface for easy connection to a PC, and a variety of communication and telecom interfaces, including RS-232, RS-485, and CAN. The board is ideal for evaluating the performance of the MCP1640 Synchronous Boost Converter in a variety of applications, including automotive, industrial, and consumer electronics.
- TypeParameter
- Factory Lead Time14 Weeks
- Published2008
- Part StatusActive
- Moisture Sensitivity Level (MSL)1 (Unlimited)
- Base Part NumberMCP1640
- Current - Output100mA 350mA
- Voltage - Output2V 3.3V or 5V
- Frequency - Switching500kHz
- Utilized IC / PartMCP1640
- Supplied ContentsBoard(s)
- Evaluation KitYes
- Board TypeFully Populated
- Main PurposeDC/DC, Step Up
- Outputs and Type1, Non-Isolated
- Regulator TopologyBoost
- REACH SVHCNo SVHC
- Radiation HardeningNo
- RoHS StatusNon-RoHS Compliant
- Lead FreeLead Free
| Part Number | Manufacturer | Description | Stock | RFQ |
|---|---|---|---|---|
| Microchip Technology | IC REG BST ADJ 0.35A SYNC SOT23 | 33500 | RFQ | |
| Microchip Technology | IC REG BST ADJ 0.35A SYNC SOT23 | 3000 | RFQ | |
| Microchip Technology | IC REG BOOST ADJ 0.35A SYNC 8DFN | 2191 | RFQ | |
| Microchip Technology | IC REG BST ADJ 0.35A SYNC SOT23 | 6000 | RFQ | |
| Microchip Technology | IC REG BOOST ADJ 0.35A SYNC 8DFN | 1997 | RFQ | |
| Microchip Technology | IC REG BOOST ADJ 0.35A SYNC 8DFN | 5 | RFQ | |
| Microchip Technology | IC REG BOOST ADJ 0.35A SYNC 8DFN | 29 | RFQ | |
| Microchip Technology | IC REG BOOST ADJ 0.35A SYNC 8DFN | 10000 | RFQ | |
| Microchip Technology | IC REG BOOST ADJ 0.35A SYNC 8DFN | 5 | RFQ | |
| Nidec Copal Electronics | SWITCH SLIDE SPDT 100MA 6V | 3600 | BUY | |
| Nidec Copal Electronics | SWITCH SLIDE SPDT 100MA 6V | 6825 | RFQ |


Product
Brand
Articles
Tools

















