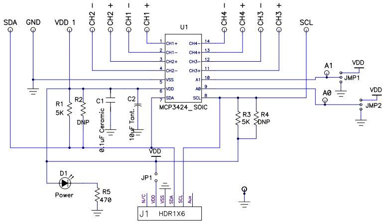
Microchip Technology MCP3424EVEVALUATION BOARD FOR MCP3424
Temperature Range. The board is designed to provide a simple and easy to use platform for evaluating the features and performance of the MCP3424 device. The board includes a USB interface for easy connection to a PC, and a set of jumpers and switches to configure the device for various operating modes. The board also includes a set of LEDs to indicate the status of the device, and a set of test points to allow for easy probing of the device signals. The board also includes a set of test points to allow for easy probing of the device signals. The board also includes a set of test points to allow for easy probing of the device signals. The board also includes a set of test points to allow for easy probing of the device signals. The board also includes a set of test points to allow for easy probing of the device signals. The board also includes a set of test points to allow for easy probing of the device signals. The board also includes a set of test points to allow for easy probing of the device signals. The board also includes a set of test points to allow for easy probing of the device signals. The board also includes a set of test points to allow for easy probing of the device signals. The board also includes a set of test points to allow for easy probing of the device signals. The board also includes a set of test points to allow for easy probing of the device signals. The board also includes a set of test points to allow for easy probing of the device signals. The board also includes a set of test points to allow for easy probing of the device signals. The board also includes a set of test points to allow for easy probing of the device signals. The board also includes a set of test points to allow for easy probing of the device signals. The board also includes a set of test points to allow for easy probing of the device signals. The board also includes a set of test points to allow for easy probing of the device signals. The board also includes
- TypeParameter
- Factory Lead Time14 Weeks
- MountFront
- PackagingBox
- Published2008
- Part StatusActive
- Moisture Sensitivity Level (MSL)1 (Unlimited)
- Base Part NumberMCP3424
- Operating Supply Voltage5V
- InterfaceI2C
- Number of Bits18
- Utilized IC / PartMCP3424
- Supplied ContentsBoard(s)
- Data InterfaceI2C
- Evaluation KitYes
- Sampling Rate (Per Second)3.75 ~ 240
- Number of A/D Converters1
- Input Range±2.048V
- REACH SVHCNo SVHC
- RoHS StatusROHS3 Compliant
- Lead FreeLead Free


Product
Brand
Articles
Tools













