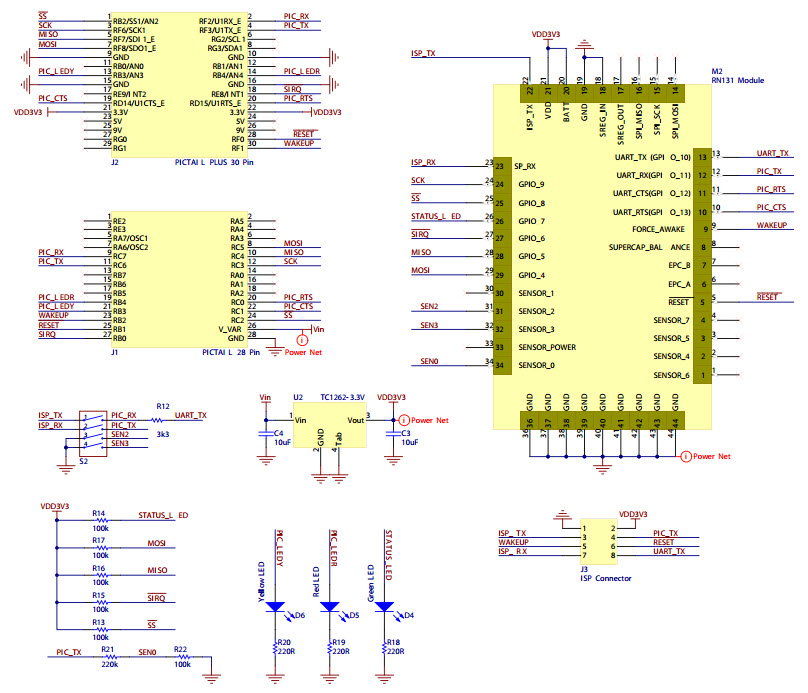
Microchip Technology RN-131-PICTAILWiFi / 802.11 Development Tools RN-131 PICtail
The Microchip Technology RN-131-PICTAIL, PICtail Development Board is a powerful and versatile tool for developing medical and healthcare solutions. It is based on the RN-131 WiFi module, which provides a secure, low-power, and reliable wireless connection for medical and healthcare applications. The board features a wide range of peripherals, including an LCD display, temperature sensor, accelerometer, and a variety of other sensors. It also includes a PICtail connector, which allows for easy connection to a variety of Microchip microcontrollers. The board is designed to be used with the Microchip MPLAB X Integrated Development Environment (IDE) and the MPLAB Code Configurator (MCC) for easy configuration and programming. With its wide range of features and capabilities, the RN-131-PICTAIL, PICtail Development Board is an ideal solution for developing medical and healthcare solutions.
- TypeParameter
- Factory Lead Time14 Weeks
- Package / CaseModule
- SeriesPICtail™
- Published2012
- Part StatusActive
- Moisture Sensitivity Level (MSL)1 (Unlimited)
- TypeTransceiver; 802.11 b/g (Wi-Fi, WiFi, WLAN)
- Frequency2.4GHz
- InterfaceSPI, UART
- Supplied ContentsBoard(s)
- Evaluation KitYes
- Core ArchitecturePIC
- REACH SVHCNo SVHC
- Radiation HardeningNo
- RoHS StatusROHS3 Compliant
- Lead FreeLead Free
| Part Number | Manufacturer | Description | Stock | RFQ |
|---|---|---|---|---|
| Silicon Labs | MCU 8-bit C8051F320 8051 CISC 16KB Flash 3.3V 32-Pin LQFP | 0 | RFQ | |
| Silicon Labs | 8-bit Microcontrollers - MCU 16KB 10ADC USB 32Pin Tape and Reel | 6095 | BUY |


Product
Brand
Articles
Tools


















