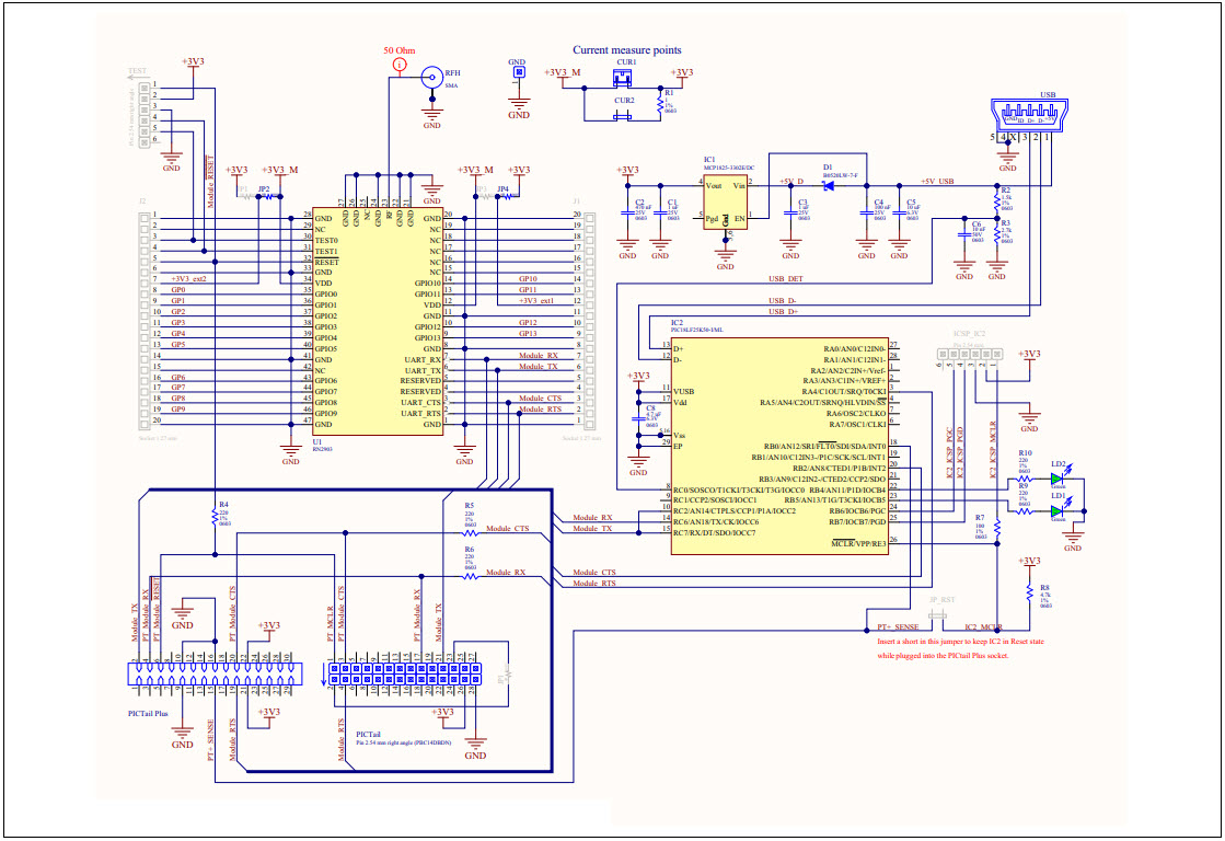
Microchip Technology RN-2903-PICTAILRN2903 PICTAIL(TM)/PICTAIL PLUS
The Microchip Technology RN-2903-PICTAIL, RN-2903-PICTAIL, RN2903 LoRa Technology PICtail/PICtail Plus Daughter Board, Instrumentation and Measurement Development Tools is a comprehensive development platform for LoRa-based applications. It is designed to enable rapid prototyping and development of LoRa-based solutions. The board includes a RN2903 LoRa module, a PICtail Plus daughter board, and a range of instrumentation and measurement development tools. The board is ideal for applications such as asset tracking, smart metering, and industrial automation. It is also suitable for use in a variety of other applications, such as home automation, security, and healthcare. The board is compatible with a range of Microchip microcontrollers, and is designed to be easy to use and configure. It also includes a range of features, such as a USB interface, an on-board debugger, and a range of sensors.
- TypeParameter
- Factory Lead Time14 Weeks
- SeriesPICtail™ Plus
- Published2016
- Part StatusActive
- Moisture Sensitivity Level (MSL)1 (Unlimited)
- TypeTransceiver; LoRa® (LoRaWAN™)
- Frequency915MHz
- Supplied ContentsBoard(s), Cable(s)
- Evaluation KitYes
- RoHS StatusROHS3 Compliant
- Lead FreeLead Free
| Part Number | Manufacturer | Description | Stock | RFQ |
|---|---|---|---|---|
| Microchip Technology | LORA TRANSCEIVER MODULE SOUTH AM | 1588 | BUY | |
| Microchip Technology | TXRX RF MOD LORA 47PIN RM | 1500 | RFQ | |
| Microchip Technology | RF Transceiver Module FSK/GFSK/LoRa 915MHz 2.1V to 3.6V SMD Tray | 400 | RFQ | |
| Microchip Technology | 4 | RFQ |


Product
Brand
Articles
Tools


















