Microchip Technology ATSAMR21-XPROATMEL ATSAMR21-XPROEVAL BOARD, ATSAMR21G18A SAM R21 MCU
Applications:
Wireless Communication >
Wireless Systems
End Products:
IndustrialIndustrial Automation HMIVideo and ImagingWashing MachineGame ConsoleHome EntertainmentRefrigerator and freezerComputers and PeripheralsSecuritySensorsRemote ControlHome AppliancesBuilding AutomationMeasurement InstrumentsInduction CookingLighting control systemsFluorescent Lamp BallastPortable Media PlayerGas and Water MeterHID Lamp BallastSmart Energy
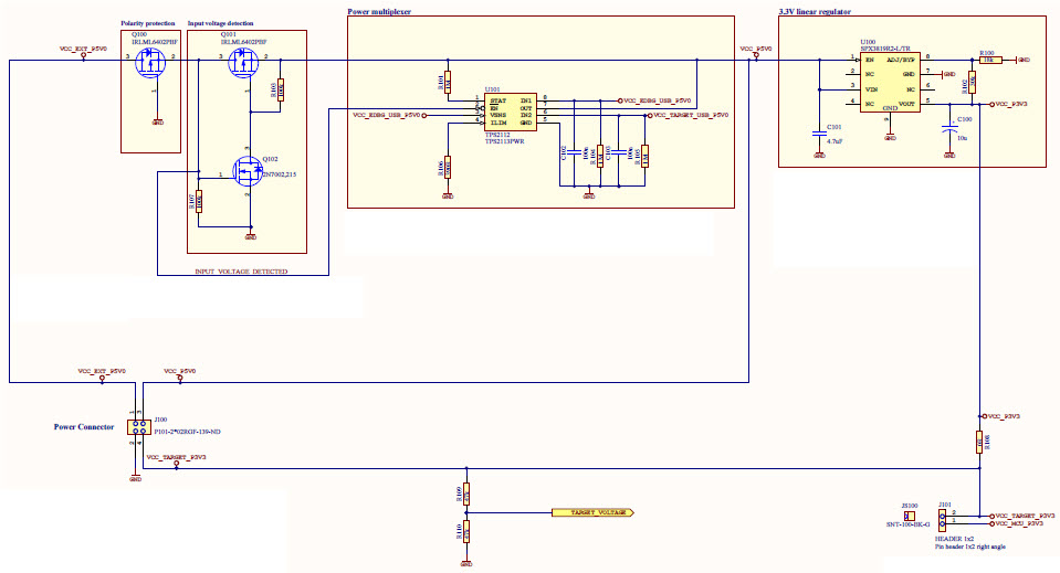
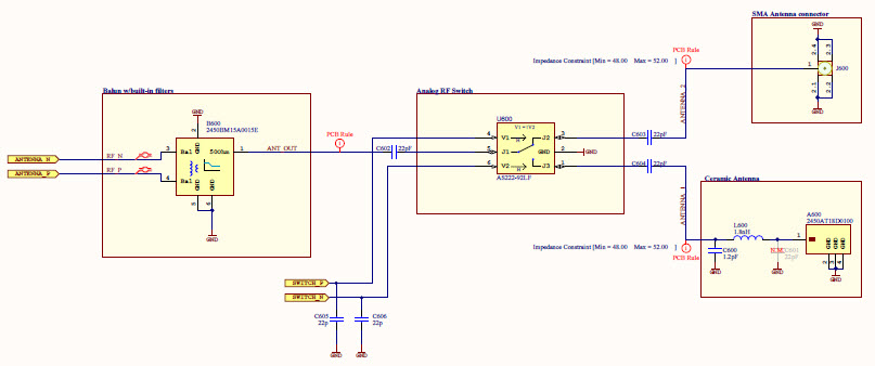
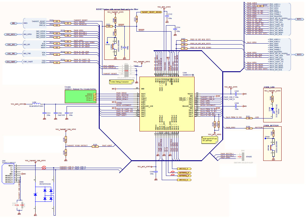
It is a complete evaluation kit with an onboard Embedded Debugger, on-board sensors, and a wide range of peripherals. The kit includes an ATSAMR21G18A Microcontroller, an on-board Embedded Debugger, a USB cable, a power supply, and a set of on-board sensors. The ATSAMR21G18A Microcontroller is a low-power, 32-bit ARM Cortex-M0+ Microcontroller with 256KB of Flash memory and 32KB of SRAM. It features an integrated 12-bit ADC, a 10-bit DAC, and a wide range of communication peripherals, including USB, CAN, and Ethernet. The on-board Embedded Debugger allows for easy debugging and programming of the ATSAMR21G18A Microcontroller. The kit also includes a wide range of on-board sensors, including an accelerometer, a temperature sensor, a light sensor, and a humidity sensor. The ATSAMR21-XPRO Evaluation Kit is an ideal platform for evaluating the ATSAMR21G18A Microcontroller and its features.
- TypeParameter
- Factory Lead Time14 Weeks
- SeriesSAM R
- Published2001
- Part StatusActive
- Moisture Sensitivity Level (MSL)1 (Unlimited)
- TypeTransceiver; 802.15.4
- Frequency2.4GHz
- Operating Supply Voltage3.3V
- InterfaceGPIO, SPI, UART, USB
- Number of Bits32
- Data Bus Width32b
- Supplied ContentsBoard(s)
- Evaluation KitYes
- Core ArchitectureARM
- REACH SVHCNo SVHC
- RoHS StatusROHS3 Compliant
- Lead FreeLead Free
| Part Number | Manufacturer | Description | Stock | RFQ |
|---|---|---|---|---|
| Epson | 0 | RFQ | ||
| Microchip Technology | IC MCU 32BIT 256KB FLASH 100BGA | 1088 | RFQ | |
| Texas Instruments | IC OR CTRLR SRC SELECT 8TSSOP | 7582 | BUY |


Product
Brand
Articles
Tools
































