Nordic Semiconductor ASA nRF905-EVKIT-433RF Modules NRF905 EVAL KIT 433MHZ
Description
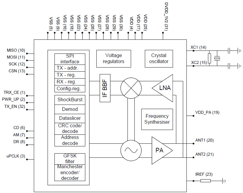
The Nordic Semiconductor nRF905-EVKIT-433 is an evaluation kit for the nRF905 single chip 433MHz RF transceiver with embedded 8051 compatible microcontroller. This kit is designed for automotive and transportation applications, and is ideal for testing and evaluating the nRF905 transceiver. It includes a range of features such as a built-in antenna, a range of power supply options, and a range of software tools for programming and debugging. The kit also includes a range of accessories such as a USB cable, a serial cable, and a range of antennas. The nRF905-EVKIT-433 is a great tool for developers and engineers looking to evaluate the nRF905 transceiver for their automotive and transportation applications.
Specifications
Nordic Semiconductor ASA technical specifications, attributes, parameters and parts with similar specifications to Nordic Semiconductor ASA .
- TypeParameter
- Factory Lead Time16 Weeks
- Published2004
- Part StatusObsolete
- Moisture Sensitivity Level (MSL)1 (Unlimited)
- TypeTransceiver
- Frequency433MHz
- Supplied ContentsBoard(s), Cable(s)
- Evaluation KitYes
- RoHS StatusRoHS Compliant
0 Similar Products Remaining
Technical Documents
Associated Products
| Part Number | Manufacturer | Description | Stock | RFQ |
|---|---|---|---|---|
| Nordic Semiconductor ASA | RF Transceiver 1.9-3.6V 433/868/ 915MHz TRNSCVR | 2 | RFQ | |
| Nordic Semiconductor ASA | NORDIC SEMICONDUCTOR - NRF905 - IC, TRANSCEIVER, 430 928MHZ, SMD | 20 | RFQ |


Product
Brand
Articles
Tools


