ON Semiconductor NV47711PDAJGEVBEVAL BOARD NV47711PDAJG
Description
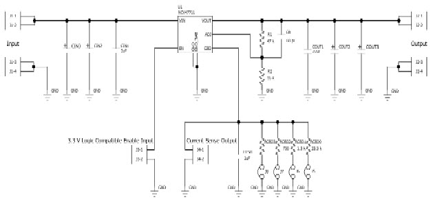
The ON Semiconductor NV47711PDAJGEVB-PDAJGEVB is an evaluation board for the NV47711, a DC to DC single output power supply designed for infotainment, military, and aerospace applications. This board is designed to provide a regulated output voltage of 5V and a maximum output current of 1.5A. It features a wide input voltage range of 4.5V to 28V, and is capable of operating in temperatures ranging from -40°C to +125°C. The board also includes a variety of protection features, such as over-voltage, over-current, and short-circuit protection. Additionally, the board is RoHS compliant and is designed to meet the requirements of MIL-STD-704F.
Specifications
ON Semiconductor technical specifications, attributes, parameters and parts with similar specifications to ON Semiconductor .
- TypeParameter
- PackagingBox
- Published2012
- Part StatusActive
- Moisture Sensitivity Level (MSL)1 (Unlimited)
- Max Operating Temperature150°C
- Min Operating Temperature-40°C
- Voltage - Output5V
- Utilized IC / PartNCV47711
- Supplied ContentsBoard(s)
- Evaluation KitYes
- Regulator TypePositive Adjustable
- Board TypeFully Populated
- Channels per IC1 - Single
- RoHS StatusROHS3 Compliant
0 Similar Products Remaining
Technical Documents
Associated Products
| Part Number | Manufacturer | Description | Stock | RFQ |
|---|---|---|---|---|
| ON Semiconductor | Linear Voltage Regulator, LDO, High Accuracy, 500 mA, with Power Good Function | 3000 | BUY |


Product
Brand
Articles
Tools









