STMicroelectronics STEVAL-IKR002V3DBOARD DAUGHTER SPIRIT1 433MHZ
Description
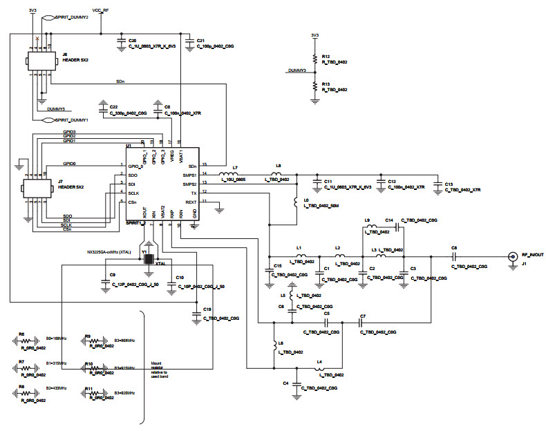
The STMicroelectronics STEVAL-IKR002V3D is a SPIRIT1 433-MHz low data rate Transceiver Daughter Board designed for instrumentation and measurement applications. It is based on the STMicroelectronics SPIRIT1 transceiver IC, which is a low-power, low-data rate transceiver designed for short-range wireless communication. The board features an integrated antenna, a power supply, and a UART interface for communication. It is capable of transmitting and receiving data at up to 10 kbps, and is ideal for applications such as remote sensing, home automation, and industrial automation. The board is also compatible with the STMicroelectronics STM32F4 microcontroller, making it easy to integrate into existing systems.
Specifications
STMicroelectronics technical specifications, attributes, parameters and parts with similar specifications to STMicroelectronics .
- TypeParameter
- Part StatusActive
- Moisture Sensitivity Level (MSL)1 (Unlimited)
- TypeTransceiver
- Frequency433MHz
- Supplied ContentsBoard(s)
- RoHS StatusROHS3 Compliant
0 Similar Products Remaining
Technical Documents
Associated Products
| Part Number | Manufacturer | Description | Stock | RFQ |
|---|---|---|---|---|
| NDK | 0 | RFQ | ||
| NDK | NX3225GA-48.000M-STD-CRG-2 | 0 | RFQ | |
| STMicroelectronics | IC EEPROM 64K SPI 20MHZ 8SO | 4557 | RFQ | |
| NDK America, Inc. | CRYSTAL 10.0000MHZ 8PF SMD | 281 | RFQ | |
| NDK | 0 | RFQ |


Product
Brand
Articles
Tools







