STMicroelectronics STEVAL-ISA187V1EVAL BOARD FOR A6985F
Description
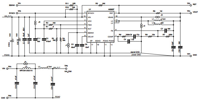
The STMicroelectronics STEVAL-ISA187V1 is an evaluation board based on the A6985F 38V, 0.5A Synchronous Step-Down Switching Regulator. It is designed for automotive and transportation applications, and is capable of providing a regulated output voltage of up to 38V. The board features a wide input voltage range of 4.5V to 38V, and is capable of delivering up to 0.5A of output current. It also features a wide range of protection features, including over-current, over-voltage, and thermal protection. The board is also equipped with a power-on reset circuit, and a power-good indicator. The STEVAL-ISA187V1 is an ideal solution for automotive and transportation applications that require a reliable and efficient power supply.
Specifications
STMicroelectronics technical specifications, attributes, parameters and parts with similar specifications to STMicroelectronics .
- TypeParameter
- Part StatusActive
- Moisture Sensitivity Level (MSL)1 (Unlimited)
- Voltage - Output3.3V
- Frequency - Switching2MHz
- Utilized IC / PartA6985F
- Supplied ContentsBoard(s)
- Evaluation KitYes
- Board TypeFully Populated
- Main PurposeDC/DC, Step Down
- Outputs and Type1, Non-Isolated
- Regulator TopologyBuck
- RoHS StatusNon-RoHS Compliant
0 Similar Products Remaining
Technical Documents
Associated Products
| Part Number | Manufacturer | Description | Stock | RFQ |
|---|---|---|---|---|
| STMicroelectronics | LED5000 Series 5.5 - 48 V 850 kH 3 A Step-Down Current Source w/ Dimming -HSOP-8 | 0 | RFQ |


Product
Brand
Articles
Tools









