STMicroelectronics STEVAL-ISA188V1EVAL BOARD FOR A6986F3V3
Description
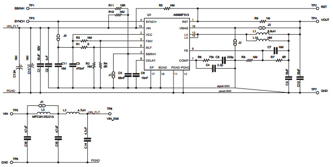
The STMicroelectronics STEVAL-ISA188V1 is an evaluation board based on the A6986F3V3, 8V, 1.5A Synchronous Step-Down Switching Regulator. It is designed for automotive and transportation applications, and is capable of providing a regulated output voltage of up to 8V at a maximum current of 1.5A. The board features a wide input voltage range of 4.5V to 40V, and is protected against over-current, over-temperature, and short-circuit conditions. It also includes a power-on reset circuit, and a low-power shutdown mode. The board is designed to be used with the STM32F103 microcontroller, and includes a USB connector for easy connection to a PC.
Specifications
STMicroelectronics technical specifications, attributes, parameters and parts with similar specifications to STMicroelectronics .
- TypeParameter
- Part StatusActive
- Moisture Sensitivity Level (MSL)1 (Unlimited)
- Voltage - Output3.3V
- Frequency - Switching500kHz
- Utilized IC / PartA6986F3V3
- Supplied ContentsBoard(s)
- Evaluation KitYes
- Board TypeFully Populated
- Main PurposeDC/DC, Step Down
- Outputs and Type1, Non-Isolated
- Regulator TopologyBuck
- REACH SVHCNo SVHC
- RoHS StatusNon-RoHS Compliant
0 Similar Products Remaining
Technical Documents
Associated Products
| Part Number | Manufacturer | Description | Stock | RFQ |
|---|---|---|---|---|
| STMicroelectronics | IC LED DRIVER RGLTR DIM 4A 8HSOP | 2500 | RFQ |


Product
Brand
Articles
Tools









