STMicroelectronics STEVAL-MKI137V1Magnetic Sensor Development Tools LIS3MDL Adapter BRD Standard DIL 24
Description
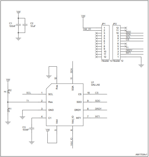
The STMicroelectronics STEVAL-MKI137V1 is a communications and telecom evaluation board designed to provide a platform for testing and evaluating the performance of the LIS3MDL magnetometer. The board features a standard DIL24 socket adapter board, allowing for easy integration into existing systems. The board is equipped with a range of features, including a USB interface, a 3-axis accelerometer, a 3-axis magnetometer, and a 3-axis gyroscope. The board also includes a range of software tools, such as a graphical user interface, a data logger, and a range of communication protocols. The board is ideal for testing and evaluating the performance of the LIS3MDL magnetometer in a variety of applications.
Specifications
STMicroelectronics technical specifications, attributes, parameters and parts with similar specifications to STMicroelectronics .
- TypeParameter
- MountSocket
- Part StatusActive
- Moisture Sensitivity Level (MSL)1 (Unlimited)
- Voltage - Supply1.9V~3.6V
- Operating Supply Voltage3.6V
- InterfaceI2C, SPI
- Data Bus Width32b
- Utilized IC / PartLIS3MDL
- Supplied ContentsBoard(s)
- Evaluation KitYes
- Sensor TypeMagnetic, Magnetometer
- Sensitivity6842LSB/gauss, 3421LSB/gauss, 2281LSB/gauss, 1711LSB/gauss
- EmbeddedNo
- Sensing Range±4, 8, 12, 16 gauss
- REACH SVHCNo SVHC
- RoHS StatusROHS3 Compliant
- Lead FreeLead Free
0 Similar Products Remaining
Technical Documents
Associated Products
| Part Number | Manufacturer | Description | Stock | RFQ |
|---|---|---|---|---|
| STMicroelectronics | AC to DC Switching Converter Off-Line Switcher 103kHz to 127kHz Tube 7-Pin DIP | 0 | RFQ |


Product
Brand
Articles
Tools














