STMicroelectronics STEVAL-MKI193V1ASM330LHH ADAPTER BOARD FOR A ST
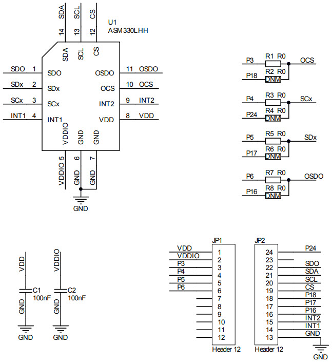
The STMicroelectronics STEVAL-MKI193V1 is a communications and telecom evaluation board designed to provide a comprehensive platform for testing and evaluating the performance of STMicroelectronics ASM330LHH motion sensor. The board features a standard DIL24 socket adapter board, allowing for easy integration into existing systems. The board includes a variety of features, such as a USB interface, a 3-axis accelerometer, a 3-axis gyroscope, a 3-axis magnetometer, and a temperature sensor. Additionally, the board is equipped with a variety of communication protocols, including I2C, SPI, and UART. The board also includes a variety of software tools, such as a graphical user interface, a data logger, and a motion library. The STEVAL-MKI193V1 is an ideal solution for testing and evaluating the performance of the ASM330LHH motion sensor.
- TypeParameter
- Part StatusActive
- Moisture Sensitivity Level (MSL)1 (Unlimited)
- Voltage - Supply2V~3.6V
- InterfaceI2C, Serial, SPI
- Utilized IC / PartASM330LHH
- Supplied ContentsBoard(s)
- Sensor TypeAccelerometer, Gyroscope, 3 Axis
- Sensing Range±2g, 4g, 8g, 16g, ±125°/sec, ±250°/sec, ±500°/sec, ±1000°/sec, ±2000°/sec, ±4000°/sec
| Part Number | Manufacturer | Description | Stock | RFQ |
|---|---|---|---|---|
| STMicroelectronics | AC to DC Switching Converter Off-Line Switcher 27kHz to 33kHz Tube 10-Pin SSO | 50000 | RFQ |


Product
Brand
Articles
Tools












