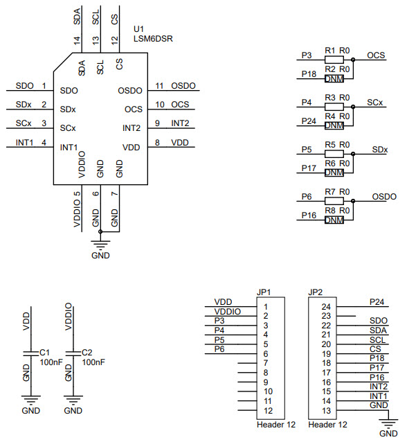
STMicroelectronics STEVAL-MKI194V1LSM6DSR ADAPTER BOARD FOR A STAN
The STMicroelectronics STEVAL-MKI194V1 is a communications and telecom evaluation board designed to provide a platform for testing and evaluating the performance of STMicroelectronics' LSM6DSR motion sensor. The board features a standard DIL24 socket, allowing for easy integration into existing systems. It also includes a USB interface for easy connection to a PC, as well as a 3.3V power supply for powering the board. The board is designed to provide a comprehensive set of features for testing and evaluating the performance of the LSM6DSR motion sensor, including a range of motion sensing capabilities, a wide range of communication protocols, and a variety of other features. The board is also designed to be easy to use, with a simple user interface and intuitive software.
- TypeParameter
- SeriesiNEMO
- Part StatusActive
- Moisture Sensitivity Level (MSL)1 (Unlimited)
- Voltage - Supply1.71V~3.6V
- InterfaceI2C, Serial, SPI
- Utilized IC / PartLSM6DSR
- Supplied ContentsBoard(s)
- Sensor TypeAccelerometer, Gyroscope, 3 Axis
- Sensing Range±2g, 4g, 8g, 16g, ±125°/sec, ±250°/sec, ±500°/sec, ±1000°/sec, ±2000°/sec, ±4000°/sec
- RoHS StatusROHS3 Compliant
| Part Number | Manufacturer | Description | Stock | RFQ |
|---|---|---|---|---|
| STMicroelectronics | IC REG LINEAR 3.3V 150MA SOT23-5 | 12000 | BUY | |
| STMicroelectronics | EMI Filter Noise Suppression 30MHz to 1000MHz Gull Wing SMD Automotive T/R | 12000 | RFQ |


Product
Brand
Articles
Tools















