STMicroelectronics STEVAL-MKI213V1STEVAL-MKI213V1
Description
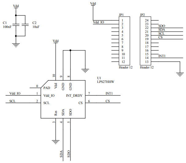
The STMicroelectronics STEVAL-MKI213V1 is a communications and telecom evaluation board designed to provide a comprehensive platform for testing and evaluating a wide range of telecom and communications applications. The board is equipped with an LPS27HHW adapter board for a standard DIL24 socket, allowing for easy connection to a variety of telecom and communications devices. The board also features a range of peripherals, including a USB port, an Ethernet port, an RS232 port, and a CAN bus port. The board also includes a range of on-board components, such as a microcontroller, a power supply, and a range of sensors. The board is designed to be used in a variety of telecom and communications applications, including VoIP, GSM, and LTE.
Specifications
STMicroelectronics technical specifications, attributes, parameters and parts with similar specifications to STMicroelectronics .
- TypeParameter
- PackagingBulk
- Part StatusActive
- Moisture Sensitivity Level (MSL)1 (Unlimited)
- Voltage - Supply1.7V~3.6V
- InterfaceI2C, Serial, SPI
- Utilized IC / PartLPS27HHW
- Supplied ContentsBoard(s)
- Sensor TypePressure
- Sensing Range260 ~ 1260 hPa
- RoHS StatusROHS3 Compliant
0 Similar Products Remaining
Technical Documents
Associated Products
| Part Number | Manufacturer | Description | Stock | RFQ |
|---|---|---|---|---|
| STMicroelectronics | MEMS Pressure Sensor 260hPa to 1260hPa Absolute Digital Output Barometer with Potted Gel T/R | 54380 | BUY |


Product
Brand
Articles
Tools












