STMicroelectronics STEVAL-SP1ML868RF Development Tools USB dongle for SPIRIT1 low power RF modules SP1ML-868
Description
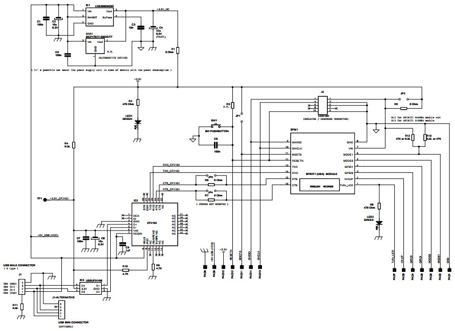
The STMicroelectronics STEVAL-SP1ML868 is a USB dongle board designed for use with the SPIRIT1 low power RF modules based on the SP1ML-868 Industrial Sub-GHz transceiver. This board provides a convenient way to connect the SPIRIT1 module to a PC or laptop for easy configuration and testing. It features an integrated USB interface, an on-board antenna, and a power supply circuit. The board also includes a range of connectors for connecting external antennas, power supplies, and other peripherals. The STEVAL-SP1ML868 is ideal for applications such as industrial automation, home automation, and wireless sensor networks.
Specifications
STMicroelectronics technical specifications, attributes, parameters and parts with similar specifications to STMicroelectronics .
- TypeParameter
- Part StatusObsolete
- Moisture Sensitivity Level (MSL)Not Applicable
- TypeTransceiver
- Max Operating Temperature70°C
- Min Operating Temperature-20°C
- Frequency868MHz
- Operating Supply Voltage5V
- InterfaceUSB
- Supplied ContentsBoard(s)
- Evaluation KitYes
- REACH SVHCNo SVHC
- RoHS StatusROHS3 Compliant
- Lead FreeLead Free
0 Similar Products Remaining
Technical Documents
Associated Products
| Part Number | Manufacturer | Description | Stock | RFQ |
|---|---|---|---|---|
| STMicroelectronics | EMI Filter Noise Suppression 30MHz to 1000MHz Gull Wing SMD Automotive T/R | 2945 | RFQ | |
| Silicon Labs | USB-to-UART 1-CH 640byte FIFO 3.3V Automotive 28-Pin QFN EP T/R | 235 | RFQ | |
| Silicon Labs | SILICON LABS - CP2102N-A02-GQFN24 - Interface Bridges, USB to UART, 3 V, 3.6 V, QFN, 24 Pins, -40 °C | 3562 | RFQ | |
| Silicon Labs | IC Usb to Uart Bridge QFN28 | 0 | RFQ | |
| Silicon Labs | Full Speed USB to UART Bridge USB 2.0 3.3V Tube Automotive 28-Pin QFN EP | 0 | BUY | |
| STMicroelectronics | LDS3985 Series 3.3 V 300 mA Fixed Low Noise LDO BiCMOS Regulator - SOT-23-5 | 15000 | RFQ | |
| Silicon Labs | IC Usb to Uart Bridge QFN24 | 6110 | BUY | |
| Silicon Labs | IC Usb to Uart Bridge QFN20 | 40000 | RFQ | |
| Silicon Labs | Full Speed USB to UART Bridge USB 2.0 3.3V Tube Automotive 20-Pin QFN EP | 3 | BUY |


Product
Brand
Articles
Tools








