MAX3232IPWR: Driver, Receiver, 15kV
16 Terminations 5V 16 Pin MAX3232 Receivers 2/2 Drivers/Receivers 2 Functions









16 Terminations 5V 16 Pin MAX3232 Receivers 2/2 Drivers/Receivers 2 Functions
The MAX3232IPWR is a single-driver, single-receiver RS-232 interface device. The article will show the introduction of the device.
- MAX3232IPWR Description
- MAX3232IPWR Pinout
- MAX3232IPWR CAD Model
- MAX3232IPWR Features
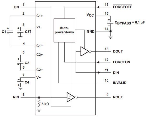
- MAX3232IPWR Functional Block Diagram
- MAX3232IPWR Recommended Operating Conditions
- MAX3232IPWR Equivalents
- Specifications
- MAX3232IPWR Applications
- MAX3232IPWR Typical Application Circuit
- MAX3232IPWR Package
- MAX3232IPWR Manufacturer
- Trend Analysis
- Parts with Similar Specs
MAX3232IPWR Description
The MAX3232IPWR is a single-driver, single-receiver RS-232 interface device. The Human Body Model is used to safeguard all RS-232 inputs and outputs to 15 kV. For operation from a 3.3-V supply, the charge pump requires only four small 0.1-F capacitors. The MAX3221 can operate at data speeds of up to 250 kbps while preserving RS-232 output levels. When FORC is used, automatic power-down can be disabled.
MAX3232IPWR Pinout

MAX3232IPWR CAD Model
Symbol

Footprint

3D Model

MAX3232IPWR Features
• RS-232 Bus-pin ESD protection exceeds ±15 kV using human body model (HBM)
• Meets or exceeds the requirements of TIA/EIA-232-F and ITU V.28 standards
• Operates with 3-V to 5.5-V VCC supply
• Operates up to 250 kbps
• One driver and one receiver
• Low standby current: 1 μA typical
• External capacitors: 4 × 0.1 μF
• Accepts 5-V logic input with 3.3-V supply
• Alternative high-speed pin-compatible device (1 Mbps)
– SNx5C3221
• Automatic power-down feature automatically disables drivers for power savings
MAX3232IPWR Functional Block Diagram

MAX3232IPWR Recommended Operating Conditions
| MIN | NOM | MAX | UNIT | ||||
| Supply voltage | Vcc = 3.3 V | 3 | 3.3 | 3.6 | V | ||
| Vcc = 5 V | 4.5 | 5 | 5.5 | ||||
| Vcc = 3.3 V | 2 | ||||||
| V|H | Driver high-level input voltage | DIN, FORCEOFF, | V | ||||
| FORCEON, EN | Vcc = 5 V | 2.4 | |||||
| V|L | Driver low-level input voltage | DIN, FORCEOFF, FORCEON, EN | 0.8 | V | |||
| V| | Driver input voltage | DIN, FORCEOFF, FORCEON, EN | 0 | 5.5 | V | ||
| Receiver input voltage | -25 | 25 | |||||
| Ta | Operating free-air temperature | MAX3221C | 0 | 70 | °C | ||
| MAX3221I | -40 | 85 | |||||
MAX3232IPWR Equivalents
| Part Number | Description | Manufacturer |
| TRS3221ECPWG4DRIVERS AND INTERFACES | LINE TRANSCEIVER, PDSO16, GREEN, PLASTIC, TSSOP-16 | Texas Instruments |
| TRS3221EIPWDRIVERS AND INTERFACES | 3- to 5.5-V single channel 250kbps RS-232 line driver/receiver with +/-15-kV IEC-ESD protection 16-TSSOP -40 to 85 | Texas Instruments |
| MAX3221ECPWRDRIVERS AND INTERFACES | 3- to 5.5-V single channel 250kbps RS-232 line driver/receiver with +/-15-kV IEC-ESD protection 16-TSSOP 0 to 70 | Texas Instruments |
| SN75C3221DBRG4DRIVERS AND INTERFACES | 3-V To 5.5-V Multichannel RS-232 Line Driver/Receiver 16-SSOP 0 to 70 | Texas Instruments |
| SN65C3221DBRG4DRIVERS AND INTERFACES | LINE TRANSCEIVER, PDSO16, GREEN, PLASTIC, SSOP-16 | Texas Instruments |
| TRS3221EIPWG4DRIVERS AND INTERFACES | LINE TRANSCEIVER, PDSO16, GREEN, PLASTIC, TSSOP-16 | Texas Instruments |
| SP3220BCADRIVERS AND INTERFACES | Line Transceiver, 1 Func, 1 Driver, 1 Rcvr, PDSO16, PLASTIC, SSOP-16 | Exar Corporation |
| SN75C3221DBE4DRIVERS AND INTERFACES | IC LINE TRANSCEIVER, PDSO16, GREEN, PLASTIC, SSOP-16, Line Driver or Receiver | Texas Instruments |
| SN65C3221EDBRG4DRIVERS AND INTERFACES | 3-V To 5.5-V Single Channel RS-232 1 Mbit/s Line Driver/Receiver 16-SSOP -40 to 85 | Texas Instruments |
| SP3220BCYDRIVERS AND INTERFACES | Line Transceiver, 1 Func, 1 Driver, 1 Rcvr, PDSO16, PLASTIC, TSSOP-16 | Exar Corporation |
Specifications
- TypeParameter
- Lifecycle Status
Lifecycle Status refers to the current stage of an electronic component in its product life cycle, indicating whether it is active, obsolete, or transitioning between these states. An active status means the component is in production and available for purchase. An obsolete status indicates that the component is no longer being manufactured or supported, and manufacturers typically provide a limited time frame for support. Understanding the lifecycle status is crucial for design engineers to ensure continuity and reliability in their projects.
ACTIVE (Last Updated: 1 day ago) - Factory Lead Time6 Weeks
- Mount
In electronic components, the term "Mount" typically refers to the method or process of physically attaching or fixing a component onto a circuit board or other electronic device. This can involve soldering, adhesive bonding, or other techniques to secure the component in place. The mounting process is crucial for ensuring proper electrical connections and mechanical stability within the electronic system. Different components may have specific mounting requirements based on their size, shape, and function, and manufacturers provide guidelines for proper mounting procedures to ensure optimal performance and reliability of the electronic device.
Surface Mount - Mounting Type
The "Mounting Type" in electronic components refers to the method used to attach or connect a component to a circuit board or other substrate, such as through-hole, surface-mount, or panel mount.
Surface Mount - Package / Case
refers to the protective housing that encases an electronic component, providing mechanical support, electrical connections, and thermal management.
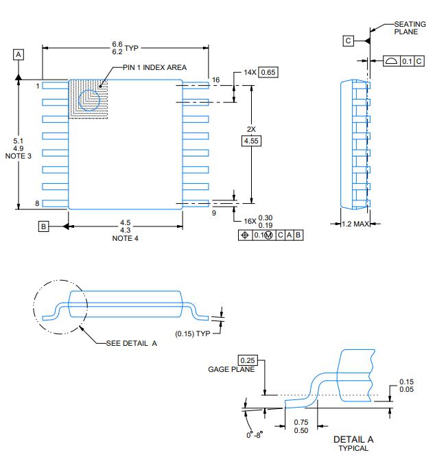
16-TSSOP (0.173, 4.40mm Width) - Number of Pins16
- Weight61.887009mg
- Operating Temperature
The operating temperature is the range of ambient temperature within which a power supply, or any other electrical equipment, operate in. This ranges from a minimum operating temperature, to a peak or maximum operating temperature, outside which, the power supply may fail.
-40°C~85°C - Packaging
Semiconductor package is a carrier / shell used to contain and cover one or more semiconductor components or integrated circuits. The material of the shell can be metal, plastic, glass or ceramic.
Cut Tape (CT) - JESD-609 Code
The "JESD-609 Code" in electronic components refers to a standardized marking code that indicates the lead-free solder composition and finish of electronic components for compliance with environmental regulations.
e3 - Pbfree Code
The "Pbfree Code" parameter in electronic components refers to the code or marking used to indicate that the component is lead-free. Lead (Pb) is a toxic substance that has been widely used in electronic components for many years, but due to environmental concerns, there has been a shift towards lead-free alternatives. The Pbfree Code helps manufacturers and users easily identify components that do not contain lead, ensuring compliance with regulations and promoting environmentally friendly practices. It is important to pay attention to the Pbfree Code when selecting electronic components to ensure they meet the necessary requirements for lead-free applications.
yes - Part Status
Parts can have many statuses as they progress through the configuration, analysis, review, and approval stages.
Active - Moisture Sensitivity Level (MSL)
Moisture Sensitivity Level (MSL) is a standardized rating that indicates the susceptibility of electronic components, particularly semiconductors, to moisture-induced damage during storage and the soldering process, defining the allowable exposure time to ambient conditions before they require special handling or baking to prevent failures
1 (Unlimited) - Number of Terminations16
- ECCN Code
An ECCN (Export Control Classification Number) is an alphanumeric code used by the U.S. Bureau of Industry and Security to identify and categorize electronic components and other dual-use items that may require an export license based on their technical characteristics and potential for military use.
EAR99 - TypeTransceiver
- Terminal Finish
Terminal Finish refers to the surface treatment applied to the terminals or leads of electronic components to enhance their performance and longevity. It can improve solderability, corrosion resistance, and overall reliability of the connection in electronic assemblies. Common finishes include nickel, gold, and tin, each possessing distinct properties suitable for various applications. The choice of terminal finish can significantly impact the durability and effectiveness of electronic devices.
Matte Tin (Sn) - Additional Feature
Any Feature, including a modified Existing Feature, that is not an Existing Feature.
CAN ALSO OPERATE WITH 5V SUPPLY - Voltage - Supply
Voltage - Supply refers to the range of voltage levels that an electronic component or circuit is designed to operate with. It indicates the minimum and maximum supply voltage that can be applied for the device to function properly. Providing supply voltages outside this range can lead to malfunction, damage, or reduced performance. This parameter is critical for ensuring compatibility between different components in a circuit.
3V~5.5V - Terminal Position
In electronic components, the term "Terminal Position" refers to the physical location of the connection points on the component where external electrical connections can be made. These connection points, known as terminals, are typically used to attach wires, leads, or other components to the main body of the electronic component. The terminal position is important for ensuring proper connectivity and functionality of the component within a circuit. It is often specified in technical datasheets or component specifications to help designers and engineers understand how to properly integrate the component into their circuit designs.
DUAL - Terminal Form
Occurring at or forming the end of a series, succession, or the like; closing; concluding.
GULL WING - Peak Reflow Temperature (Cel)
Peak Reflow Temperature (Cel) is a parameter that specifies the maximum temperature at which an electronic component can be exposed during the reflow soldering process. Reflow soldering is a common method used to attach electronic components to a circuit board. The Peak Reflow Temperature is crucial because it ensures that the component is not damaged or degraded during the soldering process. Exceeding the specified Peak Reflow Temperature can lead to issues such as component failure, reduced performance, or even permanent damage to the component. It is important for manufacturers and assemblers to adhere to the recommended Peak Reflow Temperature to ensure the reliability and functionality of the electronic components.
260 - Number of Functions2
- Supply Voltage
Supply voltage refers to the electrical potential difference provided to an electronic component or circuit. It is crucial for the proper operation of devices, as it powers their functions and determines performance characteristics. The supply voltage must be within specified limits to ensure reliability and prevent damage to components. Different electronic devices have specific supply voltage requirements, which can vary widely depending on their design and intended application.
3.3V - Base Part Number
The "Base Part Number" (BPN) in electronic components serves a similar purpose to the "Base Product Number." It refers to the primary identifier for a component that captures the essential characteristics shared by a group of similar components. The BPN provides a fundamental way to reference a family or series of components without specifying all the variations and specific details.
MAX3232 - Pin Count
a count of all of the component leads (or pins)
16 - Operating Supply Voltage
The voltage level by which an electrical system is designated and to which certain operating characteristics of the system are related.
5V - Operating Supply Current
Operating Supply Current, also known as supply current or quiescent current, is a crucial parameter in electronic components that indicates the amount of current required for the device to operate under normal conditions. It represents the current drawn by the component from the power supply while it is functioning. This parameter is important for determining the power consumption of the component and is typically specified in datasheets to help designers calculate the overall power requirements of their circuits. Understanding the operating supply current is essential for ensuring proper functionality and efficiency of electronic systems.
1mA - Nominal Supply Current
Nominal current is the same as the rated current. It is the current drawn by the motor while delivering rated mechanical output at its shaft.
1mA - Logic Function
In electronic components, the term "Logic Function" refers to the specific operation or behavior of a component based on its input signals. It describes how the component processes the input signals to produce the desired output. Logic functions are fundamental to digital circuits and are used to perform logical operations such as AND, OR, NOT, and XOR.Each electronic component, such as logic gates or flip-flops, is designed to perform a specific logic function based on its internal circuitry. By understanding the logic function of a component, engineers can design and analyze complex digital systems to ensure proper functionality and performance. Different logic functions can be combined to create more complex operations, allowing for the creation of sophisticated digital devices and systems.
Receiver, Transceiver - Data Rate
Data Rate is defined as the amount of data transmitted during a specified time period over a network. It is the speed at which data is transferred from one device to another or between a peripheral device and the computer. It is generally measured in Mega bits per second(Mbps) or Mega bytes per second(MBps).
250kbps - Differential Output
a differential output voltage in electronics is the difference between the values of two AC voltages, 180° out of phase, present at the output terminals of an amplifier when you apply a differential input voltage to the input terminals of an amplifier.
NO - Output Polarity
Output polarity in electronic components refers to the orientation of the output signal in relation to the ground or reference voltage. It indicates whether the output voltage is positive or negative with respect to the ground. Positive output polarity means the signal is higher than the ground potential, while negative output polarity signifies that the signal is lower than the ground. This characteristic is crucial for determining compatibility with other components in a circuit and ensuring proper signal processing.
INVERTED - Protocol
In electronic components, the parameter "Protocol" refers to a set of rules and standards that govern the communication between devices. It defines the format, timing, sequencing, and error checking methods for data exchange between different components or systems. Protocols ensure that devices can understand and interpret data correctly, enabling them to communicate effectively with each other. Common examples of protocols in electronics include USB, Ethernet, SPI, I2C, and Bluetooth, each with its own specifications for data transmission. Understanding and adhering to protocols is essential for ensuring compatibility and reliable communication between electronic devices.
RS232 - Input Characteristics
In electronic components, "Input Characteristics" refer to the set of specifications that describe how the component behaves in response to signals or inputs applied to it. These characteristics typically include parameters such as input voltage, input current, input impedance, input capacitance, and input frequency range. Understanding the input characteristics of a component is crucial for designing circuits and systems, as it helps ensure compatibility and proper functioning. By analyzing these parameters, engineers can determine how the component will interact with the signals it receives and make informed decisions about its use in a particular application.
SCHMITT TRIGGER - Number of Drivers/Receivers2/2
- Receiver Number of Bits2
- Duplex
In the context of electronic components, "Duplex" refers to a type of communication system that allows for bidirectional data flow. It enables two devices to communicate with each other simultaneously, allowing for both sending and receiving of data at the same time. Duplex communication can be further categorized into two types: half-duplex, where data can be transmitted in both directions but not at the same time, and full-duplex, where data can be sent and received simultaneously. This parameter is crucial in networking and telecommunications systems to ensure efficient and effective data transmission between devices.
Full - Receiver Hysteresis
Receiver hysteresis is?commonly used to ensure glitch-free reception even when differential noise is present. This application report compares the noise immunity of the SN65HVD37 to similar devices available from competitors. Contents.
300mV - Number of Drivers2
- Number of Transceivers1
- Receive Delay-Max
Receive Delay-Max is a parameter in electronic components that refers to the maximum amount of time it takes for a device to receive and process incoming signals or data after they have been transmitted. This parameter is crucial in determining the overall performance and efficiency of the component, especially in applications where timing is critical. A lower Receive Delay-Max value indicates faster response times and better overall performance, while a higher value may result in delays and potential issues in data transmission. It is important to consider and optimize the Receive Delay-Max parameter when designing or selecting electronic components for specific applications to ensure reliable and efficient operation.
300 ns - Simplex/Duplex
In electronic components, the parameter "Simplex/Duplex" refers to the type of communication or data transmission mode supported by the component. Simplex communication is a one-way communication mode where data flows only in one direction, from the sender to the receiver. This means that the sender can only transmit data, and the receiver can only receive data. On the other hand, duplex communication is a two-way communication mode where data can flow in both directions, allowing for simultaneous transmission and reception of data between two devices. Understanding whether a component supports simplex or duplex communication is important for determining how data will be exchanged between devices and ensuring compatibility in a given system.
Full Duplex - Transmit Delay-Max
Transmit Delay-Max refers to the maximum time interval it takes for a signal to be transmitted from the input to the output of an electronic component or system. This parameter is critical in digital circuits and communication systems, as it affects the overall performance and timing of data transmission. A lower Transmit Delay-Max indicates faster signal propagation, which is essential for high-speed applications. It is typically specified in nanoseconds or microseconds, depending on the technology and design of the component.
300 ns - Supply Voltage1-Nom
Supply Voltage1-Nom is a parameter in electronic components that refers to the nominal or rated voltage level at which the component is designed to operate optimally. This parameter specifies the voltage level that the component requires to function correctly and efficiently. It is important to ensure that the actual supply voltage provided to the component closely matches the specified nominal voltage to prevent damage or malfunction. Deviating significantly from the nominal voltage may result in unreliable performance or even permanent damage to the component. It is crucial to adhere to the specified supply voltage range to ensure the proper functioning and longevity of the electronic component.
3.3V - Height1.2mm
- Length5mm
- Width4.4mm
- Thickness
Thickness in electronic components refers to the measurement of how thick a particular material or layer is within the component structure. It can pertain to various aspects, such as the thickness of a substrate, a dielectric layer, or conductive traces. This parameter is crucial as it impacts the electrical, mechanical, and thermal properties of the component, influencing its performance and reliability in electronic circuits.
1mm - REACH SVHC
The parameter "REACH SVHC" in electronic components refers to the compliance with the Registration, Evaluation, Authorization, and Restriction of Chemicals (REACH) regulation regarding Substances of Very High Concern (SVHC). SVHCs are substances that may have serious effects on human health or the environment, and their use is regulated under REACH to ensure their safe handling and minimize their impact.Manufacturers of electronic components need to declare if their products contain any SVHCs above a certain threshold concentration and provide information on the safe use of these substances. This information allows customers to make informed decisions about the potential risks associated with using the components and take appropriate measures to mitigate any hazards.Ensuring compliance with REACH SVHC requirements is essential for electronics manufacturers to meet regulatory standards, protect human health and the environment, and maintain transparency in their supply chain. It also demonstrates a commitment to sustainability and responsible manufacturing practices in the electronics industry.
No SVHC - Radiation Hardening
Radiation hardening is the process of making electronic components and circuits resistant to damage or malfunction caused by high levels of ionizing radiation, especially for environments in outer space (especially beyond the low Earth orbit), around nuclear reactors and particle accelerators, or during nuclear accidents or nuclear warfare.
No - RoHS Status
RoHS means “Restriction of Certain Hazardous Substances” in the “Hazardous Substances Directive” in electrical and electronic equipment.
ROHS3 Compliant - Lead Free
Lead Free is a term used to describe electronic components that do not contain lead as part of their composition. Lead is a toxic material that can have harmful effects on human health and the environment, so the electronics industry has been moving towards lead-free components to reduce these risks. Lead-free components are typically made using alternative materials such as silver, copper, and tin. Manufacturers must comply with regulations such as the Restriction of Hazardous Substances (RoHS) directive to ensure that their products are lead-free and environmentally friendly.
Lead Free
MAX3232IPWR Applications
• Industrial PCs
• Wired networking
• Data center and enterprise computing
• Battery-powered systems
• PDAs
• Notebooks
• Laptops
• Palmtop PCs
• Hand-held equipment
MAX3232IPWR Typical Application Circuit

MAX3232IPWR Typical Application Circuit
MAX3232IPWR Package

MAX3232IPWR Manufacturer
Texas Instruments Incorporated (TI) is an American technology company based in Dallas, Texas, that designs and manufactures semiconductors and various integrated circuits, which it sells to electronics designers and manufacturers globally. It is one of the top 10 semiconductor companies worldwide based on sales volume. The company's focus is on developing analog chips and embedded processors, which account for more than 80% of its revenue. TI also produces TI digital light processing technology and education technology products including calculators, micro-controllers, and multi-core processors. The company boasts 45,000 patents around the globe as of 2016.
Trend Analysis
Parts with Similar Specs
- ImagePart NumberManufacturerPackage / CaseNumber of PinsLogic FunctionNumber of DriversReceiver Number of BitsData RateSupply VoltageSupply Voltage1-NomView Compare
MAX3232IPWR
16-TSSOP (0.173, 4.40mm Width)
16
Receiver, Transceiver
2
2
250kbps
3.3 V
3.3 V
16-TSSOP (0.173, 4.40mm Width)
16
Receiver, Transceiver
2
2
250kbps
3.3 V
3.3 V
16-TSSOP (0.173, 4.40mm Width)
16
Receiver, Transceiver
2
2
250kbps
3.3 V
3.3 V
16-TSSOP (0.173, 4.40mm Width)
16
Receiver, Transceiver
2
2
250kbps
3.3 V
3.3 V
TSSOP
16
Transceiver
2
-
250 kbps
-
-
What is MAX3232IPWR?
The MAX3232IPWR is a single-driver, single-receiver RS-232 interface device. The Human Body Model is used to safeguard all RS-232 inputs and outputs to 15 kV. For operation from a 3.3-V supply, the charge pump requires only four small 0.1-F capacitors. The MAX3221 can operate at data speeds of up to 250 kbps while preserving RS-232 output levels. When FORC is used, automatic power-down can be disabled.
What is the recommended operating temperature of the component?
-40°C~85°C.
What is the package of the device?
16-TSSOP (0.173, 4.40mm Width).
What is the component’s number of pins?
16.
M95040-W Serial SPI bus EEPROM: Pinout, Equivalent and Datasheet14 January 20225283
Introduction to Texas Instruments MSP430G2x53 Microcontroller29 February 2024160
SN6505BDBVR Transformer Driver: Datasheet, Pinout, Alternative22 December 20222934
Unveiling the Microchip PIC18LF1220IP 8-bit Microcontroller: A Comprehensive Analysis29 February 2024246
AD822 FET-Input Op-Amp: Pinout, Equivalent and Datasheet13 December 20213351
Hex Inverter 74LS04: Datasheet, Specifications, and Pinout09 May 202212844
ATmega8535 8-Bit Microcontroller: ATmega8535, Datasheet, Pinout27 December 20215812
AT89S52 Microcontroller: Application, Pinout and Datasheet22 September 202117637
A Complete Guide to Tantalum Capacitors in 202510 July 20253871
What is latch?28 March 20256550
Switching Diodes Basics: Working, Types and Circuit Analysis24 October 202542277
Introduction to Sensors in the Internet of Things24 September 20212341
Best 1N4007 diode alternatives to use in 202525 August 20257283
The Complete Guide to DC-DC Converters24 May 20252041
Three-Phase WBG Resonant Converter Integrated with PCB Winding Transformer20 October 20232570
What is a Cell Phone Antenna?21 July 202131796
Texas Instruments
In Stock: 2745
United States
China
Canada
Japan
Russia
Germany
United Kingdom
Singapore
Italy
Hong Kong(China)
Taiwan(China)
France
Korea
Mexico
Netherlands
Malaysia
Austria
Spain
Switzerland
Poland
Thailand
Vietnam
India
United Arab Emirates
Afghanistan
Åland Islands
Albania
Algeria
American Samoa
Andorra
Angola
Anguilla
Antigua & Barbuda
Argentina
Armenia
Aruba
Australia
Azerbaijan
Bahamas
Bahrain
Bangladesh
Barbados
Belarus
Belgium
Belize
Benin
Bermuda
Bhutan
Bolivia
Bonaire, Sint Eustatius and Saba
Bosnia & Herzegovina
Botswana
Brazil
British Indian Ocean Territory
British Virgin Islands
Brunei
Bulgaria
Burkina Faso
Burundi
Cabo Verde
Cambodia
Cameroon
Cayman Islands
Central African Republic
Chad
Chile
Christmas Island
Cocos (Keeling) Islands
Colombia
Comoros
Congo
Congo (DRC)
Cook Islands
Costa Rica
Côte d’Ivoire
Croatia
Cuba
Curaçao
Cyprus
Czechia
Denmark
Djibouti
Dominica
Dominican Republic
Ecuador
Egypt
El Salvador
Equatorial Guinea
Eritrea
Estonia
Eswatini
Ethiopia
Falkland Islands
Faroe Islands
Fiji
Finland
French Guiana
French Polynesia
Gabon
Gambia
Georgia
Ghana
Gibraltar
Greece
Greenland
Grenada
Guadeloupe
Guam
Guatemala
Guernsey
Guinea
Guinea-Bissau
Guyana
Haiti
Honduras
Hungary
Iceland
Indonesia
Iran
Iraq
Ireland
Isle of Man
Israel
Jamaica
Jersey
Jordan
Kazakhstan
Kenya
Kiribati
Kosovo
Kuwait
Kyrgyzstan
Laos
Latvia
Lebanon
Lesotho
Liberia
Libya
Liechtenstein
Lithuania
Luxembourg
Macao(China)
Madagascar
Malawi
Maldives
Mali
Malta
Marshall Islands
Martinique
Mauritania
Mauritius
Mayotte
Micronesia
Moldova
Monaco
Mongolia
Montenegro
Montserrat
Morocco
Mozambique
Myanmar
Namibia
Nauru
Nepal
New Caledonia
New Zealand
Nicaragua
Niger
Nigeria
Niue
Norfolk Island
North Korea
North Macedonia
Northern Mariana Islands
Norway
Oman
Pakistan
Palau
Palestinian Authority
Panama
Papua New Guinea
Paraguay
Peru
Philippines
Pitcairn Islands
Portugal
Puerto Rico
Qatar
Réunion
Romania
Rwanda
Samoa
San Marino
São Tomé & Príncipe
Saudi Arabia
Senegal
Serbia
Seychelles
Sierra Leone
Sint Maarten
Slovakia
Slovenia
Solomon Islands
Somalia
South Africa
South Sudan
Sri Lanka
St Helena, Ascension, Tristan da Cunha
St. Barthélemy
St. Kitts & Nevis
St. Lucia
St. Martin
St. Pierre & Miquelon
St. Vincent & Grenadines
Sudan
Suriname
Svalbard & Jan Mayen
Sweden
Syria
Tajikistan
Tanzania
Timor-Leste
Togo
Tokelau
Tonga
Trinidad & Tobago
Tunisia
Turkey
Turkmenistan
Turks & Caicos Islands
Tuvalu
U.S. Outlying Islands
U.S. Virgin Islands
Uganda
Ukraine
Uruguay
Uzbekistan
Vanuatu
Vatican City
Venezuela
Wallis & Futuna
Yemen
Zambia
Zimbabwe


Product
Brand
Articles
Tools







