MAX3311 Transceiver: Pinout, Equivalent and Datasheet
10 Terminations 5V 10 Pin MAX3311 Receivers 1 Bits 1/1 Drivers/Receivers 1 Functions
Unit Price: $2.499861
Ext Price: $2.50









10 Terminations 5V 10 Pin MAX3311 Receivers 1 Bits 1/1 Drivers/Receivers 1 Functions
The MAX3311 is low-power, +5V EIA/TIA-232-compatible transceiver. The device has one transmitter and one receiver. The transceiver has a proprietary low-dropout transmitter output stage enabling RS-232-compatible operation from a +5V supply with a single inverting charge pump. Furthermore, Huge range of Semiconductors, Capacitors, Resistors and IcS in stock. Welcome RFQ.

What is Transceiver receiver and transmitter? basic receiver blocks. Pat1 #9
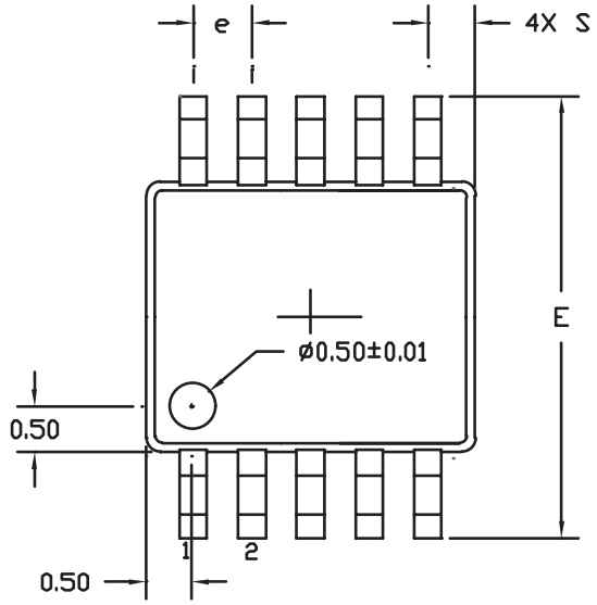
MAX3311 Pinout
The following figure is the diagram of MAX3311 pinout.

Pinout
MAX3311 CAD Model
The followings are MAX3311 Symbol, Footprint, and 3D Model.

PCB Symbol

PCB Footprint

3D Model
MAX3311 Overview
The MAX3311 is low-power, +5V EIA/TIA-232-compatible transceiver. The device has one transmitter and one receiver. The transceiver has a proprietary low-dropout transmitter output stage enabling RS-232-compatible operation from a +5V supply with a single inverting charge pump. The device requires only three 0.1µF capacitors and will run at data rates up to 460kbps while maintaining RS-232-compatible output levels. The MAX3311 features a 1µA shutdown mode. In shutdown the device turns off the charge pump, pulls V- to ground, and the transmitter output is disabled. The MAX3311 internal power supply has a single inverting charge pump that provides a negative voltage from a single +5V supply. The transmitter is an inverting level translator that converts CMOS-logic levels to EIA/TIA-232-compatible levels. It guarantees data rates up to 460kbps with worst-case loads of 3kΩ in parallel with 1000pF. The MAX3311 receiver converts RS-232 signals to CMOS-logic output levels. The MAX3311 receiver will remain active during shutdown mode.
This article provides you with a basic overview of the MAX3311 Transceiver, including its pin descriptions, features and specifications, etc., to help you quickly understand what MAX3311 is.
MAX3311 Features
● 1µA Low-Power Shutdown
● Receiver Active in Shutdown
● Single Transceiver (1Tx/1Rx) in 10-Pin µMAX
● RS-232-Compatible Operation
Specifications
- TypeParameter
- Factory Lead Time6 Weeks
- Mount
In electronic components, the term "Mount" typically refers to the method or process of physically attaching or fixing a component onto a circuit board or other electronic device. This can involve soldering, adhesive bonding, or other techniques to secure the component in place. The mounting process is crucial for ensuring proper electrical connections and mechanical stability within the electronic system. Different components may have specific mounting requirements based on their size, shape, and function, and manufacturers provide guidelines for proper mounting procedures to ensure optimal performance and reliability of the electronic device.
Surface Mount - Mounting Type
The "Mounting Type" in electronic components refers to the method used to attach or connect a component to a circuit board or other substrate, such as through-hole, surface-mount, or panel mount.
Surface Mount - Package / Case
refers to the protective housing that encases an electronic component, providing mechanical support, electrical connections, and thermal management.
10-TFSOP, 10-MSOP (0.118, 3.00mm Width) - Number of Pins10
- Number of I/Os4
- Operating Temperature
The operating temperature is the range of ambient temperature within which a power supply, or any other electrical equipment, operate in. This ranges from a minimum operating temperature, to a peak or maximum operating temperature, outside which, the power supply may fail.
0°C~70°C - Packaging
Semiconductor package is a carrier / shell used to contain and cover one or more semiconductor components or integrated circuits. The material of the shell can be metal, plastic, glass or ceramic.
Tube - Published2001
- JESD-609 Code
The "JESD-609 Code" in electronic components refers to a standardized marking code that indicates the lead-free solder composition and finish of electronic components for compliance with environmental regulations.
e3 - Pbfree Code
The "Pbfree Code" parameter in electronic components refers to the code or marking used to indicate that the component is lead-free. Lead (Pb) is a toxic substance that has been widely used in electronic components for many years, but due to environmental concerns, there has been a shift towards lead-free alternatives. The Pbfree Code helps manufacturers and users easily identify components that do not contain lead, ensuring compliance with regulations and promoting environmentally friendly practices. It is important to pay attention to the Pbfree Code when selecting electronic components to ensure they meet the necessary requirements for lead-free applications.
yes - Part Status
Parts can have many statuses as they progress through the configuration, analysis, review, and approval stages.
Active - Moisture Sensitivity Level (MSL)
Moisture Sensitivity Level (MSL) is a standardized rating that indicates the susceptibility of electronic components, particularly semiconductors, to moisture-induced damage during storage and the soldering process, defining the allowable exposure time to ambient conditions before they require special handling or baking to prevent failures
1 (Unlimited) - Number of Terminations10
- ECCN Code
An ECCN (Export Control Classification Number) is an alphanumeric code used by the U.S. Bureau of Industry and Security to identify and categorize electronic components and other dual-use items that may require an export license based on their technical characteristics and potential for military use.
EAR99 - TypeTransceiver
- Terminal Finish
Terminal Finish refers to the surface treatment applied to the terminals or leads of electronic components to enhance their performance and longevity. It can improve solderability, corrosion resistance, and overall reliability of the connection in electronic assemblies. Common finishes include nickel, gold, and tin, each possessing distinct properties suitable for various applications. The choice of terminal finish can significantly impact the durability and effectiveness of electronic devices.
Matte Tin (Sn) - Voltage - Supply
Voltage - Supply refers to the range of voltage levels that an electronic component or circuit is designed to operate with. It indicates the minimum and maximum supply voltage that can be applied for the device to function properly. Providing supply voltages outside this range can lead to malfunction, damage, or reduced performance. This parameter is critical for ensuring compatibility between different components in a circuit.
4.5V~5.5V - Terminal Position
In electronic components, the term "Terminal Position" refers to the physical location of the connection points on the component where external electrical connections can be made. These connection points, known as terminals, are typically used to attach wires, leads, or other components to the main body of the electronic component. The terminal position is important for ensuring proper connectivity and functionality of the component within a circuit. It is often specified in technical datasheets or component specifications to help designers and engineers understand how to properly integrate the component into their circuit designs.
DUAL - Terminal Form
Occurring at or forming the end of a series, succession, or the like; closing; concluding.
GULL WING - Peak Reflow Temperature (Cel)
Peak Reflow Temperature (Cel) is a parameter that specifies the maximum temperature at which an electronic component can be exposed during the reflow soldering process. Reflow soldering is a common method used to attach electronic components to a circuit board. The Peak Reflow Temperature is crucial because it ensures that the component is not damaged or degraded during the soldering process. Exceeding the specified Peak Reflow Temperature can lead to issues such as component failure, reduced performance, or even permanent damage to the component. It is important for manufacturers and assemblers to adhere to the recommended Peak Reflow Temperature to ensure the reliability and functionality of the electronic components.
260 - Number of Functions1
- Supply Voltage
Supply voltage refers to the electrical potential difference provided to an electronic component or circuit. It is crucial for the proper operation of devices, as it powers their functions and determines performance characteristics. The supply voltage must be within specified limits to ensure reliability and prevent damage to components. Different electronic devices have specific supply voltage requirements, which can vary widely depending on their design and intended application.
5V - Terminal Pitch
The center distance from one pole to the next.
0.5mm - Time@Peak Reflow Temperature-Max (s)
Time@Peak Reflow Temperature-Max (s) refers to the maximum duration that an electronic component can be exposed to the peak reflow temperature during the soldering process, which is crucial for ensuring reliable solder joint formation without damaging the component.
30 - Base Part Number
The "Base Part Number" (BPN) in electronic components serves a similar purpose to the "Base Product Number." It refers to the primary identifier for a component that captures the essential characteristics shared by a group of similar components. The BPN provides a fundamental way to reference a family or series of components without specifying all the variations and specific details.
MAX3311 - Pin Count
a count of all of the component leads (or pins)
10 - Operating Supply Voltage
The voltage level by which an electrical system is designated and to which certain operating characteristics of the system are related.
5V - Power Supplies
an electronic circuit that converts the voltage of an alternating current (AC) into a direct current (DC) voltage.?
5V - Interface
In electronic components, the term "Interface" refers to the point at which two different systems, devices, or components connect and interact with each other. It can involve physical connections such as ports, connectors, or cables, as well as communication protocols and standards that facilitate the exchange of data or signals between the connected entities. The interface serves as a bridge that enables seamless communication and interoperability between different parts of a system or between different systems altogether. Designing a reliable and efficient interface is crucial in ensuring proper functionality and performance of electronic components and systems.
RS-232 - Nominal Supply Current
Nominal current is the same as the rated current. It is the current drawn by the motor while delivering rated mechanical output at its shaft.
250μA - Propagation Delay
the flight time of packets over the transmission link and is limited by the speed of light.
150 ns - Logic Function
In electronic components, the term "Logic Function" refers to the specific operation or behavior of a component based on its input signals. It describes how the component processes the input signals to produce the desired output. Logic functions are fundamental to digital circuits and are used to perform logical operations such as AND, OR, NOT, and XOR.Each electronic component, such as logic gates or flip-flops, is designed to perform a specific logic function based on its internal circuitry. By understanding the logic function of a component, engineers can design and analyze complex digital systems to ensure proper functionality and performance. Different logic functions can be combined to create more complex operations, allowing for the creation of sophisticated digital devices and systems.
Receiver, Transceiver - Data Rate
Data Rate is defined as the amount of data transmitted during a specified time period over a network. It is the speed at which data is transferred from one device to another or between a peripheral device and the computer. It is generally measured in Mega bits per second(Mbps) or Mega bytes per second(MBps).
460Kbps - Differential Output
a differential output voltage in electronics is the difference between the values of two AC voltages, 180° out of phase, present at the output terminals of an amplifier when you apply a differential input voltage to the input terminals of an amplifier.
NO - Protocol
In electronic components, the parameter "Protocol" refers to a set of rules and standards that govern the communication between devices. It defines the format, timing, sequencing, and error checking methods for data exchange between different components or systems. Protocols ensure that devices can understand and interpret data correctly, enabling them to communicate effectively with each other. Common examples of protocols in electronics include USB, Ethernet, SPI, I2C, and Bluetooth, each with its own specifications for data transmission. Understanding and adhering to protocols is essential for ensuring compatibility and reliable communication between electronic devices.
RS232 - Input Characteristics
In electronic components, "Input Characteristics" refer to the set of specifications that describe how the component behaves in response to signals or inputs applied to it. These characteristics typically include parameters such as input voltage, input current, input impedance, input capacitance, and input frequency range. Understanding the input characteristics of a component is crucial for designing circuits and systems, as it helps ensure compatibility and proper functioning. By analyzing these parameters, engineers can determine how the component will interact with the signals it receives and make informed decisions about its use in a particular application.
SCHMITT TRIGGER - Number of Drivers/Receivers1/1
- Driver Number of Bits1
- Receiver Number of Bits1
- Duplex
In the context of electronic components, "Duplex" refers to a type of communication system that allows for bidirectional data flow. It enables two devices to communicate with each other simultaneously, allowing for both sending and receiving of data at the same time. Duplex communication can be further categorized into two types: half-duplex, where data can be transmitted in both directions but not at the same time, and full-duplex, where data can be sent and received simultaneously. This parameter is crucial in networking and telecommunications systems to ensure efficient and effective data transmission between devices.
Full - Receiver Hysteresis
Receiver hysteresis is?commonly used to ensure glitch-free reception even when differential noise is present. This application report compares the noise immunity of the SN65HVD37 to similar devices available from competitors. Contents.
500mV - Number of Transceivers1
- Height950μm
- Length3.05mm
- Width3.05mm
- REACH SVHC
The parameter "REACH SVHC" in electronic components refers to the compliance with the Registration, Evaluation, Authorization, and Restriction of Chemicals (REACH) regulation regarding Substances of Very High Concern (SVHC). SVHCs are substances that may have serious effects on human health or the environment, and their use is regulated under REACH to ensure their safe handling and minimize their impact.Manufacturers of electronic components need to declare if their products contain any SVHCs above a certain threshold concentration and provide information on the safe use of these substances. This information allows customers to make informed decisions about the potential risks associated with using the components and take appropriate measures to mitigate any hazards.Ensuring compliance with REACH SVHC requirements is essential for electronics manufacturers to meet regulatory standards, protect human health and the environment, and maintain transparency in their supply chain. It also demonstrates a commitment to sustainability and responsible manufacturing practices in the electronics industry.
Unknown - Radiation Hardening
Radiation hardening is the process of making electronic components and circuits resistant to damage or malfunction caused by high levels of ionizing radiation, especially for environments in outer space (especially beyond the low Earth orbit), around nuclear reactors and particle accelerators, or during nuclear accidents or nuclear warfare.
No - RoHS Status
RoHS means “Restriction of Certain Hazardous Substances” in the “Hazardous Substances Directive” in electrical and electronic equipment.
ROHS3 Compliant - Lead Free
Lead Free is a term used to describe electronic components that do not contain lead as part of their composition. Lead is a toxic material that can have harmful effects on human health and the environment, so the electronics industry has been moving towards lead-free components to reduce these risks. Lead-free components are typically made using alternative materials such as silver, copper, and tin. Manufacturers must comply with regulations such as the Restriction of Hazardous Substances (RoHS) directive to ensure that their products are lead-free and environmentally friendly.
Lead Free
MAX3311 Typical Operating Circuit
The following is the Typical Operating Circuit of MAX3311.

Typical Operating Circuit
MAX3311 Equivalent
| Model number | Manufacturer | Description |
| MAX3311CUB-T | Maxim Integrated Products | Line Transceiver, 1 Func, 1 Driver, 1 Rcvr, PDSO10, UMAX-10 |
| MAX3311EUB | Maxim Integrated Products | Line Transceiver, 1 Func, 1 Driver, 1 Rcvr, PDSO10, UMAX-10 |
| MAX3311EUB+ | Maxim Integrated Products | Line Transceiver, 1 Func, 1 Driver, 1 Rcvr, PDSO10, UMAX-10 |
Parts with Similar Specs
- ImagePart NumberManufacturerPackage / CaseNumber of PinsLogic FunctionPropagation DelaySupply VoltageTerminal PitchNumber of TransceiversTypeView Compare
MAX3311CUB
10-TFSOP, 10-MSOP (0.118, 3.00mm Width)
10
Receiver, Transceiver
150 ns
5 V
0.5 mm
1
Transceiver
10-TFSOP, 10-MSOP (0.118, 3.00mm Width)
10
Receiver, Transceiver
150 ns
5 V
0.5 mm
1
Transceiver
10-TFSOP, 10-MSOP (0.118, 3.00mm Width)
10
Receiver, Transceiver
150 ns
5 V
0.5 mm
1
Transceiver
10-TFSOP, 10-MSOP (0.118, 3.00mm Width)
10
Receiver, Transceiver
-
5 V
0.5 mm
1
Transceiver
MAX3311 Applications
● Digital Cameras
● PDAs
● GPS
● POS
● Telecommunications
● Handy Terminals
● Set-Top Boxes
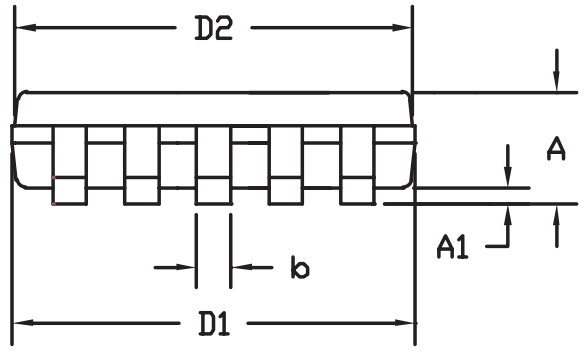
MAX3311 Package
The following diagram shows the MAX3311 package.

Top View

Bottom View

Front View

Side View
MAX3311 Manufacturer
The market is evolving. The rules are changing. To keep your time to market short, you need integration at every level—from silicon to the supply chain. Count on Maxim Integrated to help you overcome design and architectural challenges, with integrated solutions for the industrial, medical, consumer, automotive, energy, computing, and communications realms. Maxim Integrated is also your source for power, interface, and even digital products that work in the analog world. And they're glad to support you with reference designs, tools, technical documents, packaging, and more. We invite you to explore their latest analog integration offerings.
Trend Analysis
Datasheet PDF
- Datasheets :
- ConflictMineralStatement :
What is the essential property of the MAX3311?
The MAX3311 is low-power, +5V EIA/TIA-232-compatible transceiver. The device has one transmitter and one receiver. The transceiver has a proprietary low-dropout transmitter output stage enabling RS-232-compatible operation from a +5V supply with a single inverting charge pump.
Does the MAX3311 maintain rS-232-compatible transmitter output voltage at high data rates?
The MAX3311 maintains RS-232-compatible transmitter output voltage (±3.7V minimum) even at high data rates.
Can the MAX3311 receiver remain active in shutdown mode?
The MAX3311 receiver converts RS-232 signals to CMOS-logic output levels. The MAX3311 receiver will remain active during shutdown mode.
STM32MP157CAA3 Development: From Setup and Configuration to Advanced Features Implementation07 June 2025453
2N3702 PNP Transistor: Pinout, Datasheet, and Alternatives24 August 20211928
ESP8266EX SMD IC QFN32-pin: Features, Datasheet,Pinout, and Application08 January 20221846
BC547 NPN Transistor: Pinout, Datasheet, and Circuit28 July 202128125
MX25R1635FZUIL0 Flash Memory: Features, Pinout, and Datasheet24 February 20221781
Never Struggle Again With Microchip PG164140 Issues16 August 202578
ESP12F: Ai-Thinker, Arduino, Pinout and Datasheet09 March 20225626
MPXV7002DP Integrated Silicon: Features, Pinout, and Datasheet [Video&FAQ]13 January 20224822
50 Frequently Asked Questions about PCB Layout [Q&A]16 November 20215025
Introduction to Ultrasonic Transducer: Working Principle, Types and Applications25 February 202112232
Toroidal transformer: Principles, Features, Types and Applications13 November 20207087
An Overview of Crystal Oscillator21 September 202010987
Electronic components distributor UTMEL to Showcase at electronica China07 June 20242506
Utmel, China's Leading Overseas Component Distributor, at PCIM Europe 202310 November 20235887
FPGA in Industry and Communication: Key Players, Technologies, and Future Trends07 March 20251272
What is Field Programmable Gate Array(FPGA)?27 April 20221076
Maxim Integrated
In Stock: 3
Minimum: 1 Multiples: 1
Qty
Unit Price
Ext Price
1
$2.499861
$2.50
10
$2.358360
$23.58
100
$2.224868
$222.49
500
$2.098932
$1,049.47
1000
$1.980124
$1,980.12
Not the price you want? Send RFQ Now and we'll contact you ASAP.
Inquire for More Quantity







