PCM5100APWR Audio Stereo DAC: Diagram, Pinout, and Datasheet
Tape & Reel (TR) Active 16 b, 24 b, 32 b b 384k k Special Purpose ADCs/DACs PCM 1.65V~3.46V V 20-TSSOP (0.173, 4.40mm Width) Surface Mount









Tape & Reel (TR) Active 16 b, 24 b, 32 b b 384k k Special Purpose ADCs/DACs PCM 1.65V~3.46V V 20-TSSOP (0.173, 4.40mm Width) Surface Mount
The PCM5100APWR is a 2.1 VRMS, 112/106/100 dB Audio Stereo DAC with PLL and 32-bit, 384 kHz PCM Interface. This article mainly introduces Diagram, Pinout, Datasheet and other detailed information about Texas Instruments PCM5100APWR.

What is a DAC? - Explained
- PCM5100APWR Description
- PCM5100APWR Pinout
- PCM5100APWR CAD Model
- PCM5100APWR Features
- Specifications
- Parts with Similar Specs
- PCM5100APWR Functional Block Diagram
- PCM5100APWR Typical Application
- PCM5100APWR Simplified System Diagram
- PCM5100APWR Layout
- PCM5100APWR Alternatives
- PCM5100APWR Applications
- PCM5100APWR Package
- PCM5100APWR Manufacturer
- Trend Analysis
- Datasheet PDF
PCM5100APWR Description
The PCM5100APWR is a family of monolithic CMOS-integrated circuits in a tiny TSSOP package that includes a stereo digitalto-analog converter and accompanying support circuitry. To offer superior dynamic performance and better clock jitter tolerance, the PCM5100APWR devices leverage the latest iteration of TI's sophisticated segmentDAC architecture.
The PCM5100APWR device produces 2.1-VRMS ground centered outputs using DirectpathTM charge-pump technology, allowing designers to avoid DC blocking capacitors on the output as well as extra muting circuits often associated with single supply line drivers.
By enabling loads as low as 1 k per pin, the integrated line driver outperforms all other chargepump-based line drivers,
The device's internal PLL eliminates the need for a system clock (also known as master clock), allowing for a 3-wire I2S connection and lower system EMI.
For pop-free performance, the Intelligent Clock Error and PowerSense undervoltage protection use a two-level mute mechanism.
The PCM5100APWR series offers up to 20 dB lower out-of-band noise than many typical switched capacitor DAC architectures, decreasing EMI and aliasing in downstream amplifiers/ADCs (measured from traditional 100-kHz OBN measurements to 3 MHz).
PCM5100APWR Pinout
The following figure is PCM5100APWR Pinout.

Pinout
| Pin Number | Pin Name | Description |
| 9 | AGND | Analog ground |
| 8 | AVDD | Analog power supply, 3.3 V |
| 13 | BCK | Audio data bit clock input |
| 4 | CAPM | Charge pump flying capacitor terminal for negative rail |
| 2 | CAPP | Charge pump flying capacitor terminal for positive rail |
| 3 | CPGND | Charge pump ground |
| 1 | CPVDD | Charge pump power supply, 3.3 V |
| 10 | DEMP | De-emphasis control for 44.1-kHz sampling rate(1): Off (Low) / On (High) |
| 19 | DGND | Digital ground |
| 14 | DIN | Audio data input |
| 20 | DVDD | Digital power supply, 1.8 V or 3.3 V |
| 11 | FLT | Filter select : Normal latency (Low) / Low latency (High) |
| 16 | FMT | Audio format selection : I2S (Low) / Left-justified (High) |
| 18 | LDOO | Internal logic supply rail terminal for decoupling, or external 1.8 V supply terminal |
| 15 | LRCK | Audio data word clock input |
| 6 | OUTL | Analog output from DAC left channel |
| 7 | OUTR | Analog output from DAC right channel |
| 12 | SCK | System clock input |
| 5 | VNEG | Negative charge pump rail terminal for decoupling, –3.3 V |
| 17 | XSMT | Soft mute control(1): Soft mute (Low) / soft un-mute (High) |
PCM5100APWR CAD Model
The followings are PCM5100APWR Symbol, Footprint and 3D Model.

Symbol

Footprint

3D Model
PCM5100APWR Features
• Ultra Low Out-of-Band Noise
• Integrated High-Performance Audio PLL with BCK Reference to Generate SCK Internally
• Direct Line Level 2.1-VRMS Output
• No DC Blocking Capacitors Required
• Line Level Output Down to 1KΩ
• Intelligent Muting System; Soft Up or Down Ramp and Analog Mute For 120-dB Mute SNR
• Accepts 16-, 24-, and 32-Bit Audio Data
• PCM Data Formats: I2S, Left-Justified
• Automatic Power-Save Mode When LRCK And BCK Are Deactivated
• 1.8 V or 3.3 V Failsafe LVCMOS Digital Inputs
• Simple Configuration Using Hardware Pins
• Single-Supply Operation: 14
– 3.3 V Analog, 1.8 V or 3.3 V Digital
• Qualified in Accordance with AEC-Q100
Specifications
- TypeParameter
- Lifecycle Status
Lifecycle Status refers to the current stage of an electronic component in its product life cycle, indicating whether it is active, obsolete, or transitioning between these states. An active status means the component is in production and available for purchase. An obsolete status indicates that the component is no longer being manufactured or supported, and manufacturers typically provide a limited time frame for support. Understanding the lifecycle status is crucial for design engineers to ensure continuity and reliability in their projects.
ACTIVE (Last Updated: 4 days ago) - Factory Lead Time6 Weeks
- Contact Plating
Contact plating (finish) provides corrosion protection for base metals and optimizes the mechanical and electrical properties of the contact interfaces.
Gold - Mount
In electronic components, the term "Mount" typically refers to the method or process of physically attaching or fixing a component onto a circuit board or other electronic device. This can involve soldering, adhesive bonding, or other techniques to secure the component in place. The mounting process is crucial for ensuring proper electrical connections and mechanical stability within the electronic system. Different components may have specific mounting requirements based on their size, shape, and function, and manufacturers provide guidelines for proper mounting procedures to ensure optimal performance and reliability of the electronic device.
Surface Mount - Mounting Type
The "Mounting Type" in electronic components refers to the method used to attach or connect a component to a circuit board or other substrate, such as through-hole, surface-mount, or panel mount.
Surface Mount - Package / Case
refers to the protective housing that encases an electronic component, providing mechanical support, electrical connections, and thermal management.
20-TSSOP (0.173, 4.40mm Width) - Number of Pins20
- Operating Temperature
The operating temperature is the range of ambient temperature within which a power supply, or any other electrical equipment, operate in. This ranges from a minimum operating temperature, to a peak or maximum operating temperature, outside which, the power supply may fail.
-25°C~85°C - Packaging
Semiconductor package is a carrier / shell used to contain and cover one or more semiconductor components or integrated circuits. The material of the shell can be metal, plastic, glass or ceramic.
Tape & Reel (TR) - Series
In electronic components, the "Series" refers to a group of products that share similar characteristics, designs, or functionalities, often produced by the same manufacturer. These components within a series typically have common specifications but may vary in terms of voltage, power, or packaging to meet different application needs. The series name helps identify and differentiate between various product lines within a manufacturer's catalog.
DirectPath™ - JESD-609 Code
The "JESD-609 Code" in electronic components refers to a standardized marking code that indicates the lead-free solder composition and finish of electronic components for compliance with environmental regulations.
e4 - Pbfree Code
The "Pbfree Code" parameter in electronic components refers to the code or marking used to indicate that the component is lead-free. Lead (Pb) is a toxic substance that has been widely used in electronic components for many years, but due to environmental concerns, there has been a shift towards lead-free alternatives. The Pbfree Code helps manufacturers and users easily identify components that do not contain lead, ensuring compliance with regulations and promoting environmentally friendly practices. It is important to pay attention to the Pbfree Code when selecting electronic components to ensure they meet the necessary requirements for lead-free applications.
yes - Part Status
Parts can have many statuses as they progress through the configuration, analysis, review, and approval stages.
Active - Moisture Sensitivity Level (MSL)
Moisture Sensitivity Level (MSL) is a standardized rating that indicates the susceptibility of electronic components, particularly semiconductors, to moisture-induced damage during storage and the soldering process, defining the allowable exposure time to ambient conditions before they require special handling or baking to prevent failures
1 (Unlimited) - Number of Terminations20
- ECCN Code
An ECCN (Export Control Classification Number) is an alphanumeric code used by the U.S. Bureau of Industry and Security to identify and categorize electronic components and other dual-use items that may require an export license based on their technical characteristics and potential for military use.
EAR99 - TypeDAC, Audio
- Max Power Dissipation
The maximum power that the MOSFET can dissipate continuously under the specified thermal conditions.
187mW - Voltage - Supply
Voltage - Supply refers to the range of voltage levels that an electronic component or circuit is designed to operate with. It indicates the minimum and maximum supply voltage that can be applied for the device to function properly. Providing supply voltages outside this range can lead to malfunction, damage, or reduced performance. This parameter is critical for ensuring compatibility between different components in a circuit.
1.65V~3.46V - Terminal Position
In electronic components, the term "Terminal Position" refers to the physical location of the connection points on the component where external electrical connections can be made. These connection points, known as terminals, are typically used to attach wires, leads, or other components to the main body of the electronic component. The terminal position is important for ensuring proper connectivity and functionality of the component within a circuit. It is often specified in technical datasheets or component specifications to help designers and engineers understand how to properly integrate the component into their circuit designs.
DUAL - Terminal Form
Occurring at or forming the end of a series, succession, or the like; closing; concluding.
GULL WING - Peak Reflow Temperature (Cel)
Peak Reflow Temperature (Cel) is a parameter that specifies the maximum temperature at which an electronic component can be exposed during the reflow soldering process. Reflow soldering is a common method used to attach electronic components to a circuit board. The Peak Reflow Temperature is crucial because it ensures that the component is not damaged or degraded during the soldering process. Exceeding the specified Peak Reflow Temperature can lead to issues such as component failure, reduced performance, or even permanent damage to the component. It is important for manufacturers and assemblers to adhere to the recommended Peak Reflow Temperature to ensure the reliability and functionality of the electronic components.
260 - Number of Functions1
- Supply Voltage
Supply voltage refers to the electrical potential difference provided to an electronic component or circuit. It is crucial for the proper operation of devices, as it powers their functions and determines performance characteristics. The supply voltage must be within specified limits to ensure reliability and prevent damage to components. Different electronic devices have specific supply voltage requirements, which can vary widely depending on their design and intended application.
3.3V - Time@Peak Reflow Temperature-Max (s)
Time@Peak Reflow Temperature-Max (s) refers to the maximum duration that an electronic component can be exposed to the peak reflow temperature during the soldering process, which is crucial for ensuring reliable solder joint formation without damaging the component.
NOT SPECIFIED - Base Part Number
The "Base Part Number" (BPN) in electronic components serves a similar purpose to the "Base Product Number." It refers to the primary identifier for a component that captures the essential characteristics shared by a group of similar components. The BPN provides a fundamental way to reference a family or series of components without specifying all the variations and specific details.
PCM5100 - Pin Count
a count of all of the component leads (or pins)
20 - Qualification Status
An indicator of formal certification of qualifications.
Not Qualified - Output Voltage
Output voltage is a crucial parameter in electronic components that refers to the voltage level produced by the component as a result of its operation. It represents the electrical potential difference between the output terminal of the component and a reference point, typically ground. The output voltage is a key factor in determining the performance and functionality of the component, as it dictates the level of voltage that will be delivered to the connected circuit or load. It is often specified in datasheets and technical specifications to ensure compatibility and proper functioning within a given system.
2.1V - Output Type
The "Output Type" parameter in electronic components refers to the type of signal or data that is produced by the component as an output. This parameter specifies the nature of the output signal, such as analog or digital, and can also include details about the voltage levels, current levels, frequency, and other characteristics of the output signal. Understanding the output type of a component is crucial for ensuring compatibility with other components in a circuit or system, as well as for determining how the output signal can be utilized or processed further. In summary, the output type parameter provides essential information about the nature of the signal that is generated by the electronic component as its output.
Voltage - Operating Supply Voltage
The voltage level by which an electrical system is designated and to which certain operating characteristics of the system are related.
3.3V - Polarity
In electronic components, polarity refers to the orientation or direction in which the component must be connected in a circuit to function properly. Components such as diodes, capacitors, and LEDs have polarity markings to indicate which terminal should be connected to the positive or negative side of the circuit. Connecting a component with incorrect polarity can lead to malfunction or damage. It is important to pay attention to polarity markings and follow the manufacturer's instructions to ensure proper operation of electronic components.
Unipolar - Interface
In electronic components, the term "Interface" refers to the point at which two different systems, devices, or components connect and interact with each other. It can involve physical connections such as ports, connectors, or cables, as well as communication protocols and standards that facilitate the exchange of data or signals between the connected entities. The interface serves as a bridge that enables seamless communication and interoperability between different parts of a system or between different systems altogether. Designing a reliable and efficient interface is crucial in ensuring proper functionality and performance of electronic components and systems.
I2S, Serial - Operating Supply Current
Operating Supply Current, also known as supply current or quiescent current, is a crucial parameter in electronic components that indicates the amount of current required for the device to operate under normal conditions. It represents the current drawn by the component from the power supply while it is functioning. This parameter is important for determining the power consumption of the component and is typically specified in datasheets to help designers calculate the overall power requirements of their circuits. Understanding the operating supply current is essential for ensuring proper functionality and efficiency of electronic systems.
9mA - Number of Bits32
- Supply Type
Supply Type in electronic components refers to the classification of power sources used to operate the component. It indicates whether the component requires DC or AC power, and if DC, specifies the voltage levels such as low, medium, or high. Different supply types can affect the performance, compatibility, and application of the component in electronic circuits. Understanding the supply type is crucial for proper component selection and integration into electronic designs.
Analog, Digital - Data Interface
A Data Interface in EDQ is a template of a set of attributes representing a given entity, used to create processes that read from, or write to, interfaces rather than directly from or to sources or targets of data.
PCM - Sampling Rate
often described in the context of signal processing as the number of samples per time.
384 ksps - Sampling Rate (Per Second)
The sampling rate (per second) in electronic components refers to the frequency at which an analog signal is measured or sampled to convert it into a digital signal. It is typically expressed in Hertz (Hz) and indicates how many times per second the analog signal is sampled. A higher sampling rate allows for better representation of the original signal, capturing more detail and reducing distortion during the conversion process. In audio applications, for example, common sampling rates include 44.1 kHz for CD-quality audio and 48 kHz for video production.
384k - Power Consumption
Power consumption is the amount of input energy (measured in watts) required for an electrical appliance to function. This is opposed to power output which is a measure of the level of performance, of a heat pump for example.
59.4mW - Input Bit Code
"Input Bit Code" is a parameter used in electronic components, particularly in digital devices such as microcontrollers and integrated circuits. It refers to the binary code or sequence of bits that are used to represent input data or commands to the component. The input bit code is typically specified by the manufacturer and is used to configure the behavior or functionality of the component.In simpler terms, the input bit code is like a set of instructions that the electronic component understands and acts upon accordingly. By providing the correct input bit code, users can control the operation of the component and make it perform specific tasks or functions. Understanding and correctly using the input bit code is essential for proper operation and integration of electronic components in various electronic systems and applications.
BINARY - Conversion Rate
the number of conversions divided by the total number of visitors.
384 ksps - Voltage Supply Source
A voltage source is a two-terminal device which can maintain a fixed voltage. An ideal voltage source can maintain the fixed voltage independent of the load resistance or the output current. However, a real-world voltage source cannot supply unlimited current. A voltage source is the dual of a current source.
Analog Digital - Signal to Noise Ratio (SNR)
Signal to Noise Ratio (SNR) is a measure used in electronics to quantify the ratio of the strength of a desired signal to the strength of background noise. It is commonly expressed in decibels (dB) and is used to evaluate the quality of a signal transmission or processing system. A higher SNR indicates a stronger, clearer signal relative to the background noise, resulting in better performance and accuracy in electronic components such as amplifiers, receivers, and communication systems. SNR is crucial in ensuring reliable and efficient operation of electronic devices by minimizing the impact of unwanted noise on the signal quality.
100 dB - Number of ADC Channels0
- Resolution (Bits)
Resolution (Bits) in electronic components refers to the number of bits used to represent the analog signal in digital form. It indicates the level of detail or precision with which the analog signal can be converted into digital data. A higher resolution means more bits are used, allowing for finer distinctions to be made between different signal levels. For example, an 8-bit resolution can represent 256 different levels, while a 16-bit resolution can represent 65,536 levels. In general, a higher resolution leads to better accuracy and fidelity in the digital representation of the original analog signal.
16 b, 24 b, 32 b - Number of DAC Channels
A DAC is a device that converts a digital, typically binary, code to an analog signal, such as a current, voltage, or electric charge. One DAC converter can have several channels. Each channel can sample an analog output from numerical values that are converted to output voltages.
2 - Height1.2mm
- Length6.5mm
- Width4.4mm
- Thickness
Thickness in electronic components refers to the measurement of how thick a particular material or layer is within the component structure. It can pertain to various aspects, such as the thickness of a substrate, a dielectric layer, or conductive traces. This parameter is crucial as it impacts the electrical, mechanical, and thermal properties of the component, influencing its performance and reliability in electronic circuits.
1mm - REACH SVHC
The parameter "REACH SVHC" in electronic components refers to the compliance with the Registration, Evaluation, Authorization, and Restriction of Chemicals (REACH) regulation regarding Substances of Very High Concern (SVHC). SVHCs are substances that may have serious effects on human health or the environment, and their use is regulated under REACH to ensure their safe handling and minimize their impact.Manufacturers of electronic components need to declare if their products contain any SVHCs above a certain threshold concentration and provide information on the safe use of these substances. This information allows customers to make informed decisions about the potential risks associated with using the components and take appropriate measures to mitigate any hazards.Ensuring compliance with REACH SVHC requirements is essential for electronics manufacturers to meet regulatory standards, protect human health and the environment, and maintain transparency in their supply chain. It also demonstrates a commitment to sustainability and responsible manufacturing practices in the electronics industry.
No SVHC - RoHS Status
RoHS means “Restriction of Certain Hazardous Substances” in the “Hazardous Substances Directive” in electrical and electronic equipment.
ROHS3 Compliant - Lead Free
Lead Free is a term used to describe electronic components that do not contain lead as part of their composition. Lead is a toxic material that can have harmful effects on human health and the environment, so the electronics industry has been moving towards lead-free components to reduce these risks. Lead-free components are typically made using alternative materials such as silver, copper, and tin. Manufacturers must comply with regulations such as the Restriction of Hazardous Substances (RoHS) directive to ensure that their products are lead-free and environmentally friendly.
Lead Free
Parts with Similar Specs
- ImagePart NumberManufacturerPackage / CaseNumber of PinsNumber of DAC ChannelsNumber of ADC ChannelsSupply VoltageTerminal PositionMountMounting TypeView Compare
PCM5100APWR
20-TSSOP (0.173, 4.40mm Width)
20
2
0
3.3 V
DUAL
Surface Mount
Surface Mount
16-TSSOP (0.173, 4.40mm Width)
16
2
0
2.4 V
DUAL
Surface Mount
Surface Mount
16-TSSOP (0.173, 4.40mm Width)
16
2
0
2.4 V
DUAL
Surface Mount
Surface Mount
20-TSSOP (0.173, 4.40mm Width)
20
2
0
3.3 V
DUAL
Surface Mount
Surface Mount
20-TSSOP (0.173, 4.40mm Width)
20
-
-
3.3 V
DUAL
Surface Mount
Surface Mount
PCM5100APWR Functional Block Diagram
The PCM5100APWR Functional Block Diagram is shown as follows.

Functional Block Diagram
PCM5100APWR Typical Application
The PCM5100APWR Typical Application is shown as follows.

Typical Application
• Hardware control
– Normal filter latency
– I2S digital audio interface
– Power rail monitoring from the system 12-V rail to mute system power loss early
• 2.1-VRMS single-ended analog outputs
• Single 3.3-V supply
• 3-wire I2S interface (BCK PLL)
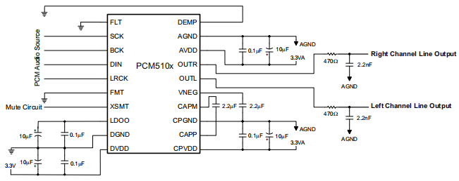
PCM5100APWR Simplified System Diagram
The PCM5100APWR Simplified System Diagram is shown as follows.

Simplified System Diagram
PCM5100APWR Layout
• The PCM5100APWR device family is easy to set up. For a whole device, most engineers employ a shared common ground. AGND and DGND are both connected to GND.
• For best analog performance, keep digital clock and interface traces away from analog outputs with good system partitioning. Any high-speed clock return currents influencing the analog outputs are reduced as a result.
• The power supply and charge pump decoupling capacitors should be as close to the device as practicable.
• Signal routing should be done on the top layer, whereas GND can be done on the bottom layer.

Layout
PCM5100APWR Alternatives
| Part Number | Description | Manufacturer |
| PCM5100APWCONVERTERS | 2VRMS DirectPath™, 100dB Audio Stereo DAC with 32-bit, 384kHz PCM Interface 20-TSSOP -25 to 85 | Texas Instruments |
| PCM5100AQPWRQ1CONVERTERS | Automotive Catalog 2VRMS DirectPath™, 100dB Audio Stereo DAC with 32-bit, 384kHz PCM Interface 20-TSSOP -40 to 125 | Texas Instruments |
PCM5100APWR Applications
• A/V Receivers, DVD, BD Players
• Automotive Infotainment and Telematics
• HDTV Receivers
• Aftermarket Automotive Amplifiers
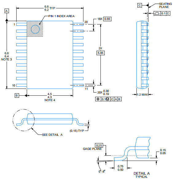
PCM5100APWR Package
The PCM5100APWR Package is shown as follows.

Package
PCM5100APWR Manufacturer
As a global semiconductor company operating in 35 countries, Texas Instruments (TI) is first and foremost a reflection of its people. From the TIer who unveiled the first working integrated circuit in 1958 to the more than 30,000 TIers around the world today who design, manufacture and sell analog and embedded processing chips, we are problem-solvers collaborating to change the world through technology.
Trend Analysis
Datasheet PDF
- PCN Design/Specification :
- PCN Assembly/Origin :
What type of circuits is the PCM5100APWR?
Monolithic CMOS-integrated circuits.
What segmentDAC architecture does the PCM5100APWR use?
TI.
What technology does the PCM5100APWR use to produce ground centered outputs?
DirectpathTM charge-pump technology.
What is a system clock also known as?
Master clock.
What does the Intelligent Clock Error and PowerSense undervoltage protection use for pop-free performance?
Two-level mute mechanism.
How much lower out-of-band noise does the PCM5100APWR series offer?
20 dB.
LM5175QPWPTQ1 DC/DC Controller: Pinout, Specification, and Datasheet01 July 20211563
AD7524: A High-Performance Digital to Analog Converter for Data Acquisition06 March 202468
HDMI2C1-6C1 IC:Datasheet, Pinout, Function27 August 2021633
Microchip PIC18F43K22EPT Microcontroller Datasheet Overview29 February 202458
LP2951 Voltage Regulator: Pinout, Equivalent and Datasheet23 October 20212836
D880 NPN Transistor: Datasheet, Pinout and Equivalent25 October 20218534
TLV62085RLTR:7-VFDFN, Pinout, Datasheet, Step-Down11 February 2022835
M24C01-R I²C bus EEPROM: Pinout, Features and Datasheet29 December 20211001
What Makes Rocker Switches Unique18 July 2025500
Intel CEO Reiterates: 2024 Will Achieve Process Leadership05 May 20221102
What is speaker?08 October 20216220
Development of Ultra-wide Band-gap Ga2O3 Semiconductor Materials in Power MOSFETs21 October 20223262
What Makes Tube and Solid-State Audio Amplifiers Different14 July 2025505
What is Digital Counter?01 September 202010399
Selection and Optimization of Peripheral Components for DC-DC Boost Regulator15 April 20221772
What is Comparator?11 April 20225676
Texas Instruments
In Stock: 36088
United States
China
Canada
Japan
Russia
Germany
United Kingdom
Singapore
Italy
Hong Kong(China)
Taiwan(China)
France
Korea
Mexico
Netherlands
Malaysia
Austria
Spain
Switzerland
Poland
Thailand
Vietnam
India
United Arab Emirates
Afghanistan
Åland Islands
Albania
Algeria
American Samoa
Andorra
Angola
Anguilla
Antigua & Barbuda
Argentina
Armenia
Aruba
Australia
Azerbaijan
Bahamas
Bahrain
Bangladesh
Barbados
Belarus
Belgium
Belize
Benin
Bermuda
Bhutan
Bolivia
Bonaire, Sint Eustatius and Saba
Bosnia & Herzegovina
Botswana
Brazil
British Indian Ocean Territory
British Virgin Islands
Brunei
Bulgaria
Burkina Faso
Burundi
Cabo Verde
Cambodia
Cameroon
Cayman Islands
Central African Republic
Chad
Chile
Christmas Island
Cocos (Keeling) Islands
Colombia
Comoros
Congo
Congo (DRC)
Cook Islands
Costa Rica
Côte d’Ivoire
Croatia
Cuba
Curaçao
Cyprus
Czechia
Denmark
Djibouti
Dominica
Dominican Republic
Ecuador
Egypt
El Salvador
Equatorial Guinea
Eritrea
Estonia
Eswatini
Ethiopia
Falkland Islands
Faroe Islands
Fiji
Finland
French Guiana
French Polynesia
Gabon
Gambia
Georgia
Ghana
Gibraltar
Greece
Greenland
Grenada
Guadeloupe
Guam
Guatemala
Guernsey
Guinea
Guinea-Bissau
Guyana
Haiti
Honduras
Hungary
Iceland
Indonesia
Iran
Iraq
Ireland
Isle of Man
Israel
Jamaica
Jersey
Jordan
Kazakhstan
Kenya
Kiribati
Kosovo
Kuwait
Kyrgyzstan
Laos
Latvia
Lebanon
Lesotho
Liberia
Libya
Liechtenstein
Lithuania
Luxembourg
Macao(China)
Madagascar
Malawi
Maldives
Mali
Malta
Marshall Islands
Martinique
Mauritania
Mauritius
Mayotte
Micronesia
Moldova
Monaco
Mongolia
Montenegro
Montserrat
Morocco
Mozambique
Myanmar
Namibia
Nauru
Nepal
New Caledonia
New Zealand
Nicaragua
Niger
Nigeria
Niue
Norfolk Island
North Korea
North Macedonia
Northern Mariana Islands
Norway
Oman
Pakistan
Palau
Palestinian Authority
Panama
Papua New Guinea
Paraguay
Peru
Philippines
Pitcairn Islands
Portugal
Puerto Rico
Qatar
Réunion
Romania
Rwanda
Samoa
San Marino
São Tomé & Príncipe
Saudi Arabia
Senegal
Serbia
Seychelles
Sierra Leone
Sint Maarten
Slovakia
Slovenia
Solomon Islands
Somalia
South Africa
South Sudan
Sri Lanka
St Helena, Ascension, Tristan da Cunha
St. Barthélemy
St. Kitts & Nevis
St. Lucia
St. Martin
St. Pierre & Miquelon
St. Vincent & Grenadines
Sudan
Suriname
Svalbard & Jan Mayen
Sweden
Syria
Tajikistan
Tanzania
Timor-Leste
Togo
Tokelau
Tonga
Trinidad & Tobago
Tunisia
Turkey
Turkmenistan
Turks & Caicos Islands
Tuvalu
U.S. Outlying Islands
U.S. Virgin Islands
Uganda
Ukraine
Uruguay
Uzbekistan
Vanuatu
Vatican City
Venezuela
Wallis & Futuna
Yemen
Zambia
Zimbabwe














