Quadruple Half-H Driver - L293DNE:Datasheet, Pinout, Circuit and Specification
24mA mA 5.08mm mm 6.35mm mm Motor Drivers 16 5V V 36V V 19.8mm mm
The L293DNE is a PTH quadruple, high-current, half-H driver IC. Today, Magi will tell you some details about L293DNE.

L293D Motor Driver Working
L293DNE Description
The L293DNE is a triple half-H driver with a high current output. At voltages ranging from 4.5V to 36V, the L293DNE is designed to generate bidirectional driving currents of up to 600mA.
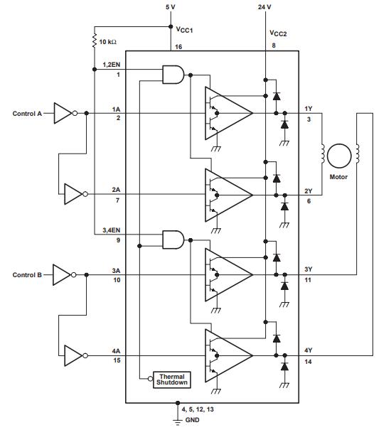
In positive supply applications, the device is designed to drive inductive loads like relays, solenoids, dc, and bipolar stepping motors, as well as another high current/high voltage loads. TTL compatibility is present on all inputs.
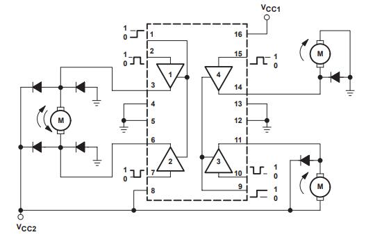
Each output has a Darlington transistor sink and a pseudo-Darlington source, making it a complete totem-pole drive circuit. Drivers are enabled in pairs, with 1,2EN enabling drivers 1 and 2 and 3,4EN enabling drivers 3 and 4.
The linked drivers are activated when the enable input is high, and their outputs are active and in phase with their inputs. Those drivers are disabled and their outputs are off and in the high impedance state when the enable input is low. Each pair of drivers comprises a full-H (or bridge) reversible drive ideal for solenoid or motor applications with the necessary data inputs.
L293DNE CAD Models
Symbol

Footprint

3D Models

L293DNE Pinout

L293DNE Features
Separate Input logic Supply
Internal ESD Protection
Thermal Shutdown
High noise immunity inputs
Output current 600mA per channel
Output clamp diodes for inductive transient suppression
Specifications
- TypeParameter
- Lifecycle Status
Lifecycle Status refers to the current stage of an electronic component in its product life cycle, indicating whether it is active, obsolete, or transitioning between these states. An active status means the component is in production and available for purchase. An obsolete status indicates that the component is no longer being manufactured or supported, and manufacturers typically provide a limited time frame for support. Understanding the lifecycle status is crucial for design engineers to ensure continuity and reliability in their projects.
ACTIVE (Last Updated: 3 days ago) - Factory Lead Time6 Weeks
- Mount
In electronic components, the term "Mount" typically refers to the method or process of physically attaching or fixing a component onto a circuit board or other electronic device. This can involve soldering, adhesive bonding, or other techniques to secure the component in place. The mounting process is crucial for ensuring proper electrical connections and mechanical stability within the electronic system. Different components may have specific mounting requirements based on their size, shape, and function, and manufacturers provide guidelines for proper mounting procedures to ensure optimal performance and reliability of the electronic device.
Surface Mount - Mounting Type
The "Mounting Type" in electronic components refers to the method used to attach or connect a component to a circuit board or other substrate, such as through-hole, surface-mount, or panel mount.
Through Hole - Package / Case
refers to the protective housing that encases an electronic component, providing mechanical support, electrical connections, and thermal management.
16-DIP (0.300, 7.62mm) - Number of Pins16
- Weight670.01263mg
- Voltage Rated
RATED voltage is the voltage on the nameplate - the "design point" for maximum power throughput and safe thermal operation.
20V - Operating Temperature
The operating temperature is the range of ambient temperature within which a power supply, or any other electrical equipment, operate in. This ranges from a minimum operating temperature, to a peak or maximum operating temperature, outside which, the power supply may fail.
0°C~70°C TA - Packaging
Semiconductor package is a carrier / shell used to contain and cover one or more semiconductor components or integrated circuits. The material of the shell can be metal, plastic, glass or ceramic.
Tube - Tolerance
In electronic components, "tolerance" refers to the acceptable deviation or variation from the specified or ideal value of a particular parameter, such as resistance, capacitance, or voltage. It indicates the range within which the actual value of the component can fluctuate while still being considered acceptable for use in a circuit. Tolerance is typically expressed as a percentage or a specific value and is important for ensuring the accuracy and reliability of electronic devices. Components with tighter tolerances are more precise but may also be more expensive. It is crucial to consider tolerance when selecting components to ensure proper functionality and performance of the circuit.
10% - JESD-609 Code
The "JESD-609 Code" in electronic components refers to a standardized marking code that indicates the lead-free solder composition and finish of electronic components for compliance with environmental regulations.
e4 - Pbfree Code
The "Pbfree Code" parameter in electronic components refers to the code or marking used to indicate that the component is lead-free. Lead (Pb) is a toxic substance that has been widely used in electronic components for many years, but due to environmental concerns, there has been a shift towards lead-free alternatives. The Pbfree Code helps manufacturers and users easily identify components that do not contain lead, ensuring compliance with regulations and promoting environmentally friendly practices. It is important to pay attention to the Pbfree Code when selecting electronic components to ensure they meet the necessary requirements for lead-free applications.
yes - Part Status
Parts can have many statuses as they progress through the configuration, analysis, review, and approval stages.
Active - Moisture Sensitivity Level (MSL)
Moisture Sensitivity Level (MSL) is a standardized rating that indicates the susceptibility of electronic components, particularly semiconductors, to moisture-induced damage during storage and the soldering process, defining the allowable exposure time to ambient conditions before they require special handling or baking to prevent failures
1 (Unlimited) - Number of Terminations16
- ECCN Code
An ECCN (Export Control Classification Number) is an alphanumeric code used by the U.S. Bureau of Industry and Security to identify and categorize electronic components and other dual-use items that may require an export license based on their technical characteristics and potential for military use.
EAR99 - Resistance
Resistance is a fundamental property of electronic components that measures their opposition to the flow of electric current. It is denoted by the symbol "R" and is measured in ohms (Ω). Resistance is caused by the collisions of electrons with atoms in a material, which generates heat and reduces the flow of current. Components with higher resistance will impede the flow of current more than those with lower resistance. Resistance plays a crucial role in determining the behavior and functionality of electronic circuits, such as limiting current flow, voltage division, and controlling power dissipation.
800mOhm - Terminal Finish
Terminal Finish refers to the surface treatment applied to the terminals or leads of electronic components to enhance their performance and longevity. It can improve solderability, corrosion resistance, and overall reliability of the connection in electronic assemblies. Common finishes include nickel, gold, and tin, each possessing distinct properties suitable for various applications. The choice of terminal finish can significantly impact the durability and effectiveness of electronic devices.
Nickel/Palladium/Gold (Ni/Pd/Au) - Applications
The parameter "Applications" in electronic components refers to the specific uses or functions for which a component is designed. It encompasses various fields such as consumer electronics, industrial automation, telecommunications, automotive, and medical devices. Understanding the applications helps in selecting the right components for a particular design based on performance, reliability, and compatibility requirements. This parameter also guides manufacturers in targeting their products to relevant markets and customer needs.
General Purpose - Capacitance
Capacitance is a fundamental electrical property of electronic components that describes their ability to store electrical energy in the form of an electric field. It is measured in farads (F) and represents the ratio of the amount of electric charge stored on a component to the voltage across it. Capacitors are passive components that exhibit capacitance and are commonly used in electronic circuits for various purposes such as filtering, energy storage, timing, and coupling. Capacitance plays a crucial role in determining the behavior and performance of electronic systems by influencing factors like signal propagation, frequency response, and power consumption.
22μF - Voltage - Rated DC
Voltage - Rated DC is a parameter that specifies the maximum direct current (DC) voltage that an electronic component can safely handle without being damaged. This rating is crucial for ensuring the proper functioning and longevity of the component in a circuit. Exceeding the rated DC voltage can lead to overheating, breakdown, or even permanent damage to the component. It is important to carefully consider this parameter when designing or selecting components for a circuit to prevent any potential issues related to voltage overload.
20V - Voltage - Supply
Voltage - Supply refers to the range of voltage levels that an electronic component or circuit is designed to operate with. It indicates the minimum and maximum supply voltage that can be applied for the device to function properly. Providing supply voltages outside this range can lead to malfunction, damage, or reduced performance. This parameter is critical for ensuring compatibility between different components in a circuit.
4.5V~36V - Terminal Position
In electronic components, the term "Terminal Position" refers to the physical location of the connection points on the component where external electrical connections can be made. These connection points, known as terminals, are typically used to attach wires, leads, or other components to the main body of the electronic component. The terminal position is important for ensuring proper connectivity and functionality of the component within a circuit. It is often specified in technical datasheets or component specifications to help designers and engineers understand how to properly integrate the component into their circuit designs.
DUAL - Supply Voltage
Supply voltage refers to the electrical potential difference provided to an electronic component or circuit. It is crucial for the proper operation of devices, as it powers their functions and determines performance characteristics. The supply voltage must be within specified limits to ensure reliability and prevent damage to components. Different electronic devices have specific supply voltage requirements, which can vary widely depending on their design and intended application.
5V - Base Part Number
The "Base Part Number" (BPN) in electronic components serves a similar purpose to the "Base Product Number." It refers to the primary identifier for a component that captures the essential characteristics shared by a group of similar components. The BPN provides a fundamental way to reference a family or series of components without specifying all the variations and specific details.
L293 - Function
The parameter "Function" in electronic components refers to the specific role or purpose that the component serves within an electronic circuit. It defines how the component interacts with other elements, influences the flow of electrical signals, and contributes to the overall behavior of the system. Functions can include amplification, signal processing, switching, filtering, and energy storage, among others. Understanding the function of each component is essential for designing effective and efficient electronic systems.
Driver - Fully Integrated, Control and Power Stage - Number of Outputs4
- Case Code (Metric)
Case Code (Metric) in electronic components refers to a standardized system that specifies the dimensions of surface-mount devices (SMD) in millimeters, consisting of a four-digit number where the first two digits represent the width and the last two digits represent the height of the component, measured in tenths of a millimeter. The metric case codes are standardized by organizations such as the EIA and IEC, and are often compared to the Imperial code which uses inches, allowing for easier identification and selection of components across different regions and industries. This coding system is widely used in the design and manufacturing of electronic devices, particularly in applications requiring compact and efficient component layouts, and is essential for engineers and designers to ensure proper component selection and facilitate the assembly process in electronic manufacturing.
7343 - Case Code (Imperial)
The term "Case Code (Imperial)" in electronic components refers to a standardized system used to specify the physical dimensions and package types of components, particularly capacitors and resistors. This code helps manufacturers and engineers identify the size and form factor of the component, ensuring compatibility with circuit designs and PCB layouts. In the context of electronic components, the Case Code (Imperial) typically follows a numerical format that indicates the length and width of the component in inches. For example, a Case Code of 1206 signifies a component that measures 0.12 inches by 0.06 inches. This coding system is essential for selecting the correct components for specific applications, as it provides a quick reference to the physical characteristics of the part, including its footprint and mounting style.
2917 - Output Voltage
Output voltage is a crucial parameter in electronic components that refers to the voltage level produced by the component as a result of its operation. It represents the electrical potential difference between the output terminal of the component and a reference point, typically ground. The output voltage is a key factor in determining the performance and functionality of the component, as it dictates the level of voltage that will be delivered to the connected circuit or load. It is often specified in datasheets and technical specifications to ensure compatibility and proper functioning within a given system.
36V - ESR (Equivalent Series Resistance)
Equivalent Series Resistance (ESR) is a parameter that describes the internal resistance of a capacitor or an inductor in an electronic circuit. It represents the total resistance that is present in series with the ideal capacitance or inductance of the component. ESR is typically caused by factors such as the resistance of the conductive materials used in the component, the connections within the component, and the dielectric material used. A lower ESR value is desirable in electronic components as it indicates better performance and efficiency, especially in applications where high-frequency signals or rapid changes in voltage are involved. ESR is an important parameter to consider when selecting components for applications such as power supplies, filtering circuits, and signal processing.
800mOhm - Interface
In electronic components, the term "Interface" refers to the point at which two different systems, devices, or components connect and interact with each other. It can involve physical connections such as ports, connectors, or cables, as well as communication protocols and standards that facilitate the exchange of data or signals between the connected entities. The interface serves as a bridge that enables seamless communication and interoperability between different parts of a system or between different systems altogether. Designing a reliable and efficient interface is crucial in ensuring proper functionality and performance of electronic components and systems.
Parallel - Operating Supply Current
Operating Supply Current, also known as supply current or quiescent current, is a crucial parameter in electronic components that indicates the amount of current required for the device to operate under normal conditions. It represents the current drawn by the component from the power supply while it is functioning. This parameter is important for determining the power consumption of the component and is typically specified in datasheets to help designers calculate the overall power requirements of their circuits. Understanding the operating supply current is essential for ensuring proper functionality and efficiency of electronic systems.
24mA - Output Configuration
Output Configuration in electronic components refers to the arrangement or setup of the output pins or terminals of a device. It defines how the output signals are structured and how they interact with external circuits or devices. The output configuration can determine the functionality and compatibility of the component in a circuit design. Common types of output configurations include single-ended, differential, open-drain, and push-pull configurations, each serving different purposes and applications in electronic systems. Understanding the output configuration of a component is crucial for proper integration and operation within a circuit.
Half Bridge (4) - Logic Function
In electronic components, the term "Logic Function" refers to the specific operation or behavior of a component based on its input signals. It describes how the component processes the input signals to produce the desired output. Logic functions are fundamental to digital circuits and are used to perform logical operations such as AND, OR, NOT, and XOR.Each electronic component, such as logic gates or flip-flops, is designed to perform a specific logic function based on its internal circuitry. By understanding the logic function of a component, engineers can design and analyze complex digital systems to ensure proper functionality and performance. Different logic functions can be combined to create more complex operations, allowing for the creation of sophisticated digital devices and systems.
AND - Output Polarity
Output polarity in electronic components refers to the orientation of the output signal in relation to the ground or reference voltage. It indicates whether the output voltage is positive or negative with respect to the ground. Positive output polarity means the signal is higher than the ground potential, while negative output polarity signifies that the signal is lower than the ground. This characteristic is crucial for determining compatibility with other components in a circuit and ensuring proper signal processing.
TRUE - Voltage - Load
Voltage - Load refers to the voltage across a load component in an electronic circuit when it is connected and operational. It represents the electrical potential difference that drives current through the load, which can be a resistor, motor, or other devices that consume electrical power. The voltage - load relationship is crucial for determining how much power the load will utilize and how it will affect the overall circuit performance. Properly managing voltage - load is essential for ensuring devices operate efficiently and safely within their specified limits.
4.5V~36V - Driver Number of Bits4
- Output Peak Current Limit-Nom
Output Peak Current Limit-Nom is a parameter in electronic components that specifies the maximum current that can be delivered by the output under normal operating conditions. This limit is typically set to protect the component from damage due to excessive current flow. It ensures that the component operates within its safe operating limits and prevents overheating or other potential issues. Designers and engineers use this parameter to ensure proper functioning and reliability of the electronic system in which the component is used.
1.2A - Supply Voltage1-Nom
Supply Voltage1-Nom is a parameter in electronic components that refers to the nominal or rated voltage level at which the component is designed to operate optimally. This parameter specifies the voltage level that the component requires to function correctly and efficiently. It is important to ensure that the actual supply voltage provided to the component closely matches the specified nominal voltage to prevent damage or malfunction. Deviating significantly from the nominal voltage may result in unreliable performance or even permanent damage to the component. It is crucial to adhere to the specified supply voltage range to ensure the proper functioning and longevity of the electronic component.
24V - Turn Off Time
Turn Off Time is a parameter in electronic components, particularly in devices like transistors and diodes. It refers to the time taken for the component to switch from an ON state to an OFF state when a control signal is applied. This parameter is crucial in determining the speed and efficiency of the component's operation. A shorter turn off time indicates faster switching speeds, which is important in applications where rapid switching is required, such as in power electronics and digital circuits. Manufacturers provide this specification in datasheets to help engineers and designers select the right components for their specific requirements.
0.8 µs - Built-in Protections
Built-in protections in electronic components refer to the safety features and mechanisms that are integrated into the component to prevent damage or malfunction in various situations. These protections are designed to safeguard the component from overvoltage, overcurrent, overheating, short circuits, and other potential hazards that could occur during operation. By having built-in protections, electronic components can operate more reliably and safely, extending their lifespan and reducing the risk of failure. These protections are essential for ensuring the overall performance and longevity of electronic devices and systems.
TRANSIENT; THERMAL - Motor Type - AC, DC
The parameter "Motor Type - AC, DC" in electronic components refers to the type of motor used in a particular device or system. AC motors run on alternating current, while DC motors run on direct current. The choice between AC and DC motors depends on the specific requirements of the application, such as power efficiency, speed control, and cost. AC motors are commonly used in household appliances and industrial equipment, while DC motors are often found in battery-operated devices and automotive applications. Understanding the motor type is crucial for selecting the right component to ensure optimal performance and compatibility within the system.
Brushed DC - Motor Type - Stepper
Motor Type - Stepper refers to a type of electromechanical device that converts electrical pulses into discrete mechanical movements. Stepper motors move in fixed angular increments or steps, allowing for precise control of position and speed. They are commonly used in applications requiring accurate positioning, such as 3D printers, CNC machines, and robotics. Stepper motors typically operate by energizing coils in a specific sequence, creating a magnetic field that moves the rotor in defined steps.
Bipolar - Height5.08mm
- Length19.8mm
- Width6.35mm
- Thickness
Thickness in electronic components refers to the measurement of how thick a particular material or layer is within the component structure. It can pertain to various aspects, such as the thickness of a substrate, a dielectric layer, or conductive traces. This parameter is crucial as it impacts the electrical, mechanical, and thermal properties of the component, influencing its performance and reliability in electronic circuits.
4.57mm - REACH SVHC
The parameter "REACH SVHC" in electronic components refers to the compliance with the Registration, Evaluation, Authorization, and Restriction of Chemicals (REACH) regulation regarding Substances of Very High Concern (SVHC). SVHCs are substances that may have serious effects on human health or the environment, and their use is regulated under REACH to ensure their safe handling and minimize their impact.Manufacturers of electronic components need to declare if their products contain any SVHCs above a certain threshold concentration and provide information on the safe use of these substances. This information allows customers to make informed decisions about the potential risks associated with using the components and take appropriate measures to mitigate any hazards.Ensuring compliance with REACH SVHC requirements is essential for electronics manufacturers to meet regulatory standards, protect human health and the environment, and maintain transparency in their supply chain. It also demonstrates a commitment to sustainability and responsible manufacturing practices in the electronics industry.
No SVHC - Radiation Hardening
Radiation hardening is the process of making electronic components and circuits resistant to damage or malfunction caused by high levels of ionizing radiation, especially for environments in outer space (especially beyond the low Earth orbit), around nuclear reactors and particle accelerators, or during nuclear accidents or nuclear warfare.
No - RoHS Status
RoHS means “Restriction of Certain Hazardous Substances” in the “Hazardous Substances Directive” in electrical and electronic equipment.
ROHS3 Compliant - Lead Free
Lead Free is a term used to describe electronic components that do not contain lead as part of their composition. Lead is a toxic material that can have harmful effects on human health and the environment, so the electronics industry has been moving towards lead-free components to reduce these risks. Lead-free components are typically made using alternative materials such as silver, copper, and tin. Manufacturers must comply with regulations such as the Restriction of Hazardous Substances (RoHS) directive to ensure that their products are lead-free and environmentally friendly.
Lead Free
L293DNE Applications
1. Stepper Motor Drivers
2. DC Motor Drivers
3. Latching Relay Drivers
L293DNE Block Diagram

L293DNE Circuit

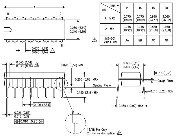
L293DNE Package

PDIP-16
| Mechanical Data | ||||||||||
| Pin nb | Package type | Ind std | JEDEC code | Package qty | Carrier | Device mark | Width (mm) | Length (mm) | Thick (mm) | Pitch (mm) |
| 16 | NE | PDIP | R-PDIP-T | 25 | TUBE | L293DNE | 6.35 | 19.8 | 4.57 | 2.54 |
L293DNE Manufacturer
Texas Instruments Inc. (TI) is an American technology company that designs and manufactures semiconductors and various integrated circuits, which it sells to electronics designers and manufacturers globally. Its headquarters are in Dallas, Texas, United States. TI is one of the top ten semiconductor companies worldwide, based on sales volume. Texas Instruments's focus is on developing analog chips and embedded processors, which account for more than 80% of its revenue. TI also produces TI digital light processing (DLP) technology and education technology products including calculators, microcontrollers, and multi-core processors.
L293D vs L298N
The differences between L293D and L298N are following:
1. L293D Drivers Operate at 4.5V to 36V whereas L298N can be Operates at up to 46V.
2. Maximum 600mA Current can be drawn through both channels of L293D whereas L298N Motor Driver can draw up to 2A from both channels.
3. L293 is a quadruple motor driver that uses a half-H driver while L298 is a dual full-H driver, i.e, in L293 all four input-output lines are independent while in L298, a half-H driver cannot be used independently, only a full H driver has to be used.
4. As L293 output current for each channel is 650mA whereas it is 2A for L298. Hence, the heat sink is provided in L298 motor drivers.
5. EMFs are provided internally in L293D but must be provided externally in L298.
6. L293D is suitable for small current drawing motors like BO motor, DC geared motors up to 500 RPM, and small stepper motors which take less current up to 600mA at their highest torque rating. Whereas L298N has the advantage of higher output current up to 2A and therefore it is suitable for high torque and high RPM motors like Johnson motors and high torque DC Geared motors.
Trend Analysis
Datasheet PDF
- PCN Design/Specification :
Parts with Similar Specs
- ImagePart NumberManufacturerPackage / CaseNumber of PinsLogic FunctionInterfaceDriver Number of BitsSupply VoltageSupply Voltage1-NomMounting TypeView Compare
L293DNE
16-DIP (0.300, 7.62mm)
16
AND
Parallel
4
5 V
24 V
Through Hole
16-DIP (0.300, 7.62mm)
16
Receiver, Transceiver
RS-232
2
5 V
-
Through Hole
16-DIP (0.300, 7.62mm)
16
-
Logic
-
5 V
24 V
Through Hole
16-DIP (0.300, 7.62mm)
16
AND
Parallel
-
5 V
24 V
Through Hole
16-DIP (0.300, 7.62mm)
16
AND
Parallel
-
5 V
24 V
Through Hole
How does an L293D work?
The L293D IC receives signals from the microprocessor and transmits the relative signal to the motors. It has two voltage pins, one of which is used to draw current for the working of the L293D and the other is used to apply voltage to the motors.
How many motors can be controlled using L293D?
Two DC motors. The L293D is a 16-pin Motor Driver IC that can control up to two DC motors simultaneously, in any direction.
Which is better L293D vs L298N?
L293D Drivers Operate at 4.5V to 36V whereas L298N can be Operates at up to 46V. Maximum 600mA Current can be drawn through both channels of L293D whereas L298N Motor Driver can draw up to 2A from both channels.
How does L293D control motor speed?
The L293D quadruple half-H drivers chip allows us to drive 2 motors in both directions, with two PWM outputs from the Arduino we can easily control the speed as well as the direction of rotation of one DC motor.
How do you use the L293D motor driver Arduino tutorial?
Connect Vcc1 pin to 5V output on Arduino. Make sure you common all the grounds in the circuit. Now, the input and enable pins(ENA, IN1, IN2, IN3, IN4, and ENB) of the L293D IC are connected to six Arduino digital output pins(9, 8, 7, 5, 4, and 3). Note that the Arduino output pins 9 and 3 are both PWM-enabled.
STM32F103C8T6 Microcontroller: Pinout, Datasheet, and Circuit14 July 202118102
PIC18F66K80 Family of Microcontrollers: Technical Overview29 February 2024281
A Comprehensive Guide to LTC6811HG-2#3ZZTRPBF Battery Management PMIC06 March 2024190
A Comprehensive Guide to LTC6420CUDC-20#TRPBF ADC Driver06 March 202465
2N4403 PNP Transistor: Datasheet, Test Circuits, and Equivalents13 August 20215305
LM193 Dual Voltage Comparator: Pinout, Equivalent and Datasheet06 November 20211743
Understanding the Renesas RH850/F1L Microcontroller for Automotive Body Applications29 February 20241287
74HC00 Quadruple 2-Input NAND Gates: 74LS Series vs. 74HC Series11 November 20215343
What is the Ripple of the Power Supply, How to Measure its Value, and How to Suppress it?23 November 20218602
Introduction to Inductive Reactance16 April 202110564
Basic Introduction to Hall Effect Sensors13 November 20257085
A User Guide to Automotive Relay30 July 20215391
What is Bluetooth Low Energy (BLE) Audio Technology?26 April 20224642
How to Design Reliable High-Side Switching Circuits with P-Channel MOSFETs?22 July 20253930
What is Electronic Ballast?28 September 202012835
What is a USB Data Cable?27 August 202112557
Texas Instruments
In Stock: 200
United States
China
Canada
Japan
Russia
Germany
United Kingdom
Singapore
Italy
Hong Kong(China)
Taiwan(China)
France
Korea
Mexico
Netherlands
Malaysia
Austria
Spain
Switzerland
Poland
Thailand
Vietnam
India
United Arab Emirates
Afghanistan
Åland Islands
Albania
Algeria
American Samoa
Andorra
Angola
Anguilla
Antigua & Barbuda
Argentina
Armenia
Aruba
Australia
Azerbaijan
Bahamas
Bahrain
Bangladesh
Barbados
Belarus
Belgium
Belize
Benin
Bermuda
Bhutan
Bolivia
Bonaire, Sint Eustatius and Saba
Bosnia & Herzegovina
Botswana
Brazil
British Indian Ocean Territory
British Virgin Islands
Brunei
Bulgaria
Burkina Faso
Burundi
Cabo Verde
Cambodia
Cameroon
Cayman Islands
Central African Republic
Chad
Chile
Christmas Island
Cocos (Keeling) Islands
Colombia
Comoros
Congo
Congo (DRC)
Cook Islands
Costa Rica
Côte d’Ivoire
Croatia
Cuba
Curaçao
Cyprus
Czechia
Denmark
Djibouti
Dominica
Dominican Republic
Ecuador
Egypt
El Salvador
Equatorial Guinea
Eritrea
Estonia
Eswatini
Ethiopia
Falkland Islands
Faroe Islands
Fiji
Finland
French Guiana
French Polynesia
Gabon
Gambia
Georgia
Ghana
Gibraltar
Greece
Greenland
Grenada
Guadeloupe
Guam
Guatemala
Guernsey
Guinea
Guinea-Bissau
Guyana
Haiti
Honduras
Hungary
Iceland
Indonesia
Iran
Iraq
Ireland
Isle of Man
Israel
Jamaica
Jersey
Jordan
Kazakhstan
Kenya
Kiribati
Kosovo
Kuwait
Kyrgyzstan
Laos
Latvia
Lebanon
Lesotho
Liberia
Libya
Liechtenstein
Lithuania
Luxembourg
Macao(China)
Madagascar
Malawi
Maldives
Mali
Malta
Marshall Islands
Martinique
Mauritania
Mauritius
Mayotte
Micronesia
Moldova
Monaco
Mongolia
Montenegro
Montserrat
Morocco
Mozambique
Myanmar
Namibia
Nauru
Nepal
New Caledonia
New Zealand
Nicaragua
Niger
Nigeria
Niue
Norfolk Island
North Korea
North Macedonia
Northern Mariana Islands
Norway
Oman
Pakistan
Palau
Palestinian Authority
Panama
Papua New Guinea
Paraguay
Peru
Philippines
Pitcairn Islands
Portugal
Puerto Rico
Qatar
Réunion
Romania
Rwanda
Samoa
San Marino
São Tomé & Príncipe
Saudi Arabia
Senegal
Serbia
Seychelles
Sierra Leone
Sint Maarten
Slovakia
Slovenia
Solomon Islands
Somalia
South Africa
South Sudan
Sri Lanka
St Helena, Ascension, Tristan da Cunha
St. Barthélemy
St. Kitts & Nevis
St. Lucia
St. Martin
St. Pierre & Miquelon
St. Vincent & Grenadines
Sudan
Suriname
Svalbard & Jan Mayen
Sweden
Syria
Tajikistan
Tanzania
Timor-Leste
Togo
Tokelau
Tonga
Trinidad & Tobago
Tunisia
Turkey
Turkmenistan
Turks & Caicos Islands
Tuvalu
U.S. Outlying Islands
U.S. Virgin Islands
Uganda
Ukraine
Uruguay
Uzbekistan
Vanuatu
Vatican City
Venezuela
Wallis & Futuna
Yemen
Zambia
Zimbabwe



















