TPS1H100AQPWPRQ1 High-Side Power Switch: Features, Pinout, and Datasheet
N-Channel PMIC Automotive, AEC-Q100 Series TPS1H100 14 Pin 13.5V 14-PowerTSSOP (0.173, 4.40mm Width)









N-Channel PMIC Automotive, AEC-Q100 Series TPS1H100 14 Pin 13.5V 14-PowerTSSOP (0.173, 4.40mm Width)
The TPS1H100AQPWPRQ1 is a fully protected high-side power switch with an integrated NMOS power FET and charge pump that is designed to intelligently regulate a variety of resistive, inductive, and capacitive loads. This article mainly introduces Features, Pinout, Datasheet and other detailed information about Texas Instruments TPS1H100AQPWPRQ1.

Transistor as a switch - low side or high side
- TPS1H100AQPWPRQ1 Description
- TPS1H100AQPWPRQ1 Pinout
- TPS1H100AQPWPRQ1 CAD Model
- TPS1H100AQPWPRQ1 Features
- Specifications
- Parts with Similar Specs
- TPS1H100AQPWPRQ1 Functional Block Diagram
- TPS1H100AQPWPRQ1 Typical Application Schematic
- TPS1H100AQPWPRQ1 Layout
- TPS1H100AQPWPRQ1 Applications
- TPS1H100AQPWPRQ1 Package
- TPS1H100AQPWPRQ1 Manufacturer
- Trend Analysis
- Datasheet PDF
TPS1H100AQPWPRQ1 Description
The TPS1H100AQPWPRQ1 is a fully protected high-side power switch with an integrated NMOS power FET and charge pump that is designed to intelligently regulate a variety of resistive, inductive, and capacitive loads. It stands out from the competition because of its accurate current sense and programmable current limit capabilities.
It has a single channel and is fully protected. The load may be intelligently controlled thanks to full diagnostics and high-accuracy current-sense features. The overall system's reliability is considerably improved by a programmable current-limit function. When diagnostics are disabled, both versions of the device diagnostic reporting can be set to the high-impedance state for multiplexing the MCU analog or digital interface among devices, and both can be set to the high-impedance state when diagnostics are removed.
The open-drain structure is used for version A of the digital status report. It pulls down to GND when a fault condition arises. To match the microcontroller supply level, a 3.3- or 5-V external pull-up is necessary.
High-accuracy current sensing in version B enables for a stronger real-time monitoring effect and more accurate diagnostics without the need for additional calibration. A current mirror is used to supply 1 / K of the load current, which is reflected on the CS pin as voltage. K remains constant regardless of temperature or supply voltage. The current-sensing function functions normally throughout a broad linear range of 0 to 4 V. By bringing up the voltage of VCS,h, the CS pin can also notify a defect.
For smart high-side power-switch devices, short-circuit reliability is crucial. The purpose of the AEC-Q100-012 standard is to verify the device's reliability when operating in a continuous short-circuit scenario. According to the past cycles, different grade levels are assigned. This device has the highest degree of qualification, Grade A, with a 1 million times short-to-GND certification.
Low-wattage bulbs, LEDs, relays, solenoids, and heaters can all benefit from the TPS1H100AQPWPRQ1 device, which can be utilized as a high-side power switch for a range of resistive, inductive, and capacitive loads.
TPS1H100AQPWPRQ1 Pinout
The following figure is TPS1H100AQPWPRQ1 Pinout.

Pinout
| Pin Number | Pin Name | Description |
| 13 | CL | Programmable current-limit pin. Connect to device GND if external current limit is not used. |
| 14 | CS | Current-sense output. Leave floating if not used. |
| 12 | DIAG_EN | Enable and disable pin for diagnostic functions. Connect to device GND if not used. |
| 2 | GND | Ground pin |
| 3 | IN | Input control for channel activation |
| 1, 4, 11 | NC | No-connect pin; leave floating. |
| 5, 6, 7 | OUT | Output, connected to load (NMOS source) |
| 8, 9, 10 | VS | Power supply; battery voltage |
| Thermal pad | Thermal pad. Connect to device GND or leave floating. |
TPS1H100AQPWPRQ1 CAD Model
The TPS1H100AQPWPRQ1 CAD Model is shown as follows.

Symbol

Footprint

3D Model
TPS1H100AQPWPRQ1 Features
• Qualified for automotive applications
• AEC-Q100 Qualified with the following results:
– Device temperature grade 1: –40°C to 125°C ambient operating temperature range
– Device HBM ESD classification level H3A
– Device CDM ESD classification level C4B
• Functional safety capable
– Documentation available to aid functional safety system design
• Single-channel smart high-side power switch with full diagnostics
– Version A: open-drain status output
– Version B: current sense analog output
• Wide operating voltage 3.5 to 40 V • Very-low standby current, <0.5 µA
• Operating junction temperature, –40 to 150°C • Input control, 3.3-V and 5-V logic compatible
• High-accuracy current sense, ±30 mA at 1 A, ±4 mA at 5 mA
• Programmable current limit with external resistor, ±20% at 0.5 A
• Diagnostic enable function for multiplexing of mcu analog or digital interface
• Tested according to AECQ100-12 Grade A, 1 million times Short to GND test
• Electrical transient disturbance immunity certification of ISO7637-2 and ISO16750-2
• Protection
– Overload and short-circuit protection
– Inductive load negative voltage clamp
– Undervoltage lockout ( UVLO ) protection
– Thermal shutdown/swing with self recovery
– Loss of GND, loss of supply protection
– Reverse battery protection with external circuitry
• Diagnostic
– On- and Off-state output open- and short-tobattery detection
– Overload and short to ground detection and current limit
– Thermal shutdown/swing detection
• 14-Pin Thermally-enhanced PWP package
Specifications
- TypeParameter
- Lifecycle Status
Lifecycle Status refers to the current stage of an electronic component in its product life cycle, indicating whether it is active, obsolete, or transitioning between these states. An active status means the component is in production and available for purchase. An obsolete status indicates that the component is no longer being manufactured or supported, and manufacturers typically provide a limited time frame for support. Understanding the lifecycle status is crucial for design engineers to ensure continuity and reliability in their projects.
ACTIVE (Last Updated: 5 days ago) - Factory Lead Time8 Weeks
- Mounting Type
The "Mounting Type" in electronic components refers to the method used to attach or connect a component to a circuit board or other substrate, such as through-hole, surface-mount, or panel mount.
Surface Mount - Package / Case
refers to the protective housing that encases an electronic component, providing mechanical support, electrical connections, and thermal management.
14-PowerTSSOP (0.173, 4.40mm Width) - Surface Mount
having leads that are designed to be soldered on the side of a circuit board that the body of the component is mounted on.
YES - Number of Pins14
- Turn Off Delay Time
It is the time from when Vgs drops below 90% of the gate drive voltage to when the drain current drops below 90% of the load current. It is the delay before current starts to transition in the load, and depends on Rg. Ciss.
20 μs - Operating Temperature
The operating temperature is the range of ambient temperature within which a power supply, or any other electrical equipment, operate in. This ranges from a minimum operating temperature, to a peak or maximum operating temperature, outside which, the power supply may fail.
-40°C~125°C TA - Packaging
Semiconductor package is a carrier / shell used to contain and cover one or more semiconductor components or integrated circuits. The material of the shell can be metal, plastic, glass or ceramic.
Tape & Reel (TR) - Series
In electronic components, the "Series" refers to a group of products that share similar characteristics, designs, or functionalities, often produced by the same manufacturer. These components within a series typically have common specifications but may vary in terms of voltage, power, or packaging to meet different application needs. The series name helps identify and differentiate between various product lines within a manufacturer's catalog.
Automotive, AEC-Q100 - JESD-609 Code
The "JESD-609 Code" in electronic components refers to a standardized marking code that indicates the lead-free solder composition and finish of electronic components for compliance with environmental regulations.
e4 - Pbfree Code
The "Pbfree Code" parameter in electronic components refers to the code or marking used to indicate that the component is lead-free. Lead (Pb) is a toxic substance that has been widely used in electronic components for many years, but due to environmental concerns, there has been a shift towards lead-free alternatives. The Pbfree Code helps manufacturers and users easily identify components that do not contain lead, ensuring compliance with regulations and promoting environmentally friendly practices. It is important to pay attention to the Pbfree Code when selecting electronic components to ensure they meet the necessary requirements for lead-free applications.
yes - Part Status
Parts can have many statuses as they progress through the configuration, analysis, review, and approval stages.
Active - Moisture Sensitivity Level (MSL)
Moisture Sensitivity Level (MSL) is a standardized rating that indicates the susceptibility of electronic components, particularly semiconductors, to moisture-induced damage during storage and the soldering process, defining the allowable exposure time to ambient conditions before they require special handling or baking to prevent failures
3 (168 Hours) - Number of Terminations14
- ECCN Code
An ECCN (Export Control Classification Number) is an alphanumeric code used by the U.S. Bureau of Industry and Security to identify and categorize electronic components and other dual-use items that may require an export license based on their technical characteristics and potential for military use.
EAR99 - Terminal Finish
Terminal Finish refers to the surface treatment applied to the terminals or leads of electronic components to enhance their performance and longevity. It can improve solderability, corrosion resistance, and overall reliability of the connection in electronic assemblies. Common finishes include nickel, gold, and tin, each possessing distinct properties suitable for various applications. The choice of terminal finish can significantly impact the durability and effectiveness of electronic devices.
Nickel/Palladium/Gold (Ni/Pd/Au) - Terminal Position
In electronic components, the term "Terminal Position" refers to the physical location of the connection points on the component where external electrical connections can be made. These connection points, known as terminals, are typically used to attach wires, leads, or other components to the main body of the electronic component. The terminal position is important for ensuring proper connectivity and functionality of the component within a circuit. It is often specified in technical datasheets or component specifications to help designers and engineers understand how to properly integrate the component into their circuit designs.
DUAL - Terminal Form
Occurring at or forming the end of a series, succession, or the like; closing; concluding.
GULL WING - Number of Functions1
- Supply Voltage
Supply voltage refers to the electrical potential difference provided to an electronic component or circuit. It is crucial for the proper operation of devices, as it powers their functions and determines performance characteristics. The supply voltage must be within specified limits to ensure reliability and prevent damage to components. Different electronic devices have specific supply voltage requirements, which can vary widely depending on their design and intended application.
13.5V - Base Part Number
The "Base Part Number" (BPN) in electronic components serves a similar purpose to the "Base Product Number." It refers to the primary identifier for a component that captures the essential characteristics shared by a group of similar components. The BPN provides a fundamental way to reference a family or series of components without specifying all the variations and specific details.
TPS1H100 - Number of Outputs1
- Output Type
The "Output Type" parameter in electronic components refers to the type of signal or data that is produced by the component as an output. This parameter specifies the nature of the output signal, such as analog or digital, and can also include details about the voltage levels, current levels, frequency, and other characteristics of the output signal. Understanding the output type of a component is crucial for ensuring compatibility with other components in a circuit or system, as well as for determining how the output signal can be utilized or processed further. In summary, the output type parameter provides essential information about the nature of the signal that is generated by the electronic component as its output.
N-Channel - Max Output Current
The maximum current that can be supplied to the load.
4A - Supply Voltage-Max (Vsup)
The parameter "Supply Voltage-Max (Vsup)" in electronic components refers to the maximum voltage that can be safely applied to the component without causing damage. It is an important specification to consider when designing or using electronic circuits to ensure the component operates within its safe operating limits. Exceeding the maximum supply voltage can lead to overheating, component failure, or even permanent damage. It is crucial to adhere to the specified maximum supply voltage to ensure the reliable and safe operation of the electronic component.
40V - Supply Voltage-Min (Vsup)
The parameter "Supply Voltage-Min (Vsup)" in electronic components refers to the minimum voltage level required for the component to operate within its specified performance range. This parameter indicates the lowest voltage that can be safely applied to the component without risking damage or malfunction. It is crucial to ensure that the supply voltage provided to the component meets or exceeds this minimum value to ensure proper functionality and reliability. Failure to adhere to the specified minimum supply voltage may result in erratic behavior, reduced performance, or even permanent damage to the component.
5V - Interface
In electronic components, the term "Interface" refers to the point at which two different systems, devices, or components connect and interact with each other. It can involve physical connections such as ports, connectors, or cables, as well as communication protocols and standards that facilitate the exchange of data or signals between the connected entities. The interface serves as a bridge that enables seamless communication and interoperability between different parts of a system or between different systems altogether. Designing a reliable and efficient interface is crucial in ensuring proper functionality and performance of electronic components and systems.
On/Off - Output Configuration
Output Configuration in electronic components refers to the arrangement or setup of the output pins or terminals of a device. It defines how the output signals are structured and how they interact with external circuits or devices. The output configuration can determine the functionality and compatibility of the component in a circuit design. Common types of output configurations include single-ended, differential, open-drain, and push-pull configurations, each serving different purposes and applications in electronic systems. Understanding the output configuration of a component is crucial for proper integration and operation within a circuit.
High Side - Output Current
The rated output current is the maximum load current that a power supply can provide at a specified ambient temperature. A power supply can never provide more current that it's rated output current unless there is a fault, such as short circuit at the load.
4A - Voltage - Supply (Vcc/Vdd)
Voltage - Supply (Vcc/Vdd) is a key parameter in electronic components that specifies the voltage level required for the proper operation of the device. It represents the power supply voltage that needs to be provided to the component for it to function correctly. This parameter is crucial as supplying the component with the correct voltage ensures that it operates within its specified limits and performance characteristics. It is typically expressed in volts (V) and is an essential consideration when designing and using electronic circuits to prevent damage and ensure reliable operation.
Not Required - Turn On Delay Time
Turn-on delay, td(on), is the time taken to charge the input capacitance of the device before drain current conduction can start.
20 μs - Switch Type
Based on their characteristics, there are basically three types of switches: Linear switches, tactile switches and clicky switches.
General Purpose - Ratio - Input:Output
The parameter "Ratio - Input:Output" in electronic components refers to the relationship between the input and output quantities of a device or system. It is a measure of how the input signal or energy is transformed or converted into the output signal or energy. This ratio is often expressed as a numerical value or percentage, indicating the efficiency or effectiveness of the component in converting the input to the desired output. A higher ratio typically signifies better performance or higher efficiency, while a lower ratio may indicate losses or inefficiencies in the conversion process. Understanding and optimizing the input-output ratio is crucial in designing and evaluating electronic components for various applications.
1:1 - Voltage - Load
Voltage - Load refers to the voltage across a load component in an electronic circuit when it is connected and operational. It represents the electrical potential difference that drives current through the load, which can be a resistor, motor, or other devices that consume electrical power. The voltage - load relationship is crucial for determining how much power the load will utilize and how it will affect the overall circuit performance. Properly managing voltage - load is essential for ensuring devices operate efficiently and safely within their specified limits.
5V~40V - Fault Protection
Protection against electric shock under. single fault conditions.
Current Limiting (Adjustable), Open Load Detect, Over Temperature, UVLO - Number of Drivers1
- Turn On Time
The time that it takes a gate circuit to allow a current to reach its full value.
50 μs - Output Peak Current Limit-Nom
Output Peak Current Limit-Nom is a parameter in electronic components that specifies the maximum current that can be delivered by the output under normal operating conditions. This limit is typically set to protect the component from damage due to excessive current flow. It ensures that the component operates within its safe operating limits and prevents overheating or other potential issues. Designers and engineers use this parameter to ensure proper functioning and reliability of the electronic system in which the component is used.
7A - Rds On (Typ)
The parameter "Rds On (Typ)" in electronic components refers to the typical on-state resistance of a MOSFET (Metal-Oxide-Semiconductor Field-Effect Transistor) when it is fully conducting. This parameter indicates the resistance encountered by the current flowing through the MOSFET when it is in the on-state, which affects the power dissipation and efficiency of the component. A lower Rds On value indicates better conduction and lower power loss in the MOSFET. Designers often consider this parameter when selecting components for applications where minimizing power loss and maximizing efficiency are critical factors.
80m Ω - Max Junction Temperature (Tj)
Max Junction Temperature (Tj) refers to the maximum allowable temperature at the junction of a semiconductor device, such as a transistor or integrated circuit. It is a critical parameter that influences the performance, reliability, and lifespan of the component. Exceeding this temperature can lead to thermal runaway, breakdown, or permanent damage to the device. Proper thermal management is essential to ensure the junction temperature remains within safe operating limits during device operation.
150°C - Turn Off Time
Turn Off Time is a parameter in electronic components, particularly in devices like transistors and diodes. It refers to the time taken for the component to switch from an ON state to an OFF state when a control signal is applied. This parameter is crucial in determining the speed and efficiency of the component's operation. A shorter turn off time indicates faster switching speeds, which is important in applications where rapid switching is required, such as in power electronics and digital circuits. Manufacturers provide this specification in datasheets to help engineers and designers select the right components for their specific requirements.
50 μs - Built-in Protections
Built-in protections in electronic components refer to the safety features and mechanisms that are integrated into the component to prevent damage or malfunction in various situations. These protections are designed to safeguard the component from overvoltage, overcurrent, overheating, short circuits, and other potential hazards that could occur during operation. By having built-in protections, electronic components can operate more reliably and safely, extending their lifespan and reducing the risk of failure. These protections are essential for ensuring the overall performance and longevity of electronic devices and systems.
TRANSIENT; OVER CURRENT; THERMAL; UNDER VOLTAGE - Ambient Temperature Range High
This varies from person to person, but it is somewhere between 68 and 77 degrees F on average. The temperature setting that is comfortable for an individual may fluctuate with humidity and outside temperature as well. The temperature of an air conditioned room can also be considered ambient temperature.
125°C - Features
In the context of electronic components, the term "Features" typically refers to the specific characteristics or functionalities that a particular component offers. These features can vary depending on the type of component and its intended use. For example, a microcontroller may have features such as built-in memory, analog-to-digital converters, and communication interfaces like UART or SPI.When evaluating electronic components, understanding their features is crucial in determining whether they meet the requirements of a particular project or application. Engineers and designers often look at features such as operating voltage, speed, power consumption, and communication protocols to ensure compatibility and optimal performance.In summary, the "Features" parameter in electronic components describes the unique attributes and capabilities that differentiate one component from another, helping users make informed decisions when selecting components for their electronic designs.
Status Flag - Height1.2mm
- Length5mm
- Width4.4mm
- Thickness
Thickness in electronic components refers to the measurement of how thick a particular material or layer is within the component structure. It can pertain to various aspects, such as the thickness of a substrate, a dielectric layer, or conductive traces. This parameter is crucial as it impacts the electrical, mechanical, and thermal properties of the component, influencing its performance and reliability in electronic circuits.
1mm - RoHS Status
RoHS means “Restriction of Certain Hazardous Substances” in the “Hazardous Substances Directive” in electrical and electronic equipment.
ROHS3 Compliant - Lead Free
Lead Free is a term used to describe electronic components that do not contain lead as part of their composition. Lead is a toxic material that can have harmful effects on human health and the environment, so the electronics industry has been moving towards lead-free components to reduce these risks. Lead-free components are typically made using alternative materials such as silver, copper, and tin. Manufacturers must comply with regulations such as the Restriction of Hazardous Substances (RoHS) directive to ensure that their products are lead-free and environmentally friendly.
Lead Free
Parts with Similar Specs
- ImagePart NumberManufacturerPackage / CaseNumber of PinsNumber of DriversMax Output CurrentOutput CurrentSupply VoltageRoHS StatusTerminal PositionView Compare
TPS1H100AQPWPRQ1
14-PowerTSSOP (0.173, 4.40mm Width)
14
1
4 A
4 A
13.5 V
ROHS3 Compliant
DUAL
8-SOIC (0.154, 3.90mm Width)
8
1
4 A
4 A
15 V
ROHS3 Compliant
DUAL
8-SOIC (0.154, 3.90mm Width)
8
-
4 A
4 A
15 V
ROHS3 Compliant
DUAL
SC-74A, SOT-753
5
-
4 A
4 A
12 V
ROHS3 Compliant
DUAL
8-WFDFN Exposed Pad
8
-
4 A
-
5 V
ROHS3 Compliant
DUAL
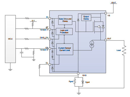
TPS1H100AQPWPRQ1 Functional Block Diagram
The following figure is TPS1H100AQPWPRQ1 Functional Block Diagram.

Functional Block Diagram
TPS1H100AQPWPRQ1 Typical Application Schematic
The following figure is TPS1H100AQPWPRQ1 Typical Application Schematic.

Typical Application Schematic
The following figure shows an example of how to design the external circuitry parameters.

Typical Application Circuitry
Design Requirements
• VS range from 9 V to 16 V
• Nominal current of 2 A
• Current sense for fault monitoring
• Expected current limit value of 5 A
• Full diagnostics with 5-V MCU
• Reverse protection with GND network
TPS1H100AQPWPRQ1 Layout
TJ must be less than 150°C to avoid a thermal shutdown. The power dissipation may be significant if the output current is quite high. The thermal impedance of the HTSSOP package is excellent. The PCB layout, on the other hand, is critical. A good PCB design can improve heat transfer, which is critical for the device's long-term durability.
• Increase the heat conductivity of the board by increasing the copper covering on the PCB. The copper on the PCB is the primary heatflow channel from the package to the ambient. When there are no heat sinks attached to the PCB on the opposite side of the board from the package, maximum copper is critical.
• To improve the board's thermal conductivity, place as many thermal vias as feasible directly beneath the package ground pad.
• To avoid solder voids, all thermal vias should be plated shut or plugged and sealed on both sides of the board. Solder coverage should be at least 85% to assure reliability and performance.
Without a GND Network
Without a GND network, tie the thermal pad directly to the board GND copper for better thermal performance.

Layout Without a GND Network
With a GND Network
With a GND network, tie the thermal pad with a single trace through the GND network to the board GND copper.

Layout With a GND Network
TPS1H100AQPWPRQ1 Applications
• High-side power switch for sub-module
• Power switch for low-wattage lamp
• High-side relays and solenoids
• PLC Digital output power switch
• General resistive, inductive, and capacitive loads
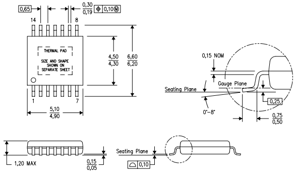
TPS1H100AQPWPRQ1 Package
The TPS1H100AQPWPRQ1 Package is shown as follows.

Package
TPS1H100AQPWPRQ1 Manufacturer
Texas Instruments Incorporated (TI) is an American technology corporation based in Dallas, Texas, that creates and manufactures semiconductors and integrated circuits for electronic designers and manufacturers around the world. Based on sales volume, it is one of the top ten semiconductor businesses in the world. Analog chips and embedded processors, which account for more than 80% of the company's revenue, are the company's main focus.
Trend Analysis
Datasheet PDF
- PCN Assembly/Origin :
- PCN Design/Specification :
What is the TPS1H100AQPWPRQ1 equipped with?
NMOS power FET and charge pump.
What features does the TPS1H100AQPWPRQ1 stand out from competition?
Accurate current sense and programmable current limit capabilities.
What channel does the TPS1H100AQPWPRQ1 have?
Single-channel.
What are the advantages of the TPS1H100AQPWPRQ1?
Full diagnostics and high-accuracy current-sense features.
What improves the reliability of the TPS1H100AQPWPRQ1?
A programmable current-limit function.
When can both versions of the TPS1H100AQPWPRQ1 be set to the high-impedance state?
When diagnostics are removed.
What is used for version A of the digital status report?
Open-drain structure.
What is required to match the microcontroller supply level?
3.3- or 5-V external pull-up.
What enables for a stronger real-time monitoring effect and more accurate diagnostics without the need for additional calibration?
High-accuracy current sensing.
What is crucial for smart high-side power-switch devices?
Short-circuit reliability.
What is the purpose of the AEC-Q100-012 standard?
To verify the devices reliability when operating in a continuous short-circuit scenario.
What is the highest grade of the TPS1H100AQPWPRQ1?
Grade A.
MX25R8035FZUIL0 Flash Memory: Features, Pinout, and Datasheet16 February 20222270
AT28BV256 EEPROMs: Pinout, Equivalent and Datasheet20 December 2021853
IRFP240 Power MOSFET: Pinout, Datasheet and Equivalent29 October 20217730
TMP86PH06UG(C)JZ Microcontroller Series: Technical Insights29 February 2024118
TIP41C Transistor: Datasheet, Pinout, and Test Circuits09 July 202140328
2N3906 VS 2N2222 VS 2N3904: What are the Differences?13 April 202214636
HC-SR501 PIR Motion Sensor: Datasheet, Pinout and Specifications19 October 202112528
W25Q16JVSSIQ IC: Features, Applications and Datasheet16 November 2023954
Introduction to DDIC (Display Driver IC)07 January 202630646
Photonic Integrated Circuits: Overcoming Challenges in Silicon Photonics26 August 20242905
What is an Oxygen Sensor?24 April 202512838
Semiconductor Inspection System Market Expected to Reach US$ 8,380.01 Million By 203015 September 20233701
Understanding of Coaxial Cable06 August 202139216
L298N: A Motor Driver That Accepts High Voltages24 February 20234439
What is Digital Signal Processing (DSP)?17 March 20224676
The Era of Business Globalization: Chinese Founders Aim to Conquer the World30 May 20227721
Texas Instruments
In Stock: 72000
United States
China
Canada
Japan
Russia
Germany
United Kingdom
Singapore
Italy
Hong Kong(China)
Taiwan(China)
France
Korea
Mexico
Netherlands
Malaysia
Austria
Spain
Switzerland
Poland
Thailand
Vietnam
India
United Arab Emirates
Afghanistan
Åland Islands
Albania
Algeria
American Samoa
Andorra
Angola
Anguilla
Antigua & Barbuda
Argentina
Armenia
Aruba
Australia
Azerbaijan
Bahamas
Bahrain
Bangladesh
Barbados
Belarus
Belgium
Belize
Benin
Bermuda
Bhutan
Bolivia
Bonaire, Sint Eustatius and Saba
Bosnia & Herzegovina
Botswana
Brazil
British Indian Ocean Territory
British Virgin Islands
Brunei
Bulgaria
Burkina Faso
Burundi
Cabo Verde
Cambodia
Cameroon
Cayman Islands
Central African Republic
Chad
Chile
Christmas Island
Cocos (Keeling) Islands
Colombia
Comoros
Congo
Congo (DRC)
Cook Islands
Costa Rica
Côte d’Ivoire
Croatia
Cuba
Curaçao
Cyprus
Czechia
Denmark
Djibouti
Dominica
Dominican Republic
Ecuador
Egypt
El Salvador
Equatorial Guinea
Eritrea
Estonia
Eswatini
Ethiopia
Falkland Islands
Faroe Islands
Fiji
Finland
French Guiana
French Polynesia
Gabon
Gambia
Georgia
Ghana
Gibraltar
Greece
Greenland
Grenada
Guadeloupe
Guam
Guatemala
Guernsey
Guinea
Guinea-Bissau
Guyana
Haiti
Honduras
Hungary
Iceland
Indonesia
Iran
Iraq
Ireland
Isle of Man
Israel
Jamaica
Jersey
Jordan
Kazakhstan
Kenya
Kiribati
Kosovo
Kuwait
Kyrgyzstan
Laos
Latvia
Lebanon
Lesotho
Liberia
Libya
Liechtenstein
Lithuania
Luxembourg
Macao(China)
Madagascar
Malawi
Maldives
Mali
Malta
Marshall Islands
Martinique
Mauritania
Mauritius
Mayotte
Micronesia
Moldova
Monaco
Mongolia
Montenegro
Montserrat
Morocco
Mozambique
Myanmar
Namibia
Nauru
Nepal
New Caledonia
New Zealand
Nicaragua
Niger
Nigeria
Niue
Norfolk Island
North Korea
North Macedonia
Northern Mariana Islands
Norway
Oman
Pakistan
Palau
Palestinian Authority
Panama
Papua New Guinea
Paraguay
Peru
Philippines
Pitcairn Islands
Portugal
Puerto Rico
Qatar
Réunion
Romania
Rwanda
Samoa
San Marino
São Tomé & Príncipe
Saudi Arabia
Senegal
Serbia
Seychelles
Sierra Leone
Sint Maarten
Slovakia
Slovenia
Solomon Islands
Somalia
South Africa
South Sudan
Sri Lanka
St Helena, Ascension, Tristan da Cunha
St. Barthélemy
St. Kitts & Nevis
St. Lucia
St. Martin
St. Pierre & Miquelon
St. Vincent & Grenadines
Sudan
Suriname
Svalbard & Jan Mayen
Sweden
Syria
Tajikistan
Tanzania
Timor-Leste
Togo
Tokelau
Tonga
Trinidad & Tobago
Tunisia
Turkey
Turkmenistan
Turks & Caicos Islands
Tuvalu
U.S. Outlying Islands
U.S. Virgin Islands
Uganda
Ukraine
Uruguay
Uzbekistan
Vanuatu
Vatican City
Venezuela
Wallis & Futuna
Yemen
Zambia
Zimbabwe


Product
Brand
Articles
Tools










