TPS7B6950QDBVRQ1 Regulator: Equivalents, Pinout
Fixed Tin TPS7B6950 PMIC Automotive, AEC-Q100 Series 5 SC-74A, SOT-753









Fixed Tin TPS7B6950 PMIC Automotive, AEC-Q100 Series 5 SC-74A, SOT-753
The TPS7B6950QDBVRQ1 high-voltage linear regulator operates over a 4-V to 40-V input voltage range. The article will show the introduction of the device.
- TPS7B6950QDBVRQ1 Description
- TPS7B6950QDBVRQ1 Pinout
- TPS7B6950QDBVRQ1 CAD Model
- TPS7B6950QDBVRQ1 Features
- TPS7B6950QDBVRQ1 Functional Block Diagram
- TPS7B6950QDBVRQ1 Recommended Operating Conditions
- TPS7B6950QDBVRQ1 Equivalents
- Specifications
- TPS7B6950QDBVRQ1 Applications
- TPS7B6950QDBVRQ1 Typical Application Circuit
- TPS7B6950QDBVRQ1 Package
- TPS7B6950QDBVRQ1 Manufacturer
- Trend Analysis
- Parts with Similar Specs
- Datasheet PDF
TPS7B6950QDBVRQ1 Description
The TPS7B6950QDBVRQ1 high-voltage linear regulator has an input voltage range of 4-V to 40-V. The device has a maximum output current of 150 mA and fixed output voltages of 2.5 V (TPS7B6925-Q1), 3.3 V (TPS7B6933-Q1), or 5 V. (TPS7B6950QDBVRQ1). To prevent damage during overheating and overcurrent conditions, the gadget has a thermal shutdown and short-circuit protection.
TPS7B6950QDBVRQ1 Pinout

TPS7B6950QDBVRQ1 CAD Model
Symbol

Footprint

3D Model

TPS7B6950QDBVRQ1 Features
• Qualified for Automotive Applications
• AEC-Q100 Qualified With the Following Results:
– Device Temperature Grade 1: –40°C to 125°C Ambient Operating Temperature Range
– Device HBM ESD Classification Level 2
– Device CDM ESD Classification Level C4B
• 4 to 40-V Wide VI Input Voltage Range With up to 45-V Transient
• Maximum Output Current: 150 mA
• Low Quiescent Current (IQ):
– 15 µA Typical at Light Loads
– 25 µA Maximum Under Full Temperature
• 450-mV Typical Low Dropout Voltage at 100 mA Load Current
• Stable With Low ESR Ceramic Output Capacitor (2.2 to 100 µF)
• Fixed 2.5-V, 3.3-V, and 5-V Output Voltage Options
• Integrated Fault Protection:
– Thermal Shutdown
– Short-Circuit Protection
• Packages:
– 4-Pin SOT-223 Package
– 5-Pin SOT-23 Package
TPS7B6950QDBVRQ1 Functional Block Diagram

TPS7B6950QDBVRQ1 Recommended Operating Conditions
| MIN | MAX | UNIT | ||
| Vi | Unregulated input voltage | 4 | 40 | V |
| Vo | Output voltage | 0 | 5.5 | V |
| co | Output capacitor requirements(1) | 2.2 | 100 | pF |
| ESRCo | Output ESR requirements(2) | 0.001 | 2 | Q |
| Tj | Operating junction temperature range | -40 | 150 | °C |
TPS7B6950QDBVRQ1 Equivalents
| Part Number | Description | Manufacturer |
| NJW4182F33-HPOWER CIRCUITS | Fixed Positive LDO Regulator, | New Japan Radio Co Ltd |
| TPS7B6950QDCYRQ1POWER CIRCUITS | Automotive 150-mA, off-battery (40-V), high-PSRR, low-IQ, low-dropout voltage regulator 4-SOT-223 -40 to 125 | Texas Instruments |
| TPS7B7033QPWPRQ1POWER CIRCUITS | Automotive 300-mA, off-battery (40-V), low-IQ, low-dropout voltage regulator with RESET with delay 16-HTSSOP -40 to 125 | Texas Instruments |
| TPS7B6933QDBVRQ1POWER CIRCUITS | Automotive 150-mA, off-battery (40-V), high-PSRR, low-IQ, low-dropout voltage regulator 5-SOT-23 -40 to 125 | Texas Instruments |
| NJW4182F33POWER CIRCUITS | Fixed Positive LDO Regulator, 3.3V, PDSO5, SOT-23, 5 PIN | New Japan Radio Co Ltd |
Specifications
- TypeParameter
- Lifecycle Status
Lifecycle Status refers to the current stage of an electronic component in its product life cycle, indicating whether it is active, obsolete, or transitioning between these states. An active status means the component is in production and available for purchase. An obsolete status indicates that the component is no longer being manufactured or supported, and manufacturers typically provide a limited time frame for support. Understanding the lifecycle status is crucial for design engineers to ensure continuity and reliability in their projects.
ACTIVE (Last Updated: 5 days ago) - Factory Lead Time6 Weeks
- Contact Plating
Contact plating (finish) provides corrosion protection for base metals and optimizes the mechanical and electrical properties of the contact interfaces.
Tin - Mount
In electronic components, the term "Mount" typically refers to the method or process of physically attaching or fixing a component onto a circuit board or other electronic device. This can involve soldering, adhesive bonding, or other techniques to secure the component in place. The mounting process is crucial for ensuring proper electrical connections and mechanical stability within the electronic system. Different components may have specific mounting requirements based on their size, shape, and function, and manufacturers provide guidelines for proper mounting procedures to ensure optimal performance and reliability of the electronic device.
Surface Mount - Mounting Type
The "Mounting Type" in electronic components refers to the method used to attach or connect a component to a circuit board or other substrate, such as through-hole, surface-mount, or panel mount.
Surface Mount - Package / Case
refers to the protective housing that encases an electronic component, providing mechanical support, electrical connections, and thermal management.
SC-74A, SOT-753 - Number of Pins5
- Operating Temperature
The operating temperature is the range of ambient temperature within which a power supply, or any other electrical equipment, operate in. This ranges from a minimum operating temperature, to a peak or maximum operating temperature, outside which, the power supply may fail.
-40°C~150°C - Packaging
Semiconductor package is a carrier / shell used to contain and cover one or more semiconductor components or integrated circuits. The material of the shell can be metal, plastic, glass or ceramic.
Tape & Reel (TR) - Series
In electronic components, the "Series" refers to a group of products that share similar characteristics, designs, or functionalities, often produced by the same manufacturer. These components within a series typically have common specifications but may vary in terms of voltage, power, or packaging to meet different application needs. The series name helps identify and differentiate between various product lines within a manufacturer's catalog.
Automotive, AEC-Q100 - JESD-609 Code
The "JESD-609 Code" in electronic components refers to a standardized marking code that indicates the lead-free solder composition and finish of electronic components for compliance with environmental regulations.
e3 - Pbfree Code
The "Pbfree Code" parameter in electronic components refers to the code or marking used to indicate that the component is lead-free. Lead (Pb) is a toxic substance that has been widely used in electronic components for many years, but due to environmental concerns, there has been a shift towards lead-free alternatives. The Pbfree Code helps manufacturers and users easily identify components that do not contain lead, ensuring compliance with regulations and promoting environmentally friendly practices. It is important to pay attention to the Pbfree Code when selecting electronic components to ensure they meet the necessary requirements for lead-free applications.
yes - Part Status
Parts can have many statuses as they progress through the configuration, analysis, review, and approval stages.
Active - Moisture Sensitivity Level (MSL)
Moisture Sensitivity Level (MSL) is a standardized rating that indicates the susceptibility of electronic components, particularly semiconductors, to moisture-induced damage during storage and the soldering process, defining the allowable exposure time to ambient conditions before they require special handling or baking to prevent failures
2 (1 Year) - Number of Terminations5
- ECCN Code
An ECCN (Export Control Classification Number) is an alphanumeric code used by the U.S. Bureau of Industry and Security to identify and categorize electronic components and other dual-use items that may require an export license based on their technical characteristics and potential for military use.
EAR99 - Terminal Position
In electronic components, the term "Terminal Position" refers to the physical location of the connection points on the component where external electrical connections can be made. These connection points, known as terminals, are typically used to attach wires, leads, or other components to the main body of the electronic component. The terminal position is important for ensuring proper connectivity and functionality of the component within a circuit. It is often specified in technical datasheets or component specifications to help designers and engineers understand how to properly integrate the component into their circuit designs.
DUAL - Terminal Form
Occurring at or forming the end of a series, succession, or the like; closing; concluding.
GULL WING - Number of Functions1
- Base Part Number
The "Base Part Number" (BPN) in electronic components serves a similar purpose to the "Base Product Number." It refers to the primary identifier for a component that captures the essential characteristics shared by a group of similar components. The BPN provides a fundamental way to reference a family or series of components without specifying all the variations and specific details.
TPS7B6950 - Pin Count
a count of all of the component leads (or pins)
5 - Number of Outputs1
- Voltage - Input (Max)
Voltage - Input (Max) is a parameter in electronic components that specifies the maximum voltage that can be safely applied to the input of the component without causing damage. This parameter is crucial for ensuring the proper functioning and longevity of the component. Exceeding the maximum input voltage can lead to electrical overstress, which may result in permanent damage or failure of the component. It is important to carefully adhere to the specified maximum input voltage to prevent any potential issues and maintain the reliability of the electronic system.
40V - Output Voltage
Output voltage is a crucial parameter in electronic components that refers to the voltage level produced by the component as a result of its operation. It represents the electrical potential difference between the output terminal of the component and a reference point, typically ground. The output voltage is a key factor in determining the performance and functionality of the component, as it dictates the level of voltage that will be delivered to the connected circuit or load. It is often specified in datasheets and technical specifications to ensure compatibility and proper functioning within a given system.
5V - Output Type
The "Output Type" parameter in electronic components refers to the type of signal or data that is produced by the component as an output. This parameter specifies the nature of the output signal, such as analog or digital, and can also include details about the voltage levels, current levels, frequency, and other characteristics of the output signal. Understanding the output type of a component is crucial for ensuring compatibility with other components in a circuit or system, as well as for determining how the output signal can be utilized or processed further. In summary, the output type parameter provides essential information about the nature of the signal that is generated by the electronic component as its output.
Fixed - Max Output Current
The maximum current that can be supplied to the load.
150mA - Max Supply Voltage
In general, the absolute maximum common-mode voltage is VEE-0.3V and VCC+0.3V, but for products without a protection element at the VCC side, voltages up to the absolute maximum rated supply voltage (i.e. VEE+36V) can be supplied, regardless of supply voltage.
40V - Min Supply Voltage
The minimum supply voltage (V min ) is explored for sequential logic circuits by statistically simulating the impact of within-die process variations and gate-dielectric soft breakdown on data retention and hold time.
5.5V - Nominal Supply Current
Nominal current is the same as the rated current. It is the current drawn by the motor while delivering rated mechanical output at its shaft.
15μA - Output Configuration
Output Configuration in electronic components refers to the arrangement or setup of the output pins or terminals of a device. It defines how the output signals are structured and how they interact with external circuits or devices. The output configuration can determine the functionality and compatibility of the component in a circuit design. Common types of output configurations include single-ended, differential, open-drain, and push-pull configurations, each serving different purposes and applications in electronic systems. Understanding the output configuration of a component is crucial for proper integration and operation within a circuit.
Positive - Quiescent Current
The quiescent current is defined as the current level in the amplifier when it is producing an output of zero.
15μA - Accuracy
Accuracy in electronic components refers to the degree to which a measured value agrees with the true or accepted value. It evaluates the precision of a component in providing correct output or measurement under specified conditions. High accuracy indicates minimal deviation from the actual value, while low accuracy shows significant error in measurement. This parameter is crucial in applications where precise data is essential for reliable performance and decision-making.
3 % - Output Voltage 1
Output Voltage 1 is a parameter commonly found in electronic components such as voltage regulators, power supplies, and amplifiers. It refers to the voltage level that is produced or delivered by the component at a specific output terminal or pin. This parameter is crucial for determining the performance and functionality of the component in a circuit. The specified output voltage should meet the requirements of the connected devices or components to ensure proper operation and compatibility. It is important to carefully consider and verify the output voltage 1 specification when selecting and using electronic components in a design or application.
5V - Number of Regulators
A regulator is a mechanism or device that controls something such as pressure, temperature, or fluid flow. The voltage regulator keeps the power level stabilized. A regulator is a mechanism or device that controls something such as pressure, temperature, or fluid flow.
1 - Min Input Voltage
The parameter "Min Input Voltage" in electronic components refers to the minimum voltage level that must be applied to the component for it to operate within its specified parameters. This value is crucial as providing a voltage below this minimum threshold may result in the component malfunctioning or not functioning at all. It is important to adhere to the specified minimum input voltage to ensure the proper operation and longevity of the electronic component. Failure to meet this requirement may lead to potential damage to the component or the overall system in which it is used.
5.5V - Protection Features
Protection features in electronic components refer to the built-in mechanisms or functionalities designed to safeguard the component and the overall system from various external factors or internal faults. These features are crucial for ensuring the reliability, longevity, and safety of the electronic device. Common protection features include overvoltage protection, overcurrent protection, reverse polarity protection, thermal protection, and short-circuit protection. By activating these features when necessary, the electronic component can prevent damage, malfunctions, or hazards that may arise from abnormal operating conditions or unforeseen events. Overall, protection features play a vital role in enhancing the robustness and resilience of electronic components in diverse applications.
Over Current, Over Temperature, Short Circuit, Under Voltage Lockout (UVLO) - Current - Quiescent (Iq)
The parameter "Current - Quiescent (Iq)" in electronic components refers to the amount of current consumed by a device when it is in a quiescent or idle state, meaning when it is not actively performing any tasks or operations. This parameter is important because it represents the baseline power consumption of the device even when it is not actively being used. A lower quiescent current (Iq) value is desirable as it indicates that the device is more energy-efficient and will consume less power when not in use, which can help extend battery life in portable devices and reduce overall power consumption in electronic systems. Designers often pay close attention to the quiescent current specification when selecting components for low-power applications or battery-operated devices.
25μA - Voltage Dropout (Max)
Voltage Dropout (Max) refers to the minimum voltage difference between the input and output of a voltage regulator or linear power supply needed to maintain proper regulation. It indicates the maximum allowable voltage drop across the device for it to function effectively without dropout. If the input voltage falls below this threshold, the output voltage may drop below the specified level, leading to potential operational issues for connected components. This parameter is critical for ensuring stable and reliable power delivery in electronic circuits.
0.8V @ 100mA - PSRR
PSRR stands for Power Supply Rejection Ratio. It is a measure of how well a device, such as an amplifier or a voltage regulator, can reject variations in the power supply voltage. A high PSRR value indicates that the device is able to maintain its performance even when the power supply voltage fluctuates. This parameter is important in ensuring stable and reliable operation of electronic components, especially in applications where the power supply voltage may not be perfectly regulated. A good PSRR helps to minimize noise and interference in the output signal of the device.
60dB (100Hz) - Dropout Voltage
Dropout voltage is the input-to-output differential voltage at which the circuit ceases to regulate against further reductions in input voltage; this point occurs when the input voltage approaches the output voltage.
450mV - Dropout Voltage1-Nom
Dropout Voltage1-Nom is a parameter commonly found in voltage regulators and power management ICs. It refers to the minimum voltage difference required between the input voltage and the output voltage for the regulator to maintain regulation. In other words, it is the minimum voltage drop that the regulator can handle while still providing a stable output voltage. This parameter is important to consider when designing power supply circuits to ensure that the regulator can operate within its specified voltage range and maintain proper regulation under varying load conditions.
0.7V - Min Current Limit
Min Current Limit is a parameter in electronic components that refers to the minimum amount of current that must flow through the component to ensure proper operation. This parameter is important because if the current falls below this limit, the component may not function as intended or may even be damaged. Manufacturers specify the minimum current limit to help users understand the operating conditions and limitations of the component. It is crucial to ensure that the current flowing through the component remains above the specified minimum limit to maintain its performance and reliability.
150mA - Max Junction Temperature (Tj)
Max Junction Temperature (Tj) refers to the maximum allowable temperature at the junction of a semiconductor device, such as a transistor or integrated circuit. It is a critical parameter that influences the performance, reliability, and lifespan of the component. Exceeding this temperature can lead to thermal runaway, breakdown, or permanent damage to the device. Proper thermal management is essential to ensure the junction temperature remains within safe operating limits during device operation.
150°C - Height1.45mm
- Length2.9mm
- Width1.6mm
- Thickness
Thickness in electronic components refers to the measurement of how thick a particular material or layer is within the component structure. It can pertain to various aspects, such as the thickness of a substrate, a dielectric layer, or conductive traces. This parameter is crucial as it impacts the electrical, mechanical, and thermal properties of the component, influencing its performance and reliability in electronic circuits.
1.2mm - RoHS Status
RoHS means “Restriction of Certain Hazardous Substances” in the “Hazardous Substances Directive” in electrical and electronic equipment.
ROHS3 Compliant - Lead Free
Lead Free is a term used to describe electronic components that do not contain lead as part of their composition. Lead is a toxic material that can have harmful effects on human health and the environment, so the electronics industry has been moving towards lead-free components to reduce these risks. Lead-free components are typically made using alternative materials such as silver, copper, and tin. Manufacturers must comply with regulations such as the Restriction of Hazardous Substances (RoHS) directive to ensure that their products are lead-free and environmentally friendly.
Lead Free
TPS7B6950QDBVRQ1 Applications
• Automotive
• Infotainment Systems With Sleep Mode
• Always-On Battery Applications
– Door Modules
– Remote Keyless-Entry Systems
– Immobilizers
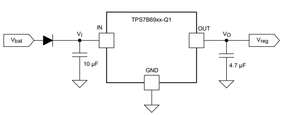
TPS7B6950QDBVRQ1 Typical Application Circuit

TPS7B6950QDBVRQ1 Typical Application Circuit
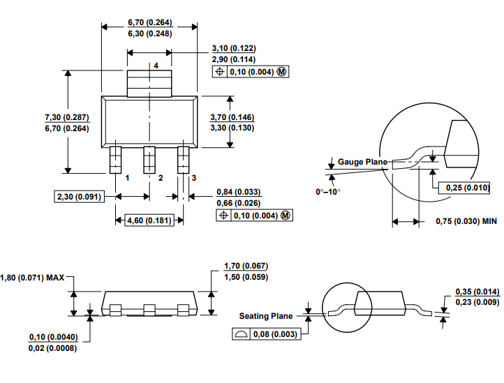
TPS7B6950QDBVRQ1 Package

TPS7B6950QDBVRQ1 Manufacturer
Texas Instruments Incorporated (TI) is an American technology company based in Dallas, Texas, that designs and manufactures semiconductors and various integrated circuits, which it sells to electronics designers and manufacturers globally. It is one of the top 10 semiconductor companies worldwide based on sales volume. The company's focus is on developing analog chips and embedded processors, which account for more than 80% of its revenue. TI also produces TI digital light processing technology and education technology products including calculators, micro-controllers, and multi-core processors. The company boasts 45,000 patents around the globe as of 2016.
Trend Analysis
Parts with Similar Specs
- ImagePart NumberManufacturerPackage / CaseNumber of PinsNumber of OutputsMax Output CurrentMin Input VoltageVoltage - Input (Max)Output VoltageAccuracyView Compare
TPS7B6950QDBVRQ1
SC-74A, SOT-753
5
1
150 mA
5.5 V
40V
5 V
3 %
SC-74A, SOT-753
5
1
150 mA
5.5 V
14V
5 V
-
SC-74A, SOT-753
5
1
150 mA
2.7 V
10V
6.5 V
3 %
SC-74A, SOT-753
5
1
150 mA
4 V
40V
3.3 V
3 %
SC-74A, SOT-753
5
1
150 mA
2.7 V
10V
6.5 V
3 %
What is TPS7B6950QDBVRQ1?
The TPS7B6950QDBVRQ1 high-voltage linear regulator has an input voltage range of 4-V to 40-V. The device has a maximum output current of 150 mA and fixed output voltages of 2.5 V (TPS7B6925-Q1), 3.3 V (TPS7B6933-Q1), or 5 V. (TPS7B6950QDBVRQ1). To prevent damage during overheating and overcurrent conditions, the gadget has a thermal shutdown and short-circuit protection.
What is the recommended operating temperature of the component?
-40°C~150°C.
What is the package of the device?
SC-74A, SOT-753.
What is the component’s number of pins?
5.
IRF730 Transistor: Datasheet, Pinout, IRF730 vs. IRF74026 November 20216829
FDG6335N N-Channel MOSFET: Diagram, Pinout, and Datasheet [Video&FAQ]28 April 20221526
24LC256 256K Serial EEPROM: Pinout, Equivalent and Datasheet17 December 20212969
AD595AQ vs AD595CQ: Thermocouple Amplifier Comparison30 June 2025241
STM32F103xx Performance Line Microcontroller: A Comprehensive Technical Examination29 February 2024124
ATtiny13A 8-Bit Microcontroller: Datasheet, Specifications, Pinout28 September 20215471
TDA1517P Power Amplifier: Circuit, Replacement and Pinout20 August 202119032
BSS138 MOSFET Guide: Logic-Level N-Channel Transistor Specs & Applications29 September 20251743
What is an Inverting Amplifier?25 April 20259310
What is an Application-specific Integrated Circuit?13 April 20211842
Cellular IoT Transmit Module for Enhanced Connectivity and Power Efficiency with Extended Battery Life30 January 20242137
Introduction to DDIC (Display Driver IC)17 February 202225248
Introduction to Reluctance Motor08 March 20214211
FPGA Tutorial: A Beginner's Guide to Programmable Logic Design in 202515 April 20251702
What are the Types of Camera Lenses?18 June 20212159
Trimmer Resistors: From Principles to Selection and Applications11 August 20251242
Texas Instruments
In Stock: 15888
United States
China
Canada
Japan
Russia
Germany
United Kingdom
Singapore
Italy
Hong Kong(China)
Taiwan(China)
France
Korea
Mexico
Netherlands
Malaysia
Austria
Spain
Switzerland
Poland
Thailand
Vietnam
India
United Arab Emirates
Afghanistan
Åland Islands
Albania
Algeria
American Samoa
Andorra
Angola
Anguilla
Antigua & Barbuda
Argentina
Armenia
Aruba
Australia
Azerbaijan
Bahamas
Bahrain
Bangladesh
Barbados
Belarus
Belgium
Belize
Benin
Bermuda
Bhutan
Bolivia
Bonaire, Sint Eustatius and Saba
Bosnia & Herzegovina
Botswana
Brazil
British Indian Ocean Territory
British Virgin Islands
Brunei
Bulgaria
Burkina Faso
Burundi
Cabo Verde
Cambodia
Cameroon
Cayman Islands
Central African Republic
Chad
Chile
Christmas Island
Cocos (Keeling) Islands
Colombia
Comoros
Congo
Congo (DRC)
Cook Islands
Costa Rica
Côte d’Ivoire
Croatia
Cuba
Curaçao
Cyprus
Czechia
Denmark
Djibouti
Dominica
Dominican Republic
Ecuador
Egypt
El Salvador
Equatorial Guinea
Eritrea
Estonia
Eswatini
Ethiopia
Falkland Islands
Faroe Islands
Fiji
Finland
French Guiana
French Polynesia
Gabon
Gambia
Georgia
Ghana
Gibraltar
Greece
Greenland
Grenada
Guadeloupe
Guam
Guatemala
Guernsey
Guinea
Guinea-Bissau
Guyana
Haiti
Honduras
Hungary
Iceland
Indonesia
Iran
Iraq
Ireland
Isle of Man
Israel
Jamaica
Jersey
Jordan
Kazakhstan
Kenya
Kiribati
Kosovo
Kuwait
Kyrgyzstan
Laos
Latvia
Lebanon
Lesotho
Liberia
Libya
Liechtenstein
Lithuania
Luxembourg
Macao(China)
Madagascar
Malawi
Maldives
Mali
Malta
Marshall Islands
Martinique
Mauritania
Mauritius
Mayotte
Micronesia
Moldova
Monaco
Mongolia
Montenegro
Montserrat
Morocco
Mozambique
Myanmar
Namibia
Nauru
Nepal
New Caledonia
New Zealand
Nicaragua
Niger
Nigeria
Niue
Norfolk Island
North Korea
North Macedonia
Northern Mariana Islands
Norway
Oman
Pakistan
Palau
Palestinian Authority
Panama
Papua New Guinea
Paraguay
Peru
Philippines
Pitcairn Islands
Portugal
Puerto Rico
Qatar
Réunion
Romania
Rwanda
Samoa
San Marino
São Tomé & Príncipe
Saudi Arabia
Senegal
Serbia
Seychelles
Sierra Leone
Sint Maarten
Slovakia
Slovenia
Solomon Islands
Somalia
South Africa
South Sudan
Sri Lanka
St Helena, Ascension, Tristan da Cunha
St. Barthélemy
St. Kitts & Nevis
St. Lucia
St. Martin
St. Pierre & Miquelon
St. Vincent & Grenadines
Sudan
Suriname
Svalbard & Jan Mayen
Sweden
Syria
Tajikistan
Tanzania
Timor-Leste
Togo
Tokelau
Tonga
Trinidad & Tobago
Tunisia
Turkey
Turkmenistan
Turks & Caicos Islands
Tuvalu
U.S. Outlying Islands
U.S. Virgin Islands
Uganda
Ukraine
Uruguay
Uzbekistan
Vanuatu
Vatican City
Venezuela
Wallis & Futuna
Yemen
Zambia
Zimbabwe











