Analog Devices EVAL-AD5532HSEB
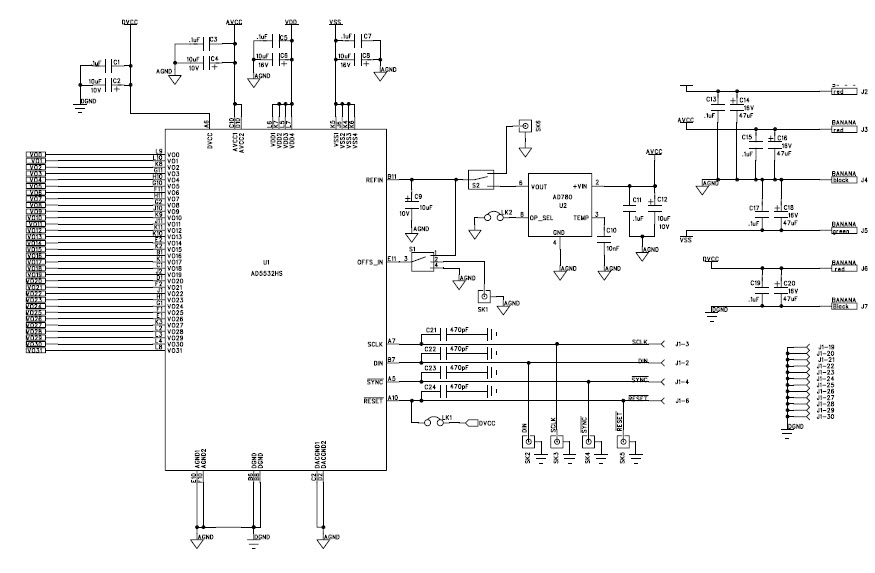
The Analog Devices EVAL-AD5532HSEB Evaluation Board is a versatile tool for evaluating the performance of the AD5532HS, a 32-channel high speed serial digital to analog converter. This board is designed for instrumentation and measurement applications, and features a wide range of features to help users evaluate the performance of the AD5532HS. The board includes a 32-channel, 16-bit DAC, a 32-channel, 16-bit ADC, a 32-channel, 16-bit digital I/O, and a 32-channel, 16-bit analog I/O. It also includes a USB interface for easy connection to a PC, and a variety of software tools to help users configure and evaluate the performance of the AD5532HS. The board also includes a variety of test points and connectors for easy connection to external devices. The EVAL-AD5532HSEB Evaluation Board is an ideal tool for evaluating the performance of the AD5532HS in instrumentation and measurement applications.


Product
Brand
Articles
Tools









