Analog Devices Inc. AD10465/PCBKIT EVAL PCB FOR AD10465
Description
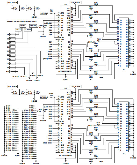
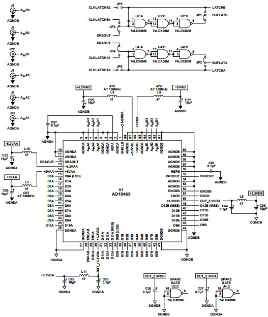
The Analog Devices AD10465-PCB Evaluation Board is designed to evaluate the performance of the AD10465 Dual Channel, 14-Bit, 65 MSPS A/D Converter. This evaluation board is ideal for applications in communications and telecom, providing a platform for testing and evaluating the performance of the AD10465. The board features two channels of 14-bit, 65 MSPS A/D conversion, with a sampling rate of up to 65 MSPS. It also includes a wide range of features, such as a low-noise power supply, a high-speed clock generator, and a wide range of input and output connectors. The board is designed to be easy to use and provides a comprehensive set of features for evaluating the performance of the AD10465.
Specifications
Analog Devices Inc. technical specifications, attributes, parameters and parts with similar specifications to Analog Devices Inc. .
- TypeParameter
- Contact PlatingLead, Tin
- MountPCB
- Number of Pins0
- PackagingBulk
- Part StatusActive
- Moisture Sensitivity Level (MSL)1 (Unlimited)
- Max Operating Temperature125°C
- Min Operating Temperature-55°C
- Base Part NumberAD10465
- Operating Supply Voltage5.25V
- InterfaceParallel
- Power Dissipation3.9W
- Number of Bits14
- Utilized IC / PartAD10465
- Supplied ContentsBoard(s)
- Data InterfaceParallel
- Resolution1.75 B
- Sampling Rate65 Msps
- Evaluation KitYes
- Sampling Rate (Per Second)65M
- Number of A/D Converters2
- Input Capacitance4pF
- Input Range±2V
- Power (Typ) @ Conditions3.5W @ 65MSPS
- RoHS StatusNon-RoHS Compliant
- Lead FreeContains Lead
0 Similar Products Remaining
Technical Documents
Associated Products
| Part Number | Manufacturer | Description | Stock | RFQ |
|---|---|---|---|---|
| Analog Devices, Inc. | 0 | RFQ | ||
| Analog Devices, Inc. | 0 | RFQ | ||
| Analog Devices Inc. | IC ADC 14BIT PIPELINED 68CLCC | 100 | RFQ | |
| Analog Devices, Inc. | 0 | RFQ | ||
| Analog Devices, Inc. | 1049 | RFQ |


Product
Brand
Articles
Tools














