Analog Devices Inc. AD8306-EVALZEvaluation Board For AD8306
Description
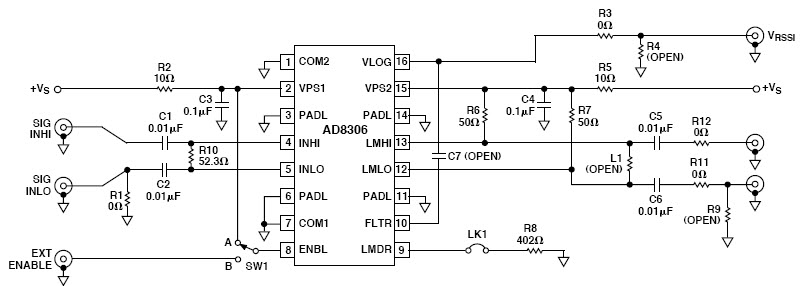
The Analog Devices AD8306-EVALZ Evaluation Board is designed for use with the AD8306, a high precision limiting-logarithmic amplifier with a frequency range of 5MHz to 400MHz and a dynamic range of 100dB. This board is ideal for instrumentation and measurement applications, providing a convenient platform for evaluating the performance of the AD8306. The board includes a power supply, a voltage regulator, and a set of test points for easy connection to external components. The board also includes a set of jumpers and switches to configure the AD8306 for various applications. The board is designed to be used with a variety of test equipment, including oscilloscopes, spectrum analyzers, and signal generators.
Specifications
Analog Devices Inc. technical specifications, attributes, parameters and parts with similar specifications to Analog Devices Inc. .
- TypeParameter
- Lifecycle StatusPRODUCTION (Last Updated: 1 month ago)
- Factory Lead Time8 Weeks
- Package / CaseSOIC
- Number of Pins0
- PackagingBox
- Part StatusActive
- Moisture Sensitivity Level (MSL)1 (Unlimited)
- Max Operating Temperature85°C
- Min Operating Temperature-40°C
- Base Part NumberAD8306
- Output TypeDifferential
- Operating Supply Current16mA
- Nominal Supply Current16mA
- Power Dissipation80mW
- Response Time73 ns
- Amplifier TypeLimiting
- Voltage - Supply, Single/Dual (±)2.7V~6.5V
- Utilized IC / PartAD8306
- Supplied ContentsBoard(s)
- Evaluation KitYes
- -3db Bandwidth850MHz
- Board TypeFully Populated
- Channels per IC1 - Single
- Current - Supply (Main IC)16mA
- RoHS StatusROHS3 Compliant
- Lead FreeContains Lead
0 Similar Products Remaining
Technical Documents
Associated Products
| Part Number | Manufacturer | Description | Stock | RFQ |
|---|---|---|---|---|
| Analog Devices, Inc. | 200 | RFQ | ||
| Analog Devices, Inc. | SP Amp LOG Amp Single 6.5V 16-Pin SOIC N T/R | 0 | RFQ | |
| Analog Devices Inc. | ANALOG DEVICES AD8306ARZ Logarithmic Amplifier, 6 Amplifier, 6, 0.4, 73 ns, SOIC, 16 Pins | 1000 | BUY | |
| Analog Devices Inc. | SP Amp LOG Amp Single 6.5V 16-Pin SOIC N T/R | 3000 | BUY |


Product
Brand
Articles
Tools














