Analog Devices Inc. AD9508/PCBZANALOG DEVICES AD9508/PCBZ1:4 DISTRIBUTION IC EVALUATION BOARD
Description
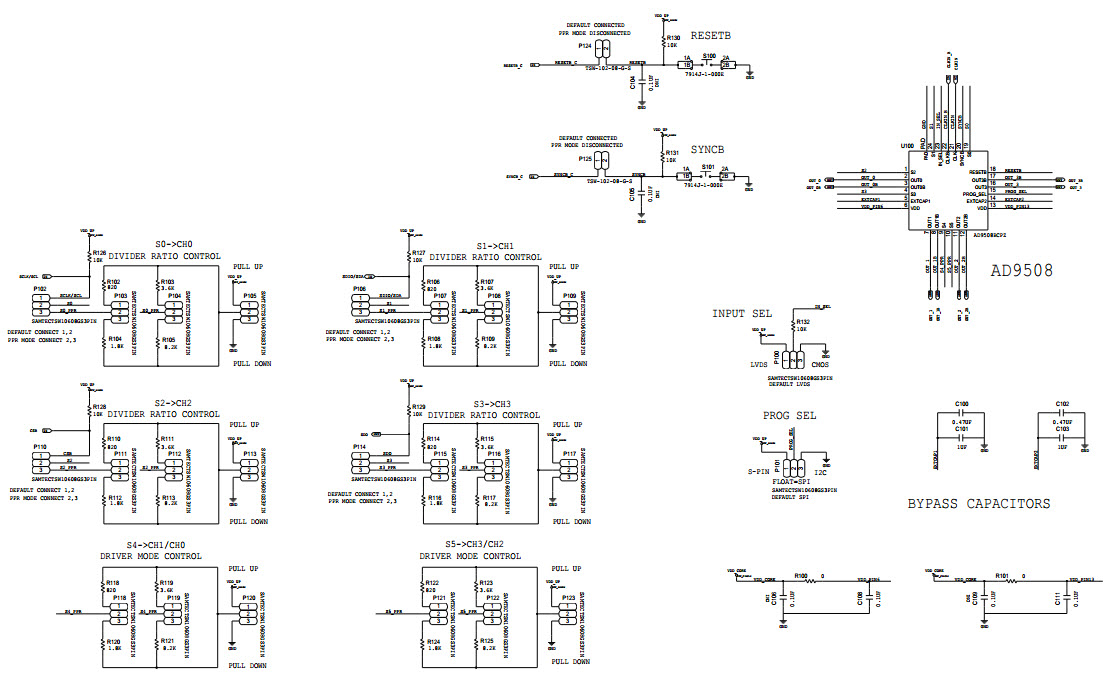
The Analog Devices AD9508-PCBZ, AD9508/PCBZ, Evaluation Board for the AD9508 is a 1.65 GHz clock fan-out buffer with output dividers and delay, designed for communications and telecom applications. It features a low-jitter, low-skew, high-performance clock fan-out buffer with output dividers and delay, allowing for the distribution of a single clock signal to multiple outputs. The board also includes a wide range of features, such as adjustable output dividers, adjustable output delays, and adjustable output skew. The board is designed to be used with the AD9508 clock fan-out buffer, and is ideal for applications requiring high-performance clock distribution.
Specifications
Analog Devices Inc. technical specifications, attributes, parameters and parts with similar specifications to Analog Devices Inc. .
- TypeParameter
- Lifecycle StatusPRODUCTION (Last Updated: 1 month ago)
- Factory Lead Time8 Weeks
- MountWall
- Number of Pins0
- PackagingBulk
- Part StatusActive
- Moisture Sensitivity Level (MSL)1 (Unlimited)
- TypeTiming
- Frequency250MHz
- Base Part NumberAD9508
- FunctionClock Buffer
- Operating Supply Voltage6V
- InterfaceI2C, SPI, USB
- Utilized IC / PartAD9508
- Supplied ContentsBoard(s)
- Evaluation KitYes
- Primary AttributesDifferential Inputs
- Secondary AttributesI2C and SPI Interfaces
- REACH SVHCNo SVHC
- RoHS StatusROHS3 Compliant
- Lead FreeContains Lead
0 Similar Products Remaining
Technical Documents
Associated Products
| Part Number | Manufacturer | Description | Stock | RFQ |
|---|---|---|---|---|
| Analog Devices Inc. | IC REG LIN POS ADJ 500MA 8LFCSP | 21 | RFQ | |
| Analog Devices Inc. | IC REG BUCK ADJ 1.2A TSOT23-6 | 1983 | RFQ | |
| ECS Inc. | CRYSTAL 24.0000MHZ 12PF SMD | 4000 | BUY | |
| Analog Devices Inc. | ANALOG DEVICES ADP150AUJZ-3.3-R7 Fixed LDO Voltage Regulator, 2.2V to 5.5V, 105mV Dropout, 3.3Vout, 150mAout, TSOT-5 | 53 | RFQ | |
| Analog Devices Inc. | Level Translator 20-Pin TSSOP T/R | 772 | RFQ | |
| Analog Devices Inc. | IC REG LINEAR 5V 500MA 8LFCSP | 20 | RFQ | |
| Analog Devices Inc. | IC REG LINEAR 9V 500MA 8LFCSP | 2933 | BUY | |
| Analog Devices Inc. | IC REG LINEAR 3.3V 500MA 8LFCSP | 10 | BUY | |
| Analog Devices Inc. | IC REG LINEAR 3V 500MA 8LFCSP | 100 | RFQ | |
| Analog Devices Inc. | IC REG LINEAR 1.5V 500MA 8LFCSP | 155 | BUY |


Product
Brand
Articles
Tools

















