Linear Technology/Analog Devices DC1954A-DLTC6954-4 DEMO BOARD LOW PHASE N
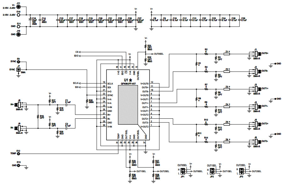
The Analog Devices DC1954A-D Demo Board is a versatile and powerful tool for evaluating the performance of the LTC6954-4 Low Phase Noise, Triple Output Clock Distribution Divider/Driver. It features three LVDS/CMOS outputs (DC590 or DC2026) and is ideal for use in communications and telecom applications. The board is designed to provide a wide range of clock frequencies and is capable of providing up to three outputs with a maximum frequency of 1.2GHz. It also features a wide range of features such as adjustable output skew, adjustable output voltage, adjustable output current, and adjustable output impedance. The board also includes a variety of test points and connectors for easy connection to external test equipment. The board is also designed to be easy to use and provides a comprehensive user manual for quick setup and operation.
- TypeParameter
- Factory Lead Time8 Weeks
- Published2012
- Part StatusActive
- Moisture Sensitivity Level (MSL)1 (Unlimited)
- TypeTiming
- Base Part NumberLTC6954
- FunctionClock Distribution
- Utilized IC / PartLTC6954-4
- Supplied ContentsBoard(s)
- Primary Attributes3-Channel (Triple)
- EmbeddedNo
- Secondary AttributesGraphical User Interface
- RoHS StatusROHS3 Compliant
| Part Number | Manufacturer | Description | Stock | RFQ |
|---|---|---|---|---|
| Analog Devices, Inc. | 0 | RFQ | ||
| Microchip Technology | MICROCHIP - 24LC025-I/ST - SERIAL EEPROM, 2KBIT, 400KHZ, TSSOP-8 | 25 | RFQ |


Product
Brand
Articles
Tools














