Analog Devices Inc. AD9549A/PCBZANALOG DEVICES AD9549A/PCBZ650MHZ DDS CLK GEN W/SYNCH EB
Description
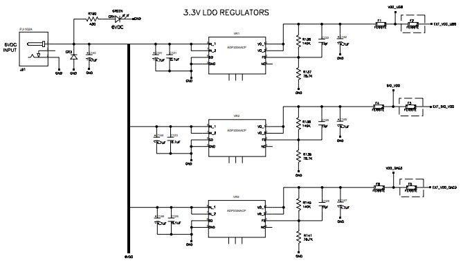
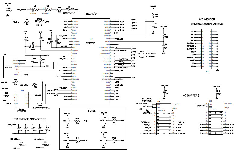
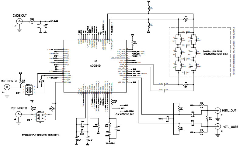
The Analog Devices AD9549A-PCBZ Evaluation Board is designed to evaluate the performance of the AD9549A 8kHz to 750MHz Input Clock Generator, Communications and Telecom Clock Synthesizer. This board features a wide range of features, including a low-noise, low-jitter clock generator, a wide range of output frequencies, and a wide range of output formats. The board also includes a variety of test points and connectors for easy evaluation and testing. The board is designed to be used with the AD9549A Clock Generator and is compatible with a variety of other Analog Devices products. The board is ideal for use in communications and telecom applications, providing a reliable and accurate clock source.
Specifications
Analog Devices Inc. technical specifications, attributes, parameters and parts with similar specifications to Analog Devices Inc. .
- TypeParameter
- Lifecycle StatusPRODUCTION (Last Updated: 1 month ago)
- Factory Lead Time8 Weeks
- Number of Pins0
- PackagingBulk
- Part StatusActive
- Moisture Sensitivity Level (MSL)1 (Unlimited)
- TypeTiming
- Frequency750MHz
- Base Part NumberAD9549
- FunctionClock Generator
- Operating Supply Voltage3.3V
- InterfaceSerial
- Utilized IC / PartAD9549A
- Supplied ContentsBoard(s)
- Evaluation KitYes
- Primary Attributes8kHz ~ 750MHz Input
- EmbeddedNo
- Secondary AttributesDifferential Output
- REACH SVHCNo SVHC
- RoHS StatusROHS3 Compliant
- Lead FreeContains Lead
0 Similar Products Remaining
Technical Documents
Associated Products
| Part Number | Manufacturer | Description | Stock | RFQ |
|---|---|---|---|---|
| Cypress Semiconductor | 0 | RFQ | ||
| Microchip Technology | MICROCHIP - 24LC00/SN - SERIAL EEPROM, 128BIT, 400KHZ, SOIC-8 | 13000 | BUY | |
| Nexperia USA Inc. | IC BUFFER NON-INVERT 3.6V 20SO | 4000 | BUY | |
| Nexperia USA Inc. | IC BUF NON-INVERT 3.6V 20TSSOP | 15525 | RFQ | |
| Analog Devices Inc. | PLL Clock Synthesizer Single 64-Pin LFCSP EP Tray | 2151 | BUY | |
| Analog Devices Inc. | PLL Clock Synthesizer Single 64-Pin LFCSP EP T/R | 71 | BUY | |
| Nexperia USA Inc. | IC BUFF NON-INVERT 3.6V 20DHVQFN | 30000 | BUY | |
| Nexperia USA Inc. | IC BUF NON-INVERT 3.6V 20TSSOP | 2500 | BUY |


Product
Brand
Articles
Tools




























