Analog Devices Inc. AD9746-DPG2-EBZIC DAC DUAL 14BIT 72LFCSP
Description
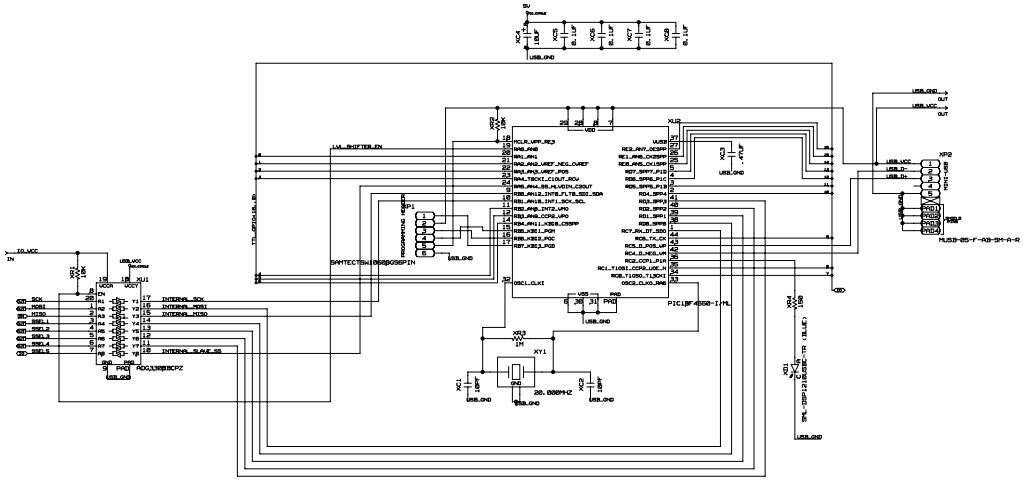
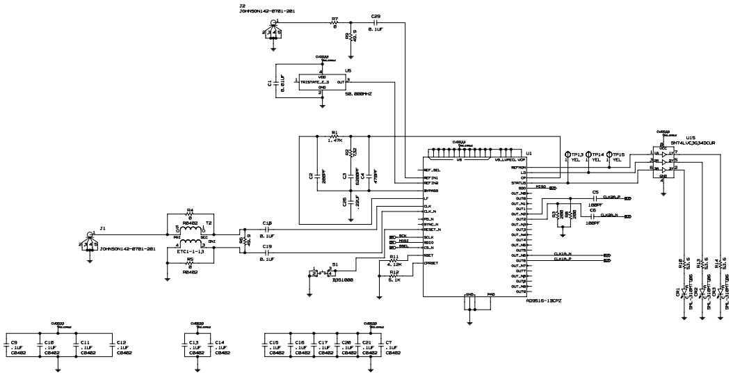
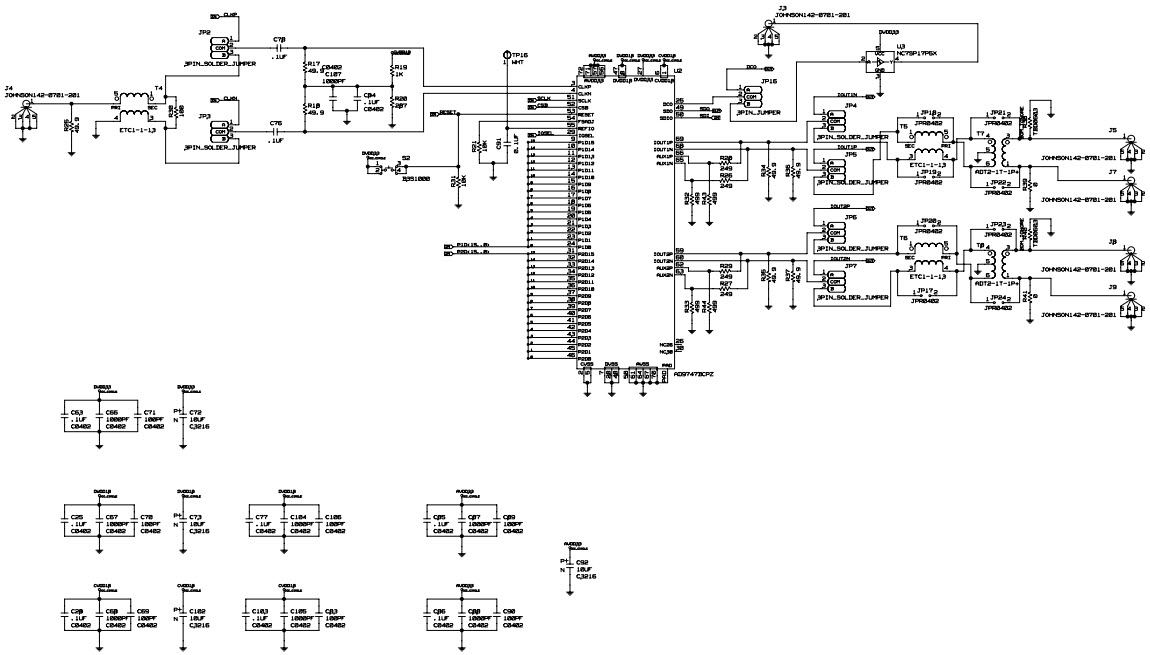
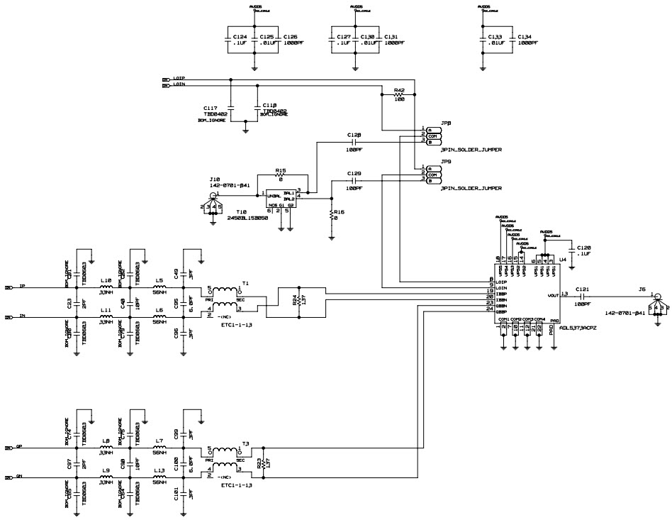
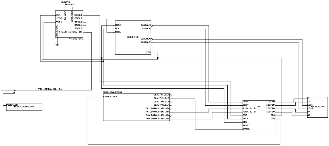
The Analog Devices AD9746-DPG2-EBZ Evaluation Board is designed to evaluate the performance of the AD9746 Dual, 14-bit, 250 MSPS Digital to Analog Converter. This board features a wide range of instrumentation and measurement capabilities, including a high-speed differential clock input, a low-noise power supply, and a wide range of analog and digital test points. The board also includes a comprehensive set of software tools to help users quickly and easily evaluate the performance of the AD9746. The board is ideal for applications such as high-speed data acquisition, instrumentation, and test and measurement.
Specifications
Analog Devices Inc. technical specifications, attributes, parameters and parts with similar specifications to Analog Devices Inc. .
- TypeParameter
- Lifecycle StatusPRODUCTION (Last Updated: 1 month ago)
- Factory Lead Time8 Weeks
- Package / Case200
- Number of Pins0
- PackagingBulk
- Part StatusActive
- Moisture Sensitivity Level (MSL)2 (1 Year)
- Max Operating Temperature85°C
- Min Operating Temperature-40°C
- Base Part NumberAD9746
- Operating Supply Voltage5V
- InterfaceParallel, USB
- Power Dissipation355mW
- Number of Bits14
- Min Input Voltage1.15V
- Max Input Voltage1.3V
- Utilized IC / PartAD9746
- Supplied ContentsBoard(s)
- Data InterfaceParallel
- Resolution1.75 B
- Sampling Rate250 Msps
- Evaluation KitYes
- Sampling Rate (Per Second)250M
- Number of Converters2
- Conversion Rate250 Msps
- Number of DAC Channels2
- DAC TypeCurrent
- RoHS StatusROHS3 Compliant
- Lead FreeContains Lead
0 Similar Products Remaining
Technical Documents
Associated Products
| Part Number | Manufacturer | Description | Stock | RFQ |
|---|---|---|---|---|
| Analog Devices Inc. | Clock Generator 64-Pin LFCSP EP Tray | 0 | RFQ | |
| Microchip Technology | IC MCU 8BIT 32KB FLASH 44QFN | 6 | RFQ | |
| Texas Instruments | IC BUFFER NON-INVERT 5.5V US8 | 3297 | RFQ | |
| ON Semiconductor | IC BUFFER SCHM TRIG ULP SC705 | 6000 | RFQ | |
| Analog Devices Inc. | DAC 2-CH 14-bit 72-Pin LFCSP EP Tray | 725 | RFQ | |
| Abracon LLC | CRYSTAL 20.0000MHZ 10PF SMD | 14650 | RFQ | |
| Abracon LLC | ABRACON - ASV-50.000MHZ-EJ-T - Oscillator, 50 MHz, 20 ppm, SMD, 7mm x 5mm, 3.3 V, ASV Series | 16350 | BUY |


Product
Brand
Articles
Tools






























