Analog Devices Inc. AD9910/PCBZBOARD EVAL FOR AD9910 1GSPS
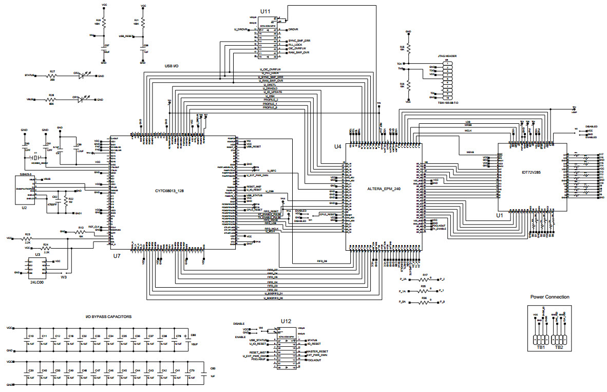
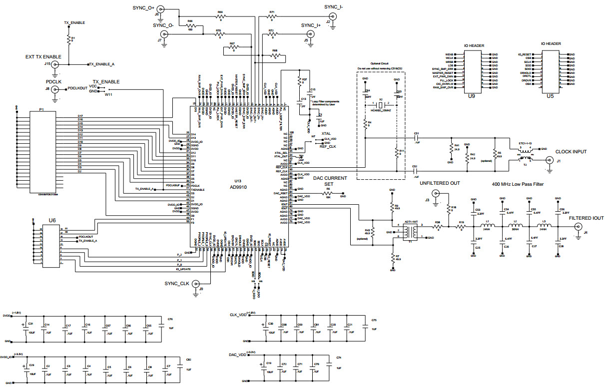
The Analog Devices AD9910-PCBZ Evaluation Board is a powerful consumer electronics device that utilizes the AD9910/PCBZ 1 GSPS DDS with 14-Bit DAC. This board is designed to provide a comprehensive evaluation platform for the AD9910/PCBZ device, allowing users to quickly and easily evaluate the performance of the device. The board features a wide range of features, including a high-speed digital-to-analog converter, a low-noise power supply, and a wide range of control and monitoring options. The board also includes a comprehensive set of software tools to help users quickly and easily evaluate the performance of the device. With its powerful features and easy-to-use design, the AD9910-PCBZ Evaluation Board is an ideal choice for consumer electronics applications.
- TypeParameter
- Lifecycle StatusPRODUCTION (Last Updated: 1 month ago)
- Factory Lead Time8 Weeks
- MountCable
- Number of Pins0
- PackagingBulk
- SeriesAgileRF™
- Part StatusActive
- Moisture Sensitivity Level (MSL)1 (Unlimited)
- TypeTiming
- Frequency1GHz
- Base Part NumberAD9910
- FunctionDirect Digital Synthesis (DDS)
- Operating Supply Voltage3.3V
- InterfaceUSB
- Utilized IC / PartAD9910
- Supplied ContentsBoard(s), Cable(s)
- Resolution1.75 B
- Evaluation KitYes
- Primary Attributes14-Bit DAC, 32-Bit Tuning Word Width
- EmbeddedNo
- Secondary Attributes1GHz, Graphical User Interface
- REACH SVHCNo SVHC
- RoHS StatusROHS3 Compliant
- Lead FreeContains Lead
| Part Number | Manufacturer | Description | Stock | RFQ |
|---|---|---|---|---|
| Microchip | 16 X 8 I2C/2-WIRE SERIAL EEPROM, PDSO8, 3.90 MM, ROHS COMPLIANT, PLASTIC, SOIC-8 | 0 | RFQ | |
| Microchip | 16 X 8 I2C/2-WIRE SERIAL EEPROM, PDSO8, 3.90 MM, ROHS COMPLIANT, PLASTIC, SOIC-8 | 410 | RFQ | |
| Microchip Technology | IC EEPROM 128 I2C 400KHZ 8TSSOP | 13000 | RFQ | |
| Microchip Technology | EEPROM Serial-I2C 128-bit 16 x 8 3.3V/5V 8-Pin TDFN EP T/R | 27 | RFQ | |
| Microchip Technology | IC EEPROM 128 I2C 400KHZ 8SOIC | 97 | RFQ | |
| Microchip Technology | IC EEPROM 128 I2C 400KHZ 8TSSOP | 5000 | BUY | |
| Microchip Technology | IC EEPROM 128 I2C 400KHZ 8TSSOP | 27 | RFQ | |
| Microchip Technology | IC EEPROM 128 I2C 400KHZ 8TSSOP | 30000 | RFQ | |
| Texas Instruments | PROTOTYPE | 0 | RFQ | |
| Texas Instruments | PROTOTYPE | 0 | RFQ |


Product
Brand
Articles
Tools




















