Linear Technology/Analog Devices DC1846A-ADEMO BOARD MS LTC6947 SYNTHESIZR
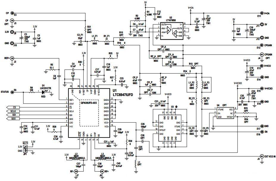
The Analog Devices DC1846A-A Demonstration Board for the LTC6947 Ultra Low Noise and Spurious Fractional-N Synthesizer is a versatile and powerful tool for communications and telecom applications. It is designed to provide a comprehensive platform for evaluating the performance of the LTC6947 synthesizer. The board features a wide range of features, including a low-noise, low-spurious fractional-N synthesizer, a wide range of output frequencies, a wide range of output power levels, and a wide range of modulation formats. The board also includes a variety of test points and connectors for easy connection to external test equipment. The board is designed to be used with the LTC6947 evaluation board, which provides a complete system for evaluating the performance of the LTC6947 synthesizer. The DC1846A-A board is an ideal tool for communications and telecom applications, providing a comprehensive platform for evaluating the performance of the LTC6947 synthesizer.
- TypeParameter
- Lifecycle StatusPRODUCTION (Last Updated: 2 weeks ago)
- Factory Lead Time8 Weeks
- Number of Pins0
- Published2014
- Part StatusActive
- Moisture Sensitivity Level (MSL)1 (Unlimited)
- TypeTiming
- FunctionFrequency Synthesizer
- Utilized IC / PartLTC6947
- Supplied ContentsBoard(s)
- Primary AttributesSingle Fractional-N PLL with VCO
- Secondary AttributesSMA Connectors
- RoHS StatusROHS3 Compliant
| Part Number | Manufacturer | Description | Stock | RFQ |
|---|---|---|---|---|
| Microchip Technology | MICROCHIP - 24LC025-I/ST - SERIAL EEPROM, 2KBIT, 400KHZ, TSSOP-8 | 25 | RFQ |


Product
Brand
Articles
Tools













