Analog Devices Inc. AD9914/PCBZData Conversion IC Development Tools AD9914 Eval Brd
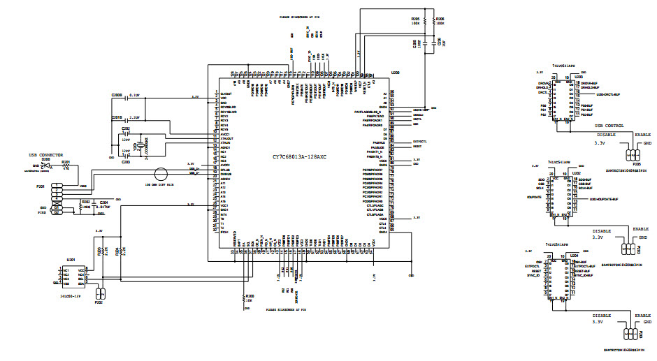
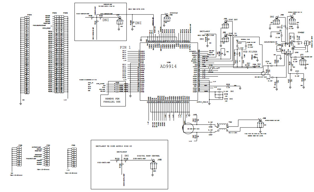
The Analog Devices AD9914-PCBZ Evaluation Board is a powerful consumer electronics tool for testing and evaluating the AD9914/PCBZ 3.5 GSPS Direct Digital Synthesizer with 12-Bit DAC. This evaluation board provides a comprehensive platform for testing and evaluating the performance of the AD9914/PCBZ, allowing users to quickly and easily evaluate the device's features and capabilities. The board includes a wide range of features, including a high-speed clock generator, a low-noise power supply, and a wide range of test and measurement tools. The board also includes a comprehensive set of software tools for programming and controlling the AD9914/PCBZ, allowing users to quickly and easily evaluate the device's performance. The AD9914-PCBZ Evaluation Board is an ideal tool for testing and evaluating the performance of the AD9914/PCBZ, providing users with a comprehensive platform for testing and evaluating the device's features and capabilities.
- TypeParameter
- Lifecycle StatusPRODUCTION (Last Updated: 3 weeks ago)
- Factory Lead Time8 Weeks
- Number of Pins0
- PackagingBulk
- Part StatusActive
- Moisture Sensitivity Level (MSL)1 (Unlimited)
- TypeTiming
- Frequency3.5GHz
- Base Part NumberAD9914
- FunctionDirect Digital Synthesis (DDS)
- Operating Supply Voltage3.3V
- InterfaceUSB
- Utilized IC / PartAD9914
- Supplied ContentsBoard(s)
- Resolution1.5 B
- Evaluation KitYes
- REACH SVHCNo SVHC
- RoHS StatusROHS3 Compliant
- Lead FreeContains Lead
| Part Number | Manufacturer | Description | Stock | RFQ |
|---|---|---|---|---|
| ECS Inc. | CRYSTAL 24.0000MHZ 12PF SMD | 4000 | BUY | |
| Analog Devices Inc. | IC CLK BUFFER 1:2 7.5GHZ 16LFCSP | 1000 | BUY | |
| Texas Instruments | IC BUF NON-INVERT 3.6V 20TSSOP | 10000 | RFQ | |
| Texas Instruments | IC BUF NON-INVERT 3.6V 20TSSOP | 0 | RFQ | |
| Microchip Technology | EEPROM SERIAL 16BYTE, SMD, PDIP8 | 172 | BUY | |
| Texas Instruments | Buffer/Line Driver 8-CH Non-Inverting 3-ST CMOS 20-Pin TSSOP T/R | 10000 | RFQ | |
| Analog Devices Inc. | IC DDS 3.5GSPS DAC 12BIT 88LFCSP | 2332 | BUY | |
| Texas Instruments | PROTOTYPE | 0 | RFQ | |
| Texas Instruments | PROTOTYPE | 0 | RFQ |


Product
Brand
Articles
Tools






















