Analog Devices Inc. AD9954PCBZBOARD EVAL FOR 9954
Description
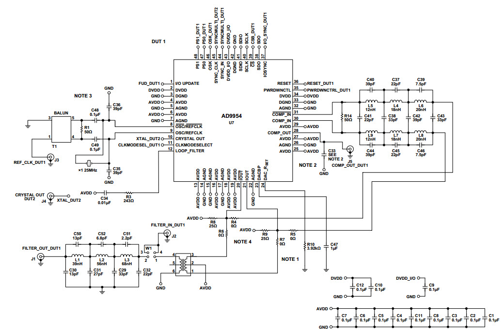
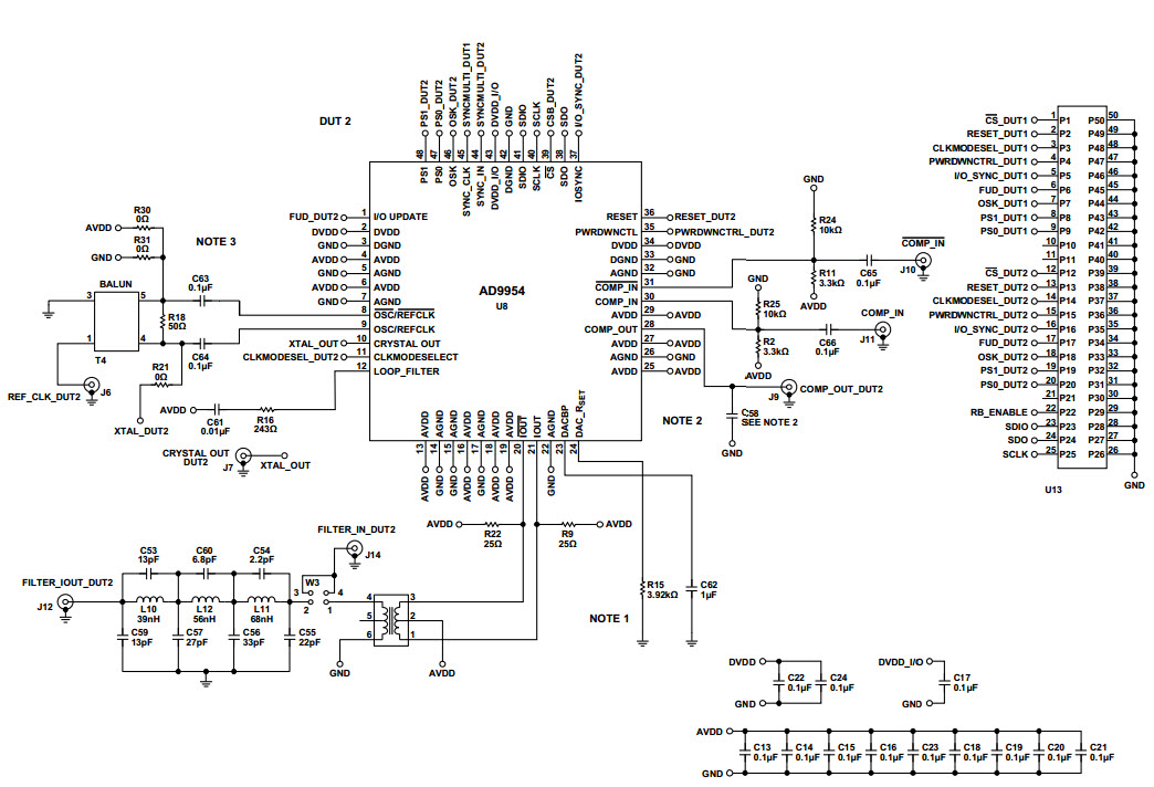
The Analog Devices AD9954PCBZ-PCBZ Evaluation Board is designed for use with the AD9954 400 MSPS, 14-Bit, 1.8 V CMOS Direct Digital Synthesizer. This board is ideal for automotive and transportation applications, providing a high-performance, low-power solution for frequency synthesis. The board features a wide range of features, including a low-noise power supply, a high-speed clock input, and a wide range of output frequencies. The board also includes a variety of test points and connectors for easy evaluation and debugging. The AD9954PCBZ-PCBZ Evaluation Board is a great choice for automotive and transportation applications that require high-performance frequency synthesis.
Specifications
Analog Devices Inc. technical specifications, attributes, parameters and parts with similar specifications to Analog Devices Inc. .
- TypeParameter
- Lifecycle StatusCONTACT ADI (Last Updated: 1 week ago)
- Factory Lead Time8 Weeks
- Number of Pins0
- PackagingBulk
- SeriesAgileRF™
- Part StatusActive
- Moisture Sensitivity Level (MSL)1 (Unlimited)
- TypeTiming
- Max Operating Temperature105°C
- Min Operating Temperature-40°C
- Frequency400MHz
- Base Part NumberAD9954
- FunctionDirect Digital Synthesis (DDS)
- Operating Supply Voltage3.3V
- Power Dissipation220mW
- Utilized IC / PartAD9954
- Supplied ContentsBoard(s)
- Resolution1.75 B
- Evaluation KitYes
- Primary Attributes14-Bit DAC, 32-Bit Tuning Word Width
- EmbeddedNo
- Secondary Attributes400MHz, Graphical User Interface
- REACH SVHCNo SVHC
- RoHS StatusROHS3 Compliant
- Lead FreeContains Lead
0 Similar Products Remaining
Technical Documents
Associated Products
| Part Number | Manufacturer | Description | Stock | RFQ |
|---|---|---|---|---|
| Texas Instruments | IC BUF NON-INVERT 3.6V 14TSSOP | 181 | RFQ | |
| Texas Instruments | IC FF D-TYPE SNGL 8BIT 20TSSOP | 500 | BUY | |
| Analog Devices Inc. | ANALOG DEVICES AD9954YSVZ IC, SM DDS 400MSPS, WAFFLE125 | 2979 | RFQ |


Product
Brand
Articles
Tools

















