Analog Devices Inc. ADP1650CB-EVALZANALOG DEVICES ADP1650CB-EVALZEVAL BOARD WITH WLCSP PACKAGE
Description
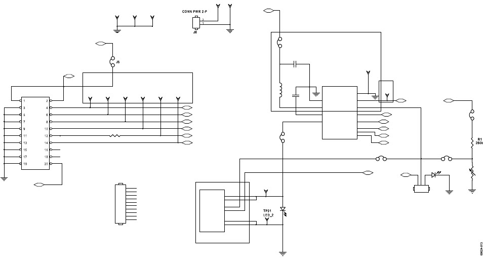
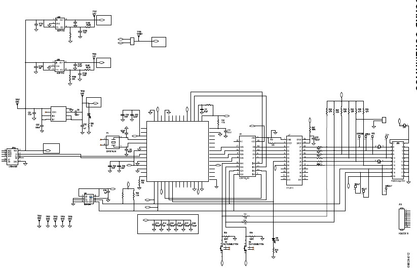
The Analog Devices ADP1650CB-EVALZ Evaluation Board is a highly efficient single white LED flash driver designed for consumer electronics applications. It uses the ADP1650 boost converter to provide a regulated output voltage for driving a single white LED. The board features an adjustable output voltage, adjustable current limit, and a low quiescent current. It also includes a power-on reset circuit, an enable pin, and a thermal shutdown circuit. The board is designed to be used with a 3.3V or 5V input voltage and can provide up to 1.2A of output current. The board is also RoHS compliant and is suitable for use in a wide range of consumer electronics applications.
Specifications
Analog Devices Inc. technical specifications, attributes, parameters and parts with similar specifications to Analog Devices Inc. .
- TypeParameter
- MountCable
- Number of Pins0
- PackagingBulk
- Part StatusObsolete
- Moisture Sensitivity Level (MSL)1 (Unlimited)
- Base Part NumberADP1650
- Number of Outputs1
- Max Output Current1.5A
- Operating Supply Voltage5.5V
- Output Current500mA
- TopologyBoost
- Min Input Voltage2.7V
- Max Input Voltage5V
- Output Current per Channel1.5A
- Utilized IC / PartADP1650
- Supplied ContentsBoard(s)
- Evaluation KitYes
- REACH SVHCNo SVHC
- Radiation HardeningNo
- RoHS StatusROHS3 Compliant
- Lead FreeContains Lead
0 Similar Products Remaining
Technical Documents
Associated Products
| Part Number | Manufacturer | Description | Stock | RFQ |
|---|---|---|---|---|
| Analog Devices Inc. | Quadrature Mod 24-Pin LFCSP EP T/R | 20782 | BUY |


Product
Brand
Articles
Tools













