Linear Technology/Analog Devices DC843ABOARD EVAL FOR LT3479EDE
Description
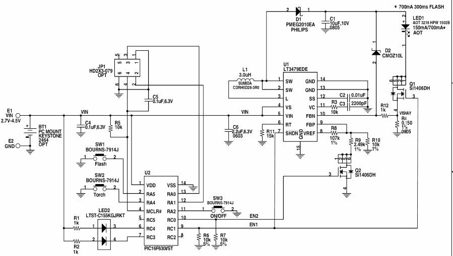
The Analog Devices DC843A-A LT3479EDE Demo Board is a high current boost LED driver designed for consumer electronics applications. It has an input voltage range of 2.7V to 4.5V and is capable of driving up to 1.5A of current. It features a wide range of protection features, including over-voltage, over-temperature, and short-circuit protection. The board also includes a power-on reset circuit and a low-battery indicator. The board is designed to be used with a wide variety of LED configurations, including single, dual, and multi-channel LED strings. It is also compatible with a variety of LED drivers, including the LT3479EDE.
Specifications
Linear Technology/Analog Devices technical specifications, attributes, parameters and parts with similar specifications to Linear Technology/Analog Devices .
- TypeParameter
- Factory Lead Time8 Weeks
- PackagingBox
- Published2005
- Part StatusActive
- Moisture Sensitivity Level (MSL)1 (Unlimited)
- Base Part NumberLT3479
- Utilized IC / PartLT3479
- Supplied ContentsBoard(s)
- Outputs and Type1, Non-Isolated
- RoHS StatusROHS3 Compliant
0 Similar Products Remaining
Technical Documents


Product
Brand
Articles
Tools












