Linear Technology/Analog Devices DC810ABOARD DEMO FOR LTC3453EUF
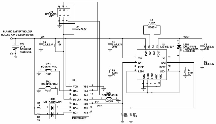
The Analog Devices DC810A-A, DC810A, LTC3453EUF Demo Board, High Efficiency Buck-Boost Flash LED Driver is a consumer electronics device designed to provide efficient and reliable power to LED lighting systems. It is capable of delivering up to 1.5A of current to a single LED or up to 3A of current to multiple LEDs. The board features a wide input voltage range of 4.5V to 28V, allowing it to be used in a variety of applications. It also features a high efficiency buck-boost topology, allowing it to maintain a constant output voltage regardless of the input voltage. The board also includes a number of protection features, such as over-voltage, over-current, and short-circuit protection, ensuring the safety of the device and the LEDs. The board is also designed to be easy to use, with a simple user interface and a wide range of configuration options.
- TypeParameter
- Lifecycle StatusPRODUCTION (Last Updated: 1 month ago)
- Factory Lead Time8 Weeks
- Number of Pins0
- PackagingBox
- Part StatusActive
- Moisture Sensitivity Level (MSL)1 (Unlimited)
- Utilized IC / PartLTC3453
- Supplied ContentsBoard(s)
- Outputs and Type1, Non-Isolated
- RoHS StatusROHS3 Compliant
| Part Number | Manufacturer | Description | Stock | RFQ |
|---|---|---|---|---|
| Analog Devices, Inc. | LT5519 - 0.7GHz to 1.4GHz High Linearity Upconverting Mixe | 0 | RFQ |


Product
Brand
Articles
Tools









