Linear Technology/Analog Devices DC805ABOARD EVAL FOR LTC3216EDE
Description
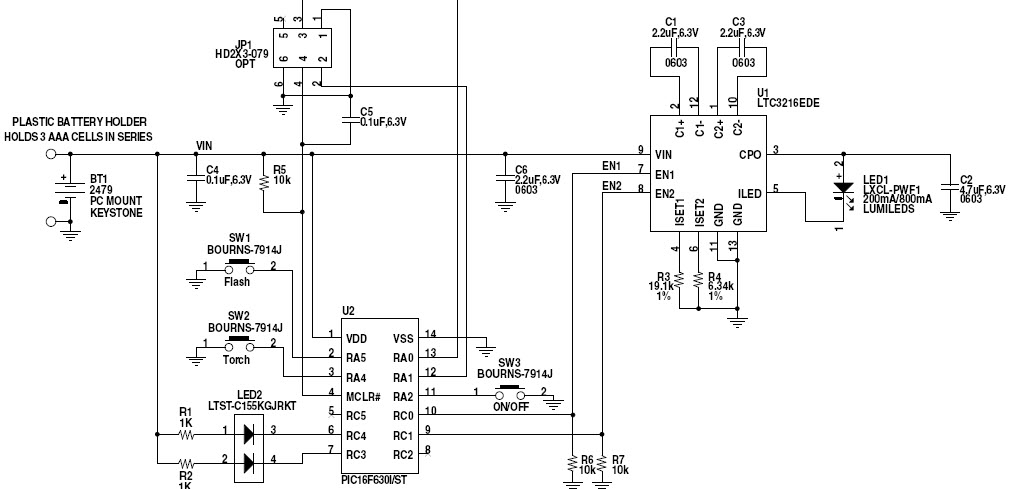
The Analog Devices DC805A-A, DC805A, LTC3216EDE Demo Board is a low noise, high current LED charge pump designed for consumer electronics applications. It features a wide input voltage range of 2.7V to 5.5V, and can deliver up to 1.2A of current. The board also includes a low noise, high efficiency, low ripple, and low EMI switching regulator. It is designed to provide a reliable and efficient power solution for LED lighting applications. The board also includes a wide range of protection features, including over-voltage, over-current, and short-circuit protection. The board is also RoHS compliant and is designed to meet the requirements of the European Union's Restriction of Hazardous Substances (RoHS) Directive.
Specifications
Linear Technology/Analog Devices technical specifications, attributes, parameters and parts with similar specifications to Linear Technology/Analog Devices .
- TypeParameter
- Factory Lead Time8 Weeks
- PackagingBox
- Published2004
- Part StatusActive
- Moisture Sensitivity Level (MSL)1 (Unlimited)
- Base Part NumberLTC3216
- Utilized IC / PartLTC3216
- Supplied ContentsBoard(s)
- Outputs and Type1, Non-Isolated
- RoHS StatusROHS3 Compliant
0 Similar Products Remaining
Technical Documents
Associated Products
| Part Number | Manufacturer | Description | Stock | RFQ |
|---|---|---|---|---|
| Analog Devices, Inc. | 0 | RFQ | ||
| Analog Devices / Linear Technology | 0 | RFQ |


Product
Brand
Articles
Tools













