Analog Devices Inc. ADP1864-EVALZANALOG DEVICES ADP1864-EVALZ ADP1864, DC TO DC CNTLR, EVAL BOARD
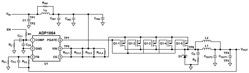
The Analog Devices ADP1864-EVALZ Evaluation Board is a powerful tool for evaluating the performance of the ADP1864 Buck Design Software, a power management IC. This evaluation board is designed to provide a comprehensive platform for testing the ADP1864's features and capabilities. It includes a variety of components, such as a power supply, a voltage regulator, a current sense resistor, and a load switch, to enable users to accurately measure the performance of the ADP1864. The board also includes a USB interface for easy connection to a PC, allowing users to quickly and easily configure the ADP1864 for their specific application. With the ADP1864-EVALZ Evaluation Board, users can quickly and easily evaluate the performance of the ADP1864 and make the necessary adjustments to optimize their design.
- TypeParameter
- Lifecycle StatusPRODUCTION (Last Updated: 1 month ago)
- Factory Lead Time8 Weeks
- Package / CaseTSOT
- Number of Pins6
- Part StatusActive
- Moisture Sensitivity Level (MSL)1 (Unlimited)
- Max Operating Temperature125°C
- Min Operating Temperature-40°C
- Base Part NumberADP1864
- Number of Outputs1
- Operating Supply Voltage14V
- Operating Supply Current350μA
- Nominal Supply Current350μA
- Max Output Voltage14V
- Voltage - Output3.3V
- Min Input Voltage3.15V
- Frequency - Switching580kHz
- Max Input Voltage14V
- Utilized IC / PartADP1864
- Supplied ContentsBoard(s)
- Min Output Voltage800mV
- Evaluation KitYes
- Board TypeFully Populated
- Main PurposeDC/DC, Step Down
- Outputs and Type1, Non-Isolated
- Regulator TopologyBuck
- REACH SVHCNo SVHC
- RoHS StatusROHS3 Compliant
- Lead FreeContains Lead
| Part Number | Manufacturer | Description | Stock | RFQ |
|---|---|---|---|---|
| Analog Devices Inc. | IC REG LINEAR 1.5V 150MA 4WLCSP | 61955 | BUY |


Product
Brand
Articles
Tools












