Analog Devices Inc. ADZS-BF592-EZLITEEZ-KIT LITE ADSP-BF592 EVAL BRD
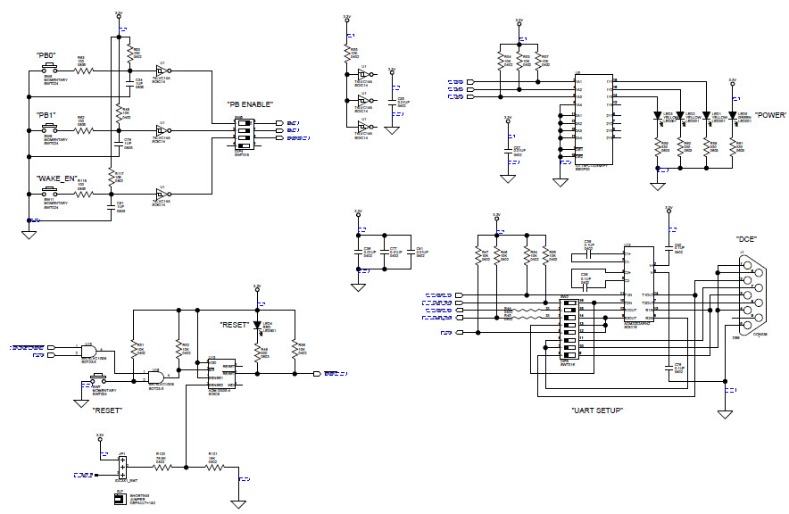
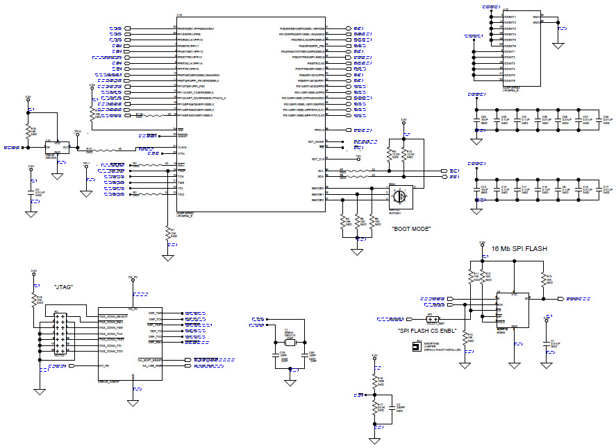
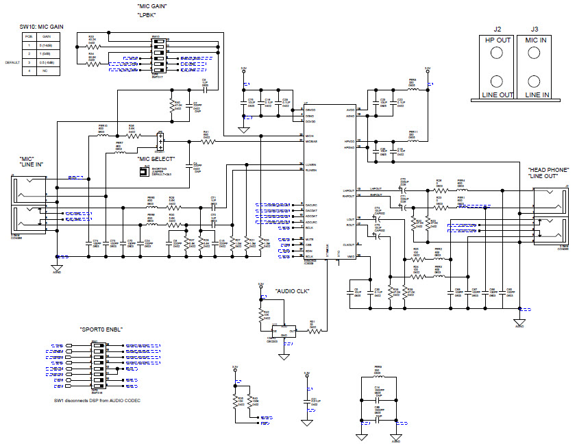
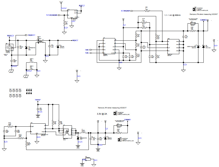
The Analog Devices ADZS-BF592-EZLITE is an evaluation system based on Blackfin Digital Signal Processors (DSPs), Audio/Video (A/V) Processors, and ARM Cortex-M3 Microcontrollers. It is designed to help engineers quickly evaluate and develop applications for the Blackfin family of DSPs. The ADZS-BF592-EZLITE includes a BF592 processor, a BF592 EZ-KIT Lite board, and a BF592 EZ-KIT Lite software package. The BF592 processor is a 32-bit, low-power, high-performance DSP with a wide range of peripherals and features. The BF592 EZ-KIT Lite board includes a variety of peripherals, including an LCD display, audio codec, USB port, and Ethernet port. The BF592 EZ-KIT Lite software package includes a comprehensive set of development tools, including a C/C++ compiler, assembler, linker, debugger, and simulator. The ADZS-BF592-EZLITE is an ideal platform for developing applications for the Blackfin family of DSPs, Audio/Video Processors, and ARM Cortex-M3 Microcontrollers.
- TypeParameter
- Lifecycle StatusPRODUCTION (Last Updated: 3 weeks ago)
- Factory Lead Time8 Weeks
- Mounting TypeFixed
- Number of Pins0
- SeriesBlackfin®
- Part StatusActive
- Moisture Sensitivity Level (MSL)1 (Unlimited)
- TypeDSP
- Base Part NumberADSP-BF592
- Operating Supply Voltage5V
- InterfaceSPI, UART, USB
- Number of Bits32
- Data Bus Width32b
- Utilized IC / PartADSP-BF592
- Evaluation KitYes
- Core ArchitectureBlackfin
- ContentsBoard(s), Cable(s)
- Board TypeEvaluation Platform
- PlatformEZ-KIT Lite®
- REACH SVHCNo SVHC
- RoHS StatusROHS3 Compliant
- Lead FreeContains Lead
| Part Number | Manufacturer | Description | Stock | RFQ |
|---|---|---|---|---|
| Microchip Technology | IC PWR SWITCH N-CHAN 1:1 8SOIC | 520 | RFQ | |
| Analog Devices Inc. | ANALOG DEVICES AD8619ARUZOperational Amplifier, QUAD, 400 kHz, 4 Amplifier, 0.1 V/s, 1.8V to 5V, TSSOP, 14 Pins | 75350 | RFQ | |
| Analog Devices Inc. | IC, STEP-DOWN DC/DC CONTROLLER, TSOT-6 | 90 | RFQ | |
| Analog Devices Inc. | ANALOG DEVICES AD5258BRMZ10Non Volatile Digital Potentiometer, 10 kohm, Single, I2C, Serial, Linear,30%, 2.7 V | 145 | BUY | |
| Nexperia USA Inc. | Nexperia 74LVC14AD, 118, , Hex Schmitt Trigger, Single Ended CMOS Inverter, 14-Pin SO | 2336 | BUY | |
| Nexperia USA Inc. | IC INVERTER SCHMITT 6CH 14SO | 2394 | BUY | |
| Analog Devices Inc. | ANALOG DEVICES ADP2291ARMZ-R7. BATTERY CHARGER LI-ION, 1.5A, MSOP-8 | 10 | RFQ | |
| Analog Devices Inc. | TRANSCEIVER, 3.3V, 460KBPS, 16SOIC | 1000 | RFQ | |
| Analog Devices Inc. | ANALOG DEVICES ADP1715ARMZ-R7. IC, ADJ LDO REG, 0.8V TO 5V, 0.5A, MSOP8 | 1202 | RFQ | |
| Analog Devices Inc. | IC REG LINEAR 2.5V 150MA TSOT5 | 11 | BUY | |
| Analog Devices Inc. | Precision Amplifiers Micropwr Low Noise CMOS RRIO Quad | 50 | RFQ |


Product
Brand
Articles
Tools

































