Analog Devices, Inc. DC1086A
Description
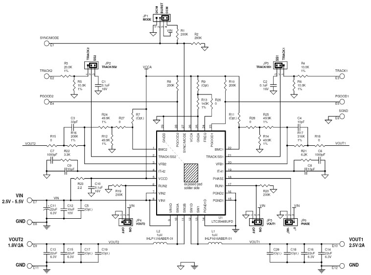
The Analog Devices DC1086A-A, LTC3546UFD Demo Board is a dual synchronous 2+1A or 2A 1+1A, 4MHz step down DC/DC regulator designed for use with computers and peripherals. It features a wide input voltage range of 4.5V to 28V, and can provide up to 2A of output current. The board also includes a wide range of protection features, such as over-voltage, over-current, and short-circuit protection. Additionally, the board is designed to be easy to use, with a simple user interface and a wide range of configuration options. This makes it ideal for use in a variety of applications, from powering small embedded systems to powering larger systems with multiple peripherals.
Specifications
Analog Devices, Inc. technical specifications, attributes, parameters and parts with similar specifications to Analog Devices, Inc. .
- TypeParameter
- EU RoHSCompliant
- ECCN (US)EAR99
- HTS8473.30.11.80
- AutomotiveNo
- PPAPNo
- Supported Device TechnologyDC to DC Converter and Switching Regulator Chip
- Output Voltage Range (VDC)1.764 to 1.836/2.47 to 2.53
- Output Current (mA)2000
- Input Voltage Range2.5VDC to 5.5VDC
- Switching Frequency (kHz)1500
- Efficiency (%)87
- Supported DeviceLTC3546EUFD
- Factory Pack QuantityFactory Pack Quantity1
- ManufacturerAnalog Devices Inc.
- BrandAnalog Devices
- Tool Is For Evaluation OfLTC3546EUFD
- RoHSDetails
- SeriesLTC3546
- PackagingBulk
- Part StatusActive
- TypeDemonstration Circuit
- SubcategoryDevelopment Tools
- Number of Outputs2
- Output Voltage1.8 V, 2.5 V
- Output Current2 A
- Product TypePower Management IC Development Tools
- ProductDemonstration Boards
- Input Voltage2.5 V to 5.5 V
- Product CategoryPower Management IC Development Tools
0 Similar Products Remaining
Associated Products
| Part Number | Manufacturer | Description | Stock | RFQ |
|---|---|---|---|---|
| Linear Technology/Analog Devices | IC REG TRIPLE BUCK/BST/LNR 16QFN | 789 | BUY |


Product
Brand
Articles
Tools





