Linear Technology/Analog Devices DC811ALT3027EDD - DUAL OUTPUT LOW NOIS
Description
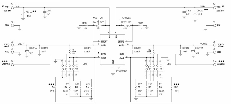
The Analog Devices DC811A-A LT3027EDD Demo Board is a dual output low noise LDO regulator designed for consumer electronics applications. It features two adjustable outputs, Vin1 and Vin2, with a voltage range of 2.3V to 20V, and two adjustable outputs, Vout1 and Vout2, with a voltage range of 2.5V, 3.3V, and 5V at 100mA. This demo board is ideal for applications requiring low noise, high efficiency, and low power consumption. It is also designed to be easy to use and configure, making it a great choice for consumer electronics projects.
Specifications
Linear Technology/Analog Devices technical specifications, attributes, parameters and parts with similar specifications to Linear Technology/Analog Devices .
- TypeParameter
- Factory Lead Time8 Weeks
- Voltage-Input2.3V~20V
- PackagingBox
- Part StatusActive
- Moisture Sensitivity Level (MSL)1 (Unlimited)
- Current - Output100mA 100mA
- Voltage - Output2.5V 2.5V
- Utilized IC / PartLT3027
- Supplied ContentsBoard(s)
- Regulator TypePositive Adjustable
- Board TypeFully Populated
- Channels per IC2 - Dual
- RoHS StatusROHS3 Compliant
0 Similar Products Remaining
Technical Documents


Product
Brand
Articles
Tools




