Linear Technology/Analog Devices DC330ABOARD DEMO FOR LT1761ES5-BYP/SD
Description
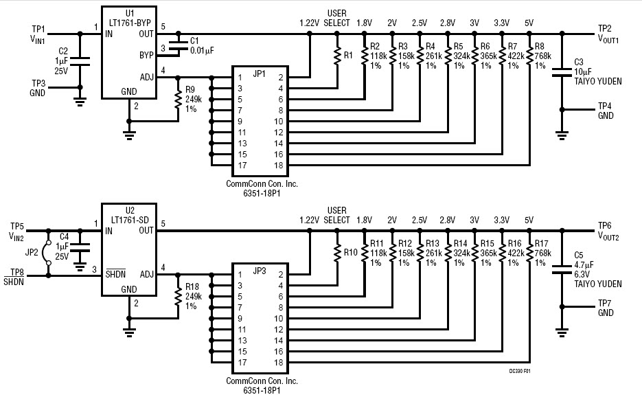
The Analog Devices DC330A-A, LT1761ES5-BYP/SD Demo Board, SOT-23, 100mA LDO Regulator, 2 Circuits is a consumer electronics device designed to provide low output noise and low current shut-down. It is a two-circuit device that features a 100mA LDO regulator and a SOT-23 package. The device is designed to provide a low-noise output and a low-current shut-down, making it ideal for consumer electronics applications. It is also designed to be easy to use and install, making it a great choice for those looking for a reliable and efficient power solution.
Specifications
Linear Technology/Analog Devices technical specifications, attributes, parameters and parts with similar specifications to Linear Technology/Analog Devices .
- TypeParameter
- Lifecycle StatusPRODUCTION (Last Updated: 3 weeks ago)
- Factory Lead Time8 Weeks
- Package / CaseSOT
- Number of Pins0
- Voltage-Input2.3V~20V
- PackagingBox
- Part StatusActive
- Moisture Sensitivity Level (MSL)1 (Unlimited)
- Current - Output100mA
- Voltage - Output1.22V 1.8V 2V 2.5V 2.8V 3V 3.3V 5V
- Utilized IC / PartLT1761
- Supplied ContentsBoard(s)
- Regulator TypePositive Adjustable
- Board TypeFully Populated
- Channels per IC1 - Single
- RoHS StatusROHS3 Compliant
0 Similar Products Remaining
Technical Documents
Associated Products
| Part Number | Manufacturer | Description | Stock | RFQ |
|---|---|---|---|---|
| Analog Devices, Inc. | IC REG CTRLR FLYBK ISO CM 16SSOP | 0 | RFQ |


Product
Brand
Articles
Tools





